最好看的2018免费观看在线-最好看的2019中文电影-最好免费观看高清视频免费-最近免费中文字幕大全免费版视频

您好!歡迎光臨烜芯微科技品牌官網!

深圳市烜芯微科技有限公司

ShenZhen XuanXinWei Technoligy Co.,Ltd
二極管、三極管、MOS管、橋堆

全國服務熱線:18923864027

  • 熱門關鍵詞:
  • 橋堆
  • 場效應管
  • 三極管
  • 二極管
  • 常用場效應管貼片封裝大全-場效應管貼片管腳圖與種類
    • 發布時間:2019-11-25 16:55:06
    • 來源:
    • 閱讀次數:
    場效應管貼片封裝形式
    MOSFET芯片在制作完成之后,需要給MOSFET芯片加上一個外殼,即MOS管封裝。MOSFET芯片的外殼具有支撐、保護、冷卻的作用,同時還為芯片提供電氣連接和隔離,以便MOSFET器件與其它元件構成完整的電路。按照安裝在PCB 方式來區分,MOS管封裝主要有兩大類:插入式(Through Hole)和表面貼裝式(Surface Mount)。插入式就是MOSFET的管腳穿過PCB的安裝孔焊接在PCB 上。表面貼裝則是MOSFET的管腳及散熱法蘭焊接在PCB表面的焊盤上。
    場效應管貼片封裝
    場效應管貼片封裝規格為TO封裝
    TO(Transistor Out-line)的中文意思是“晶體管外形”。這是早期的封裝規格,例如TO-92,TO-92L,TO-220,TO-252等等都是插入式封裝設計。近年來表面貼裝市場需求量增大,TO封裝也進展到表面貼裝式封裝。
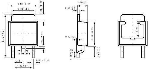
    TO252和TO263就是表面貼裝封裝。其中TO-252又稱之為D-PAK,TO-263又稱之為D2PAK。
    D-PAK封裝的MOSFET有3個電極,柵極(G)、漏極(D)、源極(S)。其中漏極(D)的引腳被剪斷不用,而是使用背面的散熱板作漏極(D),直接焊接在PCB上,一方面用于輸出大電流,一方面通過PCB散熱。所以PCB的D-PAK焊盤有三處,漏極(D)焊盤較大。
    貼片封裝TO-252引腳圖
    場效應管貼片封裝流行的還是雙列直插封裝,簡稱DIP(Dual ln-line Package)。DIP封裝在當時具有適合PCB(印刷電路板)的穿孔安裝,具有比TO型封裝易于對PCB布線以及操作較為方便等一些特點,其封裝的結構形式也很多,包括多層陶瓷雙列直插式DIP,單層陶瓷雙列直插式DIP,引線框架式DIP等等。常用于功率晶體管、穩壓芯片的封裝。
    場效應管貼片
    SOT封裝
    SOT(Small Out-Line Transistor)小外形晶體管封裝。這種封裝就是貼片型小功率晶體管封裝,比TO封裝體積小,一般用于小功率MOSFET。常見的規格如上。
    主板上常用四端引腳的SOT-89 MOSFET。
    場效應管貼片
    SOT-23封裝
    場效應管貼片
    SOP封裝
    SOP(Small Out-Line Package)的中文意思是“小外形封裝”。SOP是表面貼裝型封裝之一,引腳從封裝兩側引出呈海鷗翼狀(L 字形)。材料有塑料和陶瓷兩種。SOP也叫SOL 和DFP。SOP封裝標準有SOP-8、SOP-16、SOP-20、SOP-28等等,SOP后面的數字表示引腳數。MOSFET的SOP封裝多數采用SOP-8規格,業界往往把“P”省略,叫SO(Small Out-Line )。
    場效應管貼片
    SO-8采用塑料封裝,沒有散熱底板,散熱不良,一般用于小功率MOSFET。
    SO-8是PHILIP公司首先開發的,以后逐漸派生出TSOP(薄小外形封裝)、VSOP(甚小外形封裝)、SSOP(縮小型SOP)、TSSOP(薄的縮小型SOP)等標準規格。
    這些派生的幾種封裝規格中,TSOP和TSSOP常用于MOSFET封裝。
    QFN-56封裝
    場效應管貼片
    QFN(Quad Flat Non-leaded package)是表面貼裝型封裝之一,中文叫做四邊無引線扁平封裝,是一種焊盤尺寸小、體積小、以塑料作為密封材料的新興表面貼裝芯片封裝技術。現在多稱為LCC。QFN是日本電子機械工業會規定的名稱。
    封裝四邊配置有電極接點,由于無引線,貼裝占有面積比QFP小,高度比QFP低。這種封裝也稱為LCC、PCLC、P-LCC等。QFN本來用于集成電路的封裝,MOSFET不會采用的。Intel提出的整合驅動與MOSFET的DrMOS采用QFN-56封裝,56是指在芯片背面有56個連接Pin。
    場效應管貼片管腳圖
    部分貼片場效應管的管腳排列如下圖。此外,我們]可利用萬用表Rx1k檔判別結型場效應管電極,黑表筆碰觸一個電極,紅表筆依次碰觸另外兩個電極,若兩次測出的阻值都很大,則是P溝道且黑表筆接的是柵極。反之,兩次阻值均很小,則是N溝道,黑表筆接的也是柵極,但此法不能用于測絕緣柵場效應管。
    場效應管貼片
    部分場效應管管腳排列
    另外,還可用萬用表估測結型場效應管的放大能力,如下圖。手捏住柵極后,表針會向左擺動(或向右),但只要有明顯擺動說明此管有放大能力,擺動小,放大能力弱。由于測量進g-結電窄上充有少量電荷,每次測量后要將g-s間短路一下,否則再次測可能表針不動。
    對于大功率場效應管,如下圖(a)所示,從左至右,管腳排列基本為G、D、S極(散熱片接D極):采用絕緣底板模塊封裝的特種場效應管通常有四個管腳,如下圖示,上面的兩個通常為兩個S極(相連),下面的兩個分別為G、D極;采用貼片封裝的場效應管,如下圖示,散熱片是D極,下面的三個腳分別是G、D、S極。
    場效應管貼片
    場效應管貼片的種類
    場效應管貼片
    烜芯微專業制造二極管,三極管,MOS管,橋堆20年,工廠直銷省20%,1500家電路電器生產企業選用,專業的工程師幫您穩定好每一批產品,如果您有遇到什么需要幫助解決的,可以點擊右邊的工程師,或者點擊銷售經理給您精準的報價以及產品介紹
    相關閱讀