最好看的2018免费观看在线-最好看的2019中文电影-最好免费观看高清视频免费-最近免费中文字幕大全免费版视频

您好!歡迎光臨烜芯微科技品牌官網!

深圳市烜芯微科技有限公司

ShenZhen XuanXinWei Technoligy Co.,Ltd
二極管、三極管、MOS管、橋堆

全國服務熱線:18923864027

  • 熱門關鍵詞:
  • 橋堆
  • 場效應管
  • 三極管
  • 二極管
  • TO-247-4L封裝為什么和超級結MOS管是絕配
    • 發布時間:2020-01-02 15:32:58
    • 來源:
    • 閱讀次數:
    TO-247-4L封裝為什么和超級結MOS管是絕配
    最新數據顯示,新型TO-247-4L封裝能夠解決超級結MOS管中的源級連接電感對開關速度的不利影響。
    根據工作原理,超級結MOS管也被稱為載流子補償MOS管,能把MOS管的耐壓提高到900V,這是因為超級結提供更低的RDS(on),能在任意給定頻率下保持更高的效率,用于改善導通電阻<RDS(on)>與擊穿電壓之間的矛盾。
    但是實際上,當MOS管的開關速度到達一定限度時,器件封裝中的源級連接電感開始拖后腿,并嚴重影響器件的開關速度。以下是以東芝公司的仿真分析為例,介紹TO-247-4L封裝的特點。
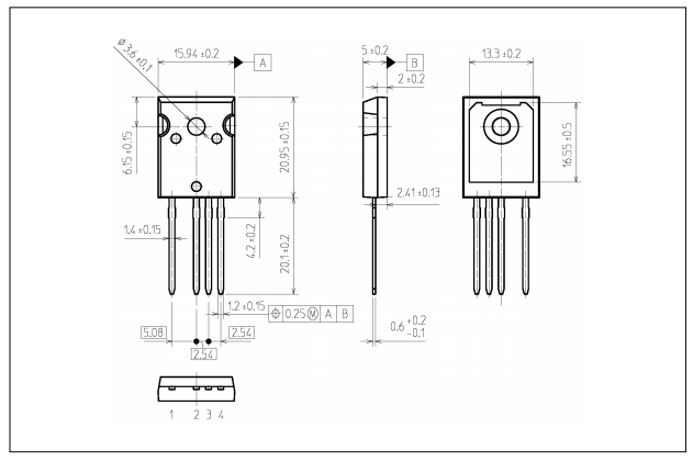
    TO-247-4L封裝
    4引腳TO-247-4L封裝MOS管原理圖
    TO-247-4L封裝的SPICE仿真
    烜芯采用相同的MOS管器件模型,對比分析了4引腳TO-247-4L封裝和3引腳TO-247封裝。
    首先,將源極引線分成兩部分,再將這兩部分分別連接至漏極和柵極。實驗發現,MOS管導通后,3引腳TO-247封裝器件的柵極電壓下降,降低了導通速度。在4引腳封裝中,通過MOS管的VGS電壓幾乎等于VDRV。
    這個數據說明,與3引腳封裝的MOS管相比,采用4引腳封裝更有助于提高MOS管的開關速度。
    該仿真還提示我們,使用TO-247-4L封裝有助于降低MOS管的導通損耗。結果證實,4引腳封裝MOS管比3引腳封裝MOS管的開關速度更快,導通損耗因提高開關速度降低了19%。
    幾種典型超級結MOS管
    市場上,超級結MOS管有ROHM高壓(600V~)功率MOS管產品、烜芯N溝道平面MOS管(700V~)系列等。
    TO-247-4L封裝
    超級結MOS管采用的4引腳TO-247-4L封裝
    ROHM PrestoMOS 600V耐壓超級結MOS管內置了快速二極管,在保持極快反向恢復時間(trr)的同時,提高設計靈活度,有助于電機和逆變器等節能,非常適用于空調、冰箱等白色家電的電機驅動以及EV充電樁。
    烜芯的超級結MOS管采用4引腳TO-247-4L封裝,具有高速度、高性能、低損耗、低導通電阻、小封裝等,耐壓達500V~800V,導通損耗降低19%,可以抑制柵極振蕩。
    多家MOS管廠商產品及數據分析證明,超級結MOS管采用TO-247-4L封裝,能夠降低導通電阻,并提高MOS管的開關速度。
    烜芯微專業制造二極管,三極管,MOS管,橋堆20年,工廠直銷省20%,1500家電路電器生產企業選用,專業的工程師幫您穩定好每一批產品,如果您有遇到什么需要幫助解決的,可以點擊右邊的工程師,或者點擊銷售經理給您精準的報價以及產品介紹
    相關閱讀