最好看的2018免费观看在线-最好看的2019中文电影-最好免费观看高清视频免费-最近免费中文字幕大全免费版视频

您好!歡迎光臨烜芯微科技品牌官網!

深圳市烜芯微科技有限公司

ShenZhen XuanXinWei Technoligy Co.,Ltd
二極管、三極管、MOS管、橋堆

全國服務熱線:18923864027

  • 熱門關鍵詞:
  • 橋堆
  • 場效應管
  • 三極管
  • 二極管
  • SCR諧振橋式拓撲知識
    • 發布時間:2020-01-15 15:47:45
    • 來源:
    • 閱讀次數:
    SCR諧振橋式拓撲概述
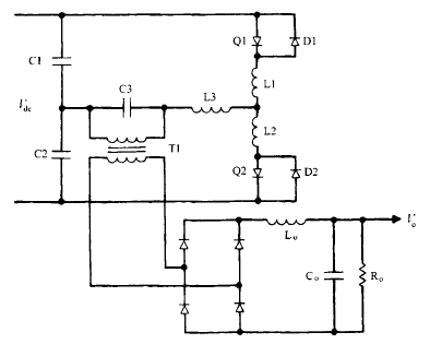
    諧振型半橋電路 ( 圖 6.10 ) 和全橋電路 ( 圖 6.11 ) 是最有用的 SCR 電路。半橋電路僅用 兩個額定有效值為 SOOY 、45A 的 SCR ( Marconi ACR25U08LG ),就能夠從經過整流的220V交流電網上獲取高達4kW的交流或直流輸出功率。若器件額定電壓為1200V,則用全橋電路能夠輸出8kW的功率。全橋電路的工作原理與半橋諧振電路類似,當然若輸出相同功率,全橋電路中SCR接受的電壓應力將是半橋的兩倍,電流應力則為其一半。下面將細致引見半橋電路。半橋電路可工作于串聯負載狀態 ,如圖 6.10 所示,次級負載經過變壓器 Tl 折算到初級 與諧振電路發作串聯諧振(Ql導通時,Cl與L3和L1發作串聯諧振:Q2導通時,Cl與L3和L2發作串聯諧振) 。在串聯負載電路中 ,次級負載折算到初級的阻抗不能太高 ,否則諧振 電路的 Q 值太低 ,當諧振電流反向時 ,原先導通的 SCR 就會無法牢靠關斷 。電路無需輸出 電感,因而在輸出高壓或低壓的場所都適用。正常工作時,由于負載和LC串聯,與LC元件相比阻抗很小,所以該電路能夠平安地接受輸出端短路。但是該電路MOS管驅動輸出端不能開路 ,這 將在下面停止闡述 。
    SCR諧振橋式拓撲
    圖 6.10 串聯負載 SCR 諧振半橋電路 。場效應管 廠家Ql 和 Q2 輪番導通半個周期 。當 Ql 導通時,電容 C3 與 L3 及 Ll 發作諧振 :當 Q2 導通時,C3 與口及 L2 發作諧振 。只需觸發其中一個 SCR ,就會流過 正強半被電流,然后電流過零反向 ,以正去半波規律流經其反并聯二極管 。假如二極管電流的持 續時間大于 SCR  的烏值,SCR 就能自動關斷
    SCR諧振橋式拓撲
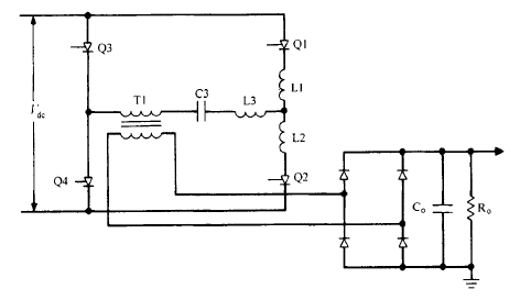
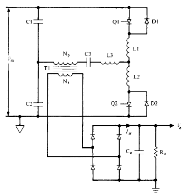
    圖 6.11     SCR 諧振全橋電路 。它的輸出功率能到達半橋電路輸出功率的兩倍半橋電路也能夠工作在并聯負載狀態 ,如圖 6.12 所示,輸出負載經過 Tl 折算到初級 , 調和振電容 C3 并聯。輸出負載折算到 Tl 初級的阻抗不能太小 ,否則會形成諧振電路的 Q 值太低而無法牢靠關斷 SCR  的狀況。因而,該電路輸出端能夠開路 ,但不能短路。串聯負載電路可作為驅動Tl初級的電流源停止剖析,而并聯負載電路可作為驅動Tl初級的電壓源停止剖析。當請求輸出直流時,并聯負載電路需求次級輸出電感 ,但對碳化硅二極管輸出電壓 紋波請求不高時也能夠省略 。因而,關于 DC/DC  變換器,串聯負載電路是一個更好的選擇 。
    SCR諧振橋式拓撲
    開關電源、設計
    圖 6.12 并聯負載 SCR 諧振半橋電路 。其輸出功率由諧振電容兩端取得 。次級負載折算到初級 的阻抗必需足夠大,以免降低諧振電路的 Q 值,由于 Q 值過低時 SCR 無法正常關斷
    烜芯微專業制造二極管,三極管,MOS管,橋堆20年,工廠直銷省20%,1500家電路電器生產企業選用,專業的工程師幫您穩定好每一批產品,如果您有遇到什么需要幫助解決的,可以點擊右邊的工程師,或者點擊銷售經理給您精準的報價以及產品介紹
    相關閱讀