最好看的2018免费观看在线-最好看的2019中文电影-最好免费观看高清视频免费-最近免费中文字幕大全免费版视频

您好!歡迎光臨烜芯微科技品牌官網!

深圳市烜芯微科技有限公司

ShenZhen XuanXinWei Technoligy Co.,Ltd
二極管、三極管、MOS管、橋堆

全國服務熱線:18923864027

  • 熱門關鍵詞:
  • 橋堆
  • 場效應管
  • 三極管
  • 二極管
  • 實現精密全波整流的兩種方法介紹
    • 發布時間:2020-12-11 16:13:51
    • 來源:
    • 閱讀次數:
    實現精密全波整流的兩種方法介紹
    電源運放的跟隨器的工作特性,也可以實現精密全波整流。單電源供電的運放構成的跟隨器,當輸入信號大于0時,輸出跟隨輸入變化。當輸入信號小于0的時候,輸出為0。利用這個特性可以構成如下的電路。
    精密全波整流
    當輸入為正電壓時,等效電路如下:
    精密全波整流
    輸入電阻Rin = inf
    輸出電阻 Rout = 0
    Vout = Vin
    當輸入為負電壓時,等效電路如下:
    精密全波整流
    輸入電阻Rin = R1
    輸出電阻 Rout = 0
    Vout = - R2/R1 * Vin
    使用時要小心單電源運放在信號很小時的非線性。而且,單電源跟隨器在負信號輸入時也有非線性。這些都會導致輸入波形的失真。另外,輸入電阻隨輸入信號的極性也會發生變化,如果R1、R2 不相等,則增益也隨輸入信號的極性變化。
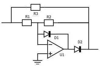
    利用單運放構成的精密全波整流電路主要有兩種,一種稱之為 T 型,另一種稱為△型。
    T 型精密全波整流電路的原理圖如下。
    精密全波整流
    圖1 T型精密全波整流電路
    上面電路中 R1 = R3 = 2*R2
    當輸入為正電壓時,D1 導通D2截止,這時運放的作用就是將R3的下端的電位鉗位在 0 V,整個電路可以簡化為三個電阻的電阻網絡。
    輸入電阻:Rin = R1 + (R2+Rz)||R3 > R1 + R2 || R3, Rz 為負載內阻
    輸出電阻:Rout = (R1+Ri)||R3+ R2,Ri 為信號源內阻
    開路輸出電壓:Vout =Vin/2
    當輸入為負電壓時,D1 截止,D2導通,就是個放大倍數為-0.5 的反向放大電路。
    輸入電阻:Rin = R1
    輸出電阻:Rout = 0
    Vout = Vin /2
    因此,功能為全波整流,也就是絕對值運算。這個電路的缺點在于輸入輸出電阻隨信號極性變化。
    △型電路如下,其中R1 = 2*R2=2*R3:
    精密全波整流
    圖2 單運放精密全波整流電路(△型)
    原理與T型差不多,輸入為正電壓時,D1 導通,D2截止。相當于個電阻分壓網絡。
    開路輸出電壓:Vout = Vin / 2
    輸入輸出阻抗的計算很簡單,這里就不計算了。
    輸入為負電壓時D1截止,D2導通。就是個反向放大電路,這時R3其實也沒有什么真正的作用。
    這個電路的特點和 T型差不多。輸入、輸出阻抗隨輸入信號極性變化,都不是很理想。但是只用了一個運放,電路結構簡單。
    烜芯微專業制造二極管,三極管,MOS管,橋堆等20年,工廠直銷省20%,4000家電路電器生產企業選用,專業的工程師幫您穩定好每一批產品,如果您有遇到什么需要幫助解決的,可以點擊右邊的工程師,或者點擊銷售經理給您精準的報價以及產品介紹
    相關閱讀