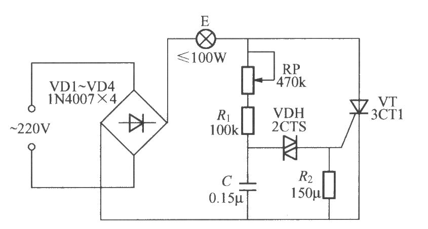
摘要:3CT1 如圖所示是一個適合燈臺使用的單向晶閘管調光燈電路,220V交流電經VD1~VD4橋式整流成為100Hz脈動直流電,再經燈泡E加到晶閘管VT的陽極與陰極間。同時,在電源的每個半周期內,通過RP、R1向電容C充電,當C兩端充電電壓達到雙向觸發二極管VDH的折轉電壓(約26~40V)時,VDH導通,C向R2放電,在R2兩端即形成尖脈沖加到 VT的門極,使VT開通,E通電發光。VT開通后,其陽-
3CT1


如圖所示是一個適合燈臺使用的單向晶閘管調光燈電路,220V交流電經VD1~VD4橋式整流成為100Hz脈動直流電,再經燈泡E加到晶閘管VT的陽極與陰極間。同時,在電源的每個半周期內,通過RP、R1向電容C充電,當C兩端充電電壓達到雙向觸發二極管VDH的折轉電壓(約26~40V)時,VDH導通,C向R2放電,在R2兩端即形成尖脈沖加到 VT的門極,使VT開通,E通電發光。VT開通后,其陽-陰極間電壓降為1V左右,當交流電過零時,VT關斷,待下一周期,電容C又充電,重復上述過程。所以調節電位器RP可改變電容C充電時間的快慢,從而可控制燈泡E上電壓的平均值,使亮度可調。
烜芯微專業制造二極管,三極管,MOS管,橋堆等20年,工廠直銷省20%,4000家電路電器生產企業選用,專業的工程師幫您穩定好每一批產品,如果您有遇到什么需要幫助解決的,可以點擊右邊的工程師,或者點擊銷售經理給您精準的報價以及產品介紹
烜芯微專業制造二極管,三極管,MOS管,橋堆等20年,工廠直銷省20%,4000家電路電器生產企業選用,專業的工程師幫您穩定好每一批產品,如果您有遇到什么需要幫助解決的,可以點擊右邊的工程師,或者點擊銷售經理給您精準的報價以及產品介紹

