最好看的2018免费观看在线-最好看的2019中文电影-最好免费观看高清视频免费-最近免费中文字幕大全免费版视频

您好!歡迎光臨烜芯微科技品牌官網!

深圳市烜芯微科技有限公司

ShenZhen XuanXinWei Technoligy Co.,Ltd
二極管、三極管、MOS管、橋堆

全國服務熱線:18923864027

  • 熱門關鍵詞:
  • 橋堆
  • 場效應管
  • 三極管
  • 二極管
  • 電蚊拍上的三極管參數和代換
    • 發布時間:2021-02-22 18:42:23
    • 來源:
    • 閱讀次數:
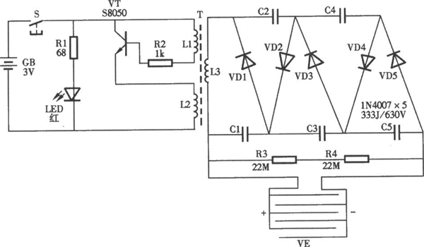
    電蚊拍上的三極管參數和代換
    電蚊拍上常用的三極管是D965,其參數為
    NPN、40V、5A、0.75W。
    管腳順序:d965引腳bec,  s8050引腳ebc
    D965可用:D3807、D2060、S8050、D400、C3807等高放大倍數的三極管。
    第一種:使用干電池
    電蚊拍上的三極管
    第二種:可以充電
    電蚊拍上的三極管
    烜芯微專業制造二極管,三極管,MOS管,橋堆等,20年,工廠直銷省20%,1500家電路電器生產企業選用,專業的工程師幫您穩定好每一批產品,如果您有遇到什么需要幫助解決的,可以直接聯系上方的聯系號碼或加QQ,由我們的銷售經理給您精準的報價以及產品介紹
    相關閱讀