最好看的2018免费观看在线-最好看的2019中文电影-最好免费观看高清视频免费-最近免费中文字幕大全免费版视频

您好!歡迎光臨烜芯微科技品牌官網!

深圳市烜芯微科技有限公司

ShenZhen XuanXinWei Technoligy Co.,Ltd
二極管、三極管、MOS管、橋堆

全國服務熱線:18923864027

  • 熱門關鍵詞:
  • 橋堆
  • 場效應管
  • 三極管
  • 二極管
  • 場效應管放大電路的三種組態介紹
    • 發布時間:2021-03-18 16:25:00
    • 來源:
    • 閱讀次數:
    場效應管放大電路的三種組態介紹
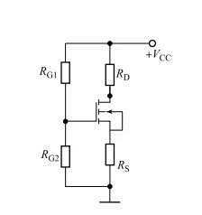
    1.電路結構
    12為旁路電容,RG1?RG2為分壓電阻,RG2上的壓降為場效應管的柵極提供偏置電壓,故該電路稱為分壓式自偏壓放大電路?RG3上沒有電流,對電路的靜態工作點沒有影響,RD為源極電阻?
    2.靜態分析
    主要求解場效應管的IDQ?UGSQ?UDSQ如圖1所示電路的直流通路如圖2所示,由于RG3上沒有電流,故沒有繪制在直流通路中?
    圖1分壓式自偏壓放大電路
    場效應管放大電路
    圖2電路的直流通路
    場效應管放大電路
    3.動態分析
    如圖1所示電路的小信號等效電路如圖3所示?
    圖3電路的小信號等效電路
    場效應管放大電路
    烜芯微專業制造二極管,三極管,MOS管,橋堆等,20年,工廠直銷省20%,1500家電路電器生產企業選用,專業的工程師幫您穩定好每一批產品,如果您有遇到什么需要幫助解決的,可以直接聯系上方的聯系號碼或加QQ,由我們的銷售經理給您精準的報價以及產品介紹
    相關閱讀