穩壓二極管是電子電路中常用的一種二極管,是一種用于穩定電壓,且工作在反向擊穿狀態下的二極管。穩壓二極管的正向特性和普通二極管差不多。其反向特性是在反向電壓低于反向擊穿電壓時,反向電阻很大,反向漏電流極小。
但是,當反向電壓臨近反向電壓的臨界值時,反向電流驟然增大,稱為擊穿,在這一臨界擊穿點上,反向電阻驟然降至很小值。
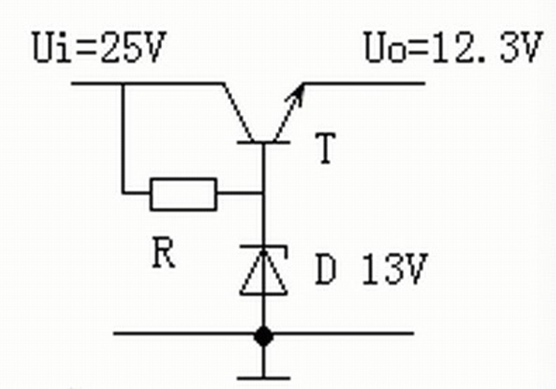
1、典型的串聯型穩壓電路
在此電路中,三極管 T 的基極被穩壓二極管 D 穩定在 13V,那么其發射極就輸出恒定的 13-0.7=12.3V 電壓了,在一定范圍內,無論輸入電壓升高還是降低,無論負載電阻大小變化,輸出電壓都保持不變。這個電路在很多場合下都有應用。7805 就是一種串聯型集成穩壓電路,可以輸出 5V 的電壓。7805-7824 可以輸出 5-24V 電壓。在很多電器上都有應用。

2、電視機里的過壓保護電路
115V 是電視機主供電電壓,當電源輸出電壓過高時,D 導通,三極管 T 導通,其集電極電位將由原來的高電平(5V)變為低電平,通過待機控制線的電壓使電視機進入待機保護狀態。

3、電弧抑制電路
在電感線圈上并聯接入一只合適的穩壓二極管(也可接入一只普通二極管原理一樣)的話,當線圈在導通狀態切斷時,由于其電磁能釋放所產生的高壓就被二極管所吸收,所以當開關斷開時,開關的電弧也就被消除了。這個應用電路在工業上用得比較多,如一些較大功率的電磁吸控制電路就用到它。

4、浪涌保護電路
穩壓管在準確的電壓下擊穿,這就使得它可作為限制或保護之元件來使用,因為各種電壓的穩壓二極管都可以得到,故對于這種應用特別適宜。圖中的穩壓二極管 D 是作為過壓保護器件。只要電源電壓 VS 超過二極管的穩壓值 D 就導通,使繼電器 J 吸合負載 RL 就與電源分開。

正反向串聯的作用
如果是兩個穩壓二極管反向串聯,正、反方向電壓到達穩壓值時,電壓被鉗位(即不能再升高)。
1、經常在功率較大的放大電路,功率管的柵極 G 與源極 S 即發射結一個穩壓二極管,這是通過限制電壓對 G-S 起保護作用,防止 G-S 之間的絕緣層被過高的電壓擊穿。
2、兩個二極管反向串聯后對與之并聯的電路可起過壓保護作用,當電路過壓時,二極管首先擊穿短路。
烜芯微專業制造二極管,三極管,MOS管,橋堆等20年,工廠直銷省20%,4000家電路電器生產企業選用,專業的工程師幫您穩定好每一批產品,如果您有遇到什么需要幫助解決的,可以點擊右邊的工程師,或者點擊銷售經理給您精準的報價以及產品介紹
烜芯微專業制造二極管,三極管,MOS管,橋堆等20年,工廠直銷省20%,4000家電路電器生產企業選用,專業的工程師幫您穩定好每一批產品,如果您有遇到什么需要幫助解決的,可以點擊右邊的工程師,或者點擊銷售經理給您精準的報價以及產品介紹

