最好看的2018免费观看在线-最好看的2019中文电影-最好免费观看高清视频免费-最近免费中文字幕大全免费版视频

您好!歡迎光臨烜芯微科技品牌官網!

深圳市烜芯微科技有限公司

ShenZhen XuanXinWei Technoligy Co.,Ltd
二極管、三極管、MOS管、橋堆

全國服務熱線:18923864027

  • 熱門關鍵詞:
  • 橋堆
  • 場效應管
  • 三極管
  • 二極管
  • 半橋逆變電路的工原理與常見錯誤
    • 發布時間:2021-04-21 18:28:15
    • 來源:
    • 閱讀次數:
    半橋逆變電路的工原理與常見錯誤
    半橋逆變電路是電子鎮流器和電子節能燈中最常用也是最基本的電路,正確地理解它的工作原理,將有助于我們合理地選擇元器件如磁環變壓器、扼流電感、啟動電容等元件的參數,正確地安排三極管的驅動電路,以降低它的功耗與熱量,提高整燈的可靠性。遺憾地是過去受觀測儀器(如示波器)和測試手段的局限,我們無法觀測到電路中關鍵點如三極管各個電極電流的正確波形(如文獻 4 的電流 iB、ic 的起始波形就是錯誤的),因而無法作出符合實際情況的定量分析和判斷,以至形成一些錯誤的概念。
    半橋逆變電路的工原理,盡管這個電路是眾所周知的,但人們對它的理解卻并不十分正確,存在一些錯誤觀念。
    半橋逆變電路工作原理如圖 11.2
    半橋逆變電路
    工作原理:
    ①tl 時間:開關 K1 導通,K2 截止,電流方向如圖中①,電源給主變 T 供電,并給電容 C2 充電。
    ②t2 時間:開關 K1、K2 都截止,負截無電流通過(死區)。
    ③t3 時間:開關 K1 截止,K2 導通,電容 C2 向負載放電。
    ④t4 時間:開關 K1、K2 均截止,又形成死區。如此反復在負載上就得到了如圖 11.3 的電流,實現了逆變的目的。
    IGBT 焊機的工作原理
    ①電源供給:
    和場效應管作逆變開關的焊機一樣,焊機電源由市電供給,經整流、濾波后供給逆變器。
    ②逆變:
    由于 IGBT 的工作電流大,可采用半橋逆變的形式,以 IGBT 作為開關,其開通與關閉由驅動信號控制。
    ③驅動信號的產生:
    驅動信號仍然采用處理脈寬調制器輸出信號的形式。使得兩路驅動信號的相位錯開(有死區),以防止兩個開關管同時導通而產生過大電流損壞開關管。驅動信號的中點同樣下沉一定幅度,以防干擾使開關管誤導通。
    ④保護電路:
    IGBT 焊機也設置了過流、過壓、過熱保護等,有些機型也有截流,以保證焊機及人身安全,其工作原理與場效應管焊機相似。
    逆變與整流是兩個相反的概念,整流是把交流電變換為直流電的過程,而逆變則使把直流電改變為交流電的過程,采用逆變技術的弧焊電源稱為逆變焊機。逆變過程需要大功率電子開關器件,采用絕緣柵雙極晶體管 IGBT 作為開關器件的逆變焊機成為 IGBT 逆變焊機。
    逆變焊機的工作過程如下:將三相或單相工頻交流電整流,經濾波后得到一個較平滑的直流電,由 IGBT 組成的逆變電路將該直流電變為幾十 KHZ 的交流電,經主變壓器降壓后,再經整流濾波獲得平穩的直流輸出焊接電流。
    逆變電焊機優點:由于逆變工作頻率很高,所以主變壓器的鐵心截面積和線圈匝數大大減少,因此,逆變焊機可以在很大程度上節省金屬材料,減少外形尺寸及重量,大大減少電能損耗,更重要的是,逆變焊機能夠在微妙級的時間內對輸出電流進行調整,所以就能實現焊接過程所要求的理想控制過程,獲得滿意的焊接效果。
    半橋逆變電路的工作原理
    1、半橋逆變電路的等效電路:
    半橋逆變電路
    2、半橋逆變電路的工作原理:上圖中,A、B 分別為兩個半橋中點,uAB 是它們之間的電壓,R 是等效電阻,L 為扼流電感,LC 構成串聯諧振電路,將 uAB 的方波輸入轉變為 C 兩端的近似正弦波,完成了逆變過程。
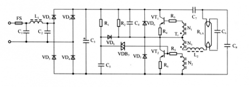
    3、典型電子日光燈電路中的應用:
    半橋逆變電路
    圖中 L2、C6、RLA,就是半橋逆變電路,燈管等效電阻是由燈管電壓和燈管電流決定。
    左側電路將直流電轉換成方波(為了順利起振和持續振蕩,電路比較復雜),由高頻變壓器提供半橋中點,由 C7、C8 組成無源半橋中點,實現了由直流到交流的逆變。
    烜芯微專業制造二極管,三極管,MOS管,橋堆等20年,工廠直銷省20%,4000家電路電器生產企業選用,專業的工程師幫您穩定好每一批產品,如果您有遇到什么需要幫助解決的,可以點擊右邊的工程師,或者點擊銷售經理給您精準的報價以及產品介紹
    相關閱讀