最好看的2018免费观看在线-最好看的2019中文电影-最好免费观看高清视频免费-最近免费中文字幕大全免费版视频

您好!歡迎光臨烜芯微科技品牌官網!

深圳市烜芯微科技有限公司

ShenZhen XuanXinWei Technoligy Co.,Ltd
二極管、三極管、MOS管、橋堆

全國服務熱線:18923864027

  • 熱門關鍵詞:
  • 橋堆
  • 場效應管
  • 三極管
  • 二極管
  • NE555定時器詳解
    • 發布時間:2021-05-12 14:52:49
    • 來源:
    • 閱讀次數:
    NE555定時器詳解
    Ne555定時器是一種集成電路芯片,常被用于定時器、脈沖產生器和振蕩電路。555可被作為電路中的延時器件、觸發器或起振元件。
    1.ne555定時器工作原理
    NE555的工作溫度范圍為0-70°C,軍用級的SE555的工作溫度范圍為−55到+125 °C。555的封裝分為高可靠性的金屬封裝(用T表示)和低成本的環氧樹脂封裝(用V表示),所以555的完整標號為NE555V、NE555T、SE555V和SE555T。一般認為555芯片名字的來源是其中的三枚5KΩ電阻,但Hans Camenzind否認這一說法并聲稱他是隨意取的這三個數字。
    555定時器可工作在三種工作模式下:
    1、單穩態模式:在此模式下,555功能為單次觸發。應用范圍包括定時器,脈沖丟失檢測,反彈跳開關,輕觸開關,分頻器,電容測量,脈沖寬度調制(PWM)等。
    2、無穩態模式:在此模式下,555以振蕩器的方式工作。這一工作模式下的555芯片常被用于頻閃燈、脈沖發生器、邏輯電路時鐘、音調發生器、脈沖位置調制(PPM)等電路中。如果使用熱敏電阻作為定時電阻,555可構成溫度傳感器,其輸出信號的頻率由溫度決定。
    3、雙穩態模式(或稱施密特觸發器模式):在DIS引腳空置且不外接電容的情況下,555的工作方式類似于一個RS觸發器,可用于構成鎖存開關。
    ne555定時器
    2.ne555定時器引腳圖及功能
    ne555定時器
    1腳:GND(地),接地,作為低電平(0V)
    2腳:TRIG(觸發),當此引腳電壓降至1/3VCC(或由控制端決定的閾值電壓)時輸出端給出高電平。
    3腳:OUT(輸出),輸出高電平(+VCC)或低電平。
    4腳:RST(復位),當此引腳接高電平時定時器工作,當此引腳接地時芯片復位,輸出低電平。
    5腳:CTRL(控制),控制芯片的閾值電壓。(當此管腳接空時默認兩閾值電壓為1/3VCC與2/3VCC).
    6腳:THR(閾值),當此引腳電壓升至2/3VCC(或由控制端決定的閾值電壓)時輸出端給出低電平。
    7腳:DIS(放電),內接OC門,用于給電容放電。
    8腳:V+,VCC(供電),提供高電平并給芯片供電。
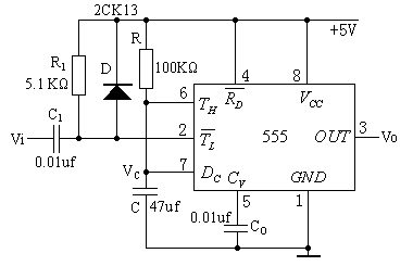
    3.ne555定時器電路圖
    下圖為由555定時器和外接定時元件R、C構成的單穩態觸發器。D為鉗位二極管,穩態時555電路輸入端處于電源電平,內部放電開關管T導通,輸出端Vo輸出低電平,當有一個外部負脈沖觸發信號加到Vi端。并使2端電位瞬時低于1/3V.,低電平比較器動作,單穩態電路即開始一個穩態過程,電容C開始充電,Vc按指數規律增長。當Vc充電到2/ ..時,高電平比較器動作,比較器A1翻轉,輸出Vo從高電平返回低電平,放電開關管T重新導通,電容C上的電荷很快經放電開關管放電,暫態結束,恢復穩定,為下個觸發脈沖的來到作好準備。
    ne555定時器
    烜芯微專業制造二極管,三極管,MOS管,橋堆等20年,工廠直銷省20%,4000家電路電器生產企業選用,專業的工程師幫您穩定好每一批產品,如果您有遇到什么需要幫助解決的,可以點擊右邊的工程師,或者點擊銷售經理給您精準的報價以及產品介紹
    相關閱讀