最好看的2018免费观看在线-最好看的2019中文电影-最好免费观看高清视频免费-最近免费中文字幕大全免费版视频

您好!歡迎光臨烜芯微科技品牌官網!

深圳市烜芯微科技有限公司

ShenZhen XuanXinWei Technoligy Co.,Ltd
二極管、三極管、MOS管、橋堆

全國服務熱線:18923864027

  • 熱門關鍵詞:
  • 橋堆
  • 場效應管
  • 三極管
  • 二極管
  • 高速光耦常用型號-高速光耦及普通光耦的區別
    • 發布時間:2021-06-04 19:00:06
    • 來源:
    • 閱讀次數:
    高速光耦常用型號-高速光耦及普通光耦的區別
    高速光耦常用型號有:
    (1)100K bit/S:6N138、6N139、PS8703;
    (2)1M bit/S:6N135、6N136、CNW135、CNW136、PS8601、PS8602、PS8701、PS9613、PS9713、CNW4502、HCPL-2503、HCPL-4502、HCPL-2530(雙路)、HCPL-2531 (雙路);
    (3)10M bit/S:6N137、PS9614、PS9714、PS9611、PS9715、HCPL-2601、HCPL-2611、HCPL-2630(雙路)、HCPL- 2631(雙路)。
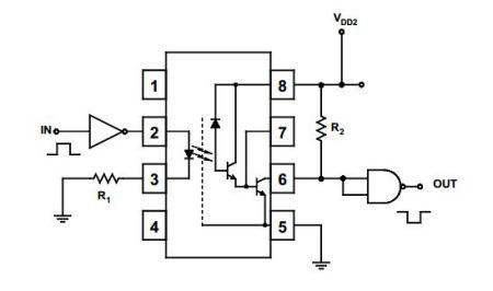
    如圖例,型號為6N136。
    高速光耦,普通光耦
    高速光耦與普通光耦的區別:高速光耦的結構是光敏二極管+放大驅動電路,普通光耦的結構是光敏三極管+放大驅動電路。
    光敏二極管的響應速度(上升下降時間)是納秒級,光敏三極管的響應速度(上升下降時間)是微秒級。不是說普通光耦工作在線性區它就能高速,它固有的響應時間也有上限。另外如果普通光耦工作在線性區,那它也會受限截至頻率Fc(Cut-off Frequency)這個參數,普通光耦的Fc基本在50KHz左右(測試條件VCC=5v、IC=5ma、RL=100R,RL加大Fc更小,RL=1K時,Fc大約在10KHz左右),像TLP521,Fc約50KHz,PC817,Fc約80KHz,CNY117,Fc約250KHz。
    高速光耦,普通光耦
    拓展:光耦合器(opticalcoupler equipment,英文縮寫為OCEP)亦稱光電隔離器或光電耦合器,簡稱光耦。它是以光為媒介來傳輸電信號的器件,通常把發光器(紅外線發光二極管LED)與受光器(光敏半導體管,光敏電阻)封裝在同一管殼內。當輸入端加電信號時發光器發出光線,受光器接收光線之后就產生光電流,從輸出端流出,從而實現了“電—光—電”控制。以光為媒介把輸入端信號耦合到輸出端的光電耦合器,由于它具有體積小、壽命長、無觸點,抗干擾能力強,輸出和輸入之間絕緣,單向傳輸信號等優點,在數字電路上獲得廣泛的應用。
    光電耦合的主要特點如下:
    1.輸入和輸出端之間絕緣,其絕緣電阻一般都大于10000MΩ,耐壓一般可超過1kV,有的甚至可以達到10kV以上。
    2.由于光接收器只能接受光源的信息,反之不能,所以信號從光源單向傳輸到光接收器時不會出現反饋現象,其輸出信號也不會影響輸入端。
    3.由于發光器件(砷化鎵紅外二極管)是阻抗電流驅動性器件,而噪音是一種高內阻微電流電壓信號。因此光電耦合器件的共模抑制比很大,所以,光電耦合器件可以很好地抑制干擾并消除噪音。
    4.容易和邏輯電路配合。
    5.響應速度快。光電耦合器件的時間常數通常在毫秒甚至微秒級。
    6.無觸點、壽命長、體積小、耐沖擊。
    烜芯微專業制造二極管,三極管,MOS管,橋堆等20年,工廠直銷省20%,4000家電路電器生產企業選用,專業的工程師幫您穩定好每一批產品,如果您有遇到什么需要幫助解決的,可以點擊右邊的工程師,或者點擊銷售經理給您精準的報價以及產品介紹
    相關閱讀