最好看的2018免费观看在线-最好看的2019中文电影-最好免费观看高清视频免费-最近免费中文字幕大全免费版视频

您好!歡迎光臨烜芯微科技品牌官網!

深圳市烜芯微科技有限公司

ShenZhen XuanXinWei Technoligy Co.,Ltd
二極管、三極管、MOS管、橋堆

全國服務熱線:18923864027

  • 熱門關鍵詞:
  • 橋堆
  • 場效應管
  • 三極管
  • 二極管
  • 小型穩壓電源的設計和制作
    • 發布時間:2021-06-22 18:46:04
    • 來源:
    • 閱讀次數:
    小型穩壓電源的設計和制作
    1.電路工作原理
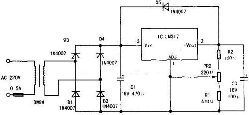
    用三端可調正壓集成穩壓器LM317構成的穩壓電源電路如下圖所示。圖中220V的交流電經保險管送到變壓器的初級線圈,并從次級線圈感應出經約9V的交流電壓送到由四個二極管組成的橋式整流器。經過Cl濾波后的比較穩定的直流電送到三端穩壓集成電路LM317的Vin端(3腳)。LM317由Vin端給它提供工作電壓以后,它便可以保持其+Vout端(2腳)比其ADJ端(1腳)的電壓高1.25V。因此,我們只需要用極小的電流來調整ADJ端的電壓,便可在+Vout端得到比較大的電流輸出,并且電壓比ADJ端高出恒定的1.25V。還可以通過調整PR1來改變輸出電壓一反正LM317會保證接入ADJ端和+Vout端的那部分電阻上的電壓為1.25V,所以可以想到:當PR1向上滑動時,輸出電壓將會升高。
    圖中D5的作用是當有意外情況使得LM317的3腳電壓比2腳電壓還低的時候防止從C3上電壓過高損壞LM317。
    2.元器件選擇
    IC選用LM317或與其功能相同的其它型號。變壓器可以選擇一般常見的9N12V的小型變壓器,二極管選1N4001-1N4007均可。Cl選擇耐壓大于16V、容量470~2200μF的電解電容均可。C2選用普通的瓷片電容即可。C3的選擇類似于Cl。電阻選用1/8W的小型電阻。
    3.制作印制電路板
    利用ProtELDXP2004SP2軟件繪制原理圖,從原理圖生成印制電路板圖,用熱轉印法制作印制電路板。使用單面敷銅板,尺寸為:100×50mm,參考圖如下圖所示。
    小型穩壓電源
    4.安裝與調試
    裝配時要注意的是二極管、電解電容器的極性。
    LM317因工作電流較小,可以不加散熱片。裝好后再檢查一遍,無誤后接通電源。這時用萬用表測量Cl兩端,應有11V左右的電壓,再測C3兩端,應有2—7V的電壓。再調節PR1,C3兩端的電壓應該能夠改變,調到你所需要的電壓即可。輸出端可以接一根十字插頭線,以便與隨身聽等用電器相連。
    5.擴展應用LM317的輸出電壓可以從1.25V連續調節到37V。
    其輸出電壓可以由下式算出:
    輸出電壓=1.25×(1+ADJ端到地的電阻/ADJ端到+Vout端的電阻)。
    如果需要其它的電壓值,即可自選改變有關電阻的阻值來得到。值得注意的是,LM317T有一個最小負載電流的問題,即只有負載電流超過某一值時,它才能起到穩壓的作用。這個電流隨器件的生產廠家不同在3~8mA不等,這個可以通過在負載端接一個合適的電阻來解決。
    烜芯微專業制造二極管,三極管,MOS管,橋堆等20年,工廠直銷省20%,4000家電路電器生產企業選用,專業的工程師幫您穩定好每一批產品,如果您有遇到什么需要幫助解決的,可以點擊右邊的工程師,或者點擊銷售經理給您精準的報價以及產品介紹
    相關閱讀