最好看的2018免费观看在线-最好看的2019中文电影-最好免费观看高清视频免费-最近免费中文字幕大全免费版视频

您好!歡迎光臨烜芯微科技品牌官網!

深圳市烜芯微科技有限公司

ShenZhen XuanXinWei Technoligy Co.,Ltd
二極管、三極管、MOS管、橋堆

全國服務熱線:18923864027

  • 熱門關鍵詞:
  • 橋堆
  • 場效應管
  • 三極管
  • 二極管
  • 74LS04概述和引腳圖及74LS04應用電路圖詳解
    • 發布時間:2021-07-13 16:53:16
    • 來源:
    • 閱讀次數:
    74LS04概述和引腳圖及74LS04應用電路圖詳解
    74ls04概述
    74ls04是帶有6個非門的芯片,是六輸入反相器,也就是有6個反相器,它的輸出信號與輸入信號相位相反。六個反相器。共用電源端和接地端,其它都是獨立的。輸出信號手動負載的能力也有一定程度的放大。
    反相器是可以將輸入信號的相位反轉180度,這種電路應用在模擬電路,比如說音頻放大,時鐘振蕩器等。在電子線路設計中,經常要用到反相器。
    74LS04是一個數字控制開關芯片簡單來說里面就是幾個電子開關電路由外部信號控制內部開關狀態,在節日彩燈中起控制彩燈按設的順序亮和滅的作用。
    74ls04引腳功能及真值表
    74LS04
    74ls04引腳圖
    74LS04
    74ls04應用電路圖大全
    74ls04應用電路圖一:環形振蕩器電路
    74LS04
    圖中為帶有RC延遲電路的非門環形自激多諧振蕩器實驗電路。振蕩電路由非門IC1、IC2、IC3及定時電路元件RP、C等組成,由IC3輸出矩形波信號。R1為保護電阻器,避免定時電容器c反向放電時有可能造成IC3門電路損壞。非門IC4使振蕩器輸出波形較好的矩形波。
    振蕩頻率估算f>1/2.3RC T>2.3RC
    定時電阻器電阻值在100-10002范圍內選取,定時電容器C取值范圍較大,從幾百皮法(pF)至幾百微法范圍內選職,可以使振蕩頻率范圍從幾兆赫茲到幾赫茲。把定時電阻器換成電位器(1.5k92),能連續調節振蕩頻率,并且有較大的覆蓋率。用到的芯片有74ls04。
    74ls04應用電路二:對稱方波振蕩器
    圖中為非門對稱方波自激多諧振蕩器實驗電路,由于電路對稱,輸出振蕩波形占空比為1:1,為方波,故稱對稱方波振蕩器。
    在振蕩電路中,非門IC1輸出端經過定時電容器C2耦合到非門IC2輸入端,同樣IC2輸出端經C1耦合到IC1輸入端,兩個非門通過電容器互相耦合形成正反饋閉環電路,因而能夠產生方波振蕩。當R1=R4=R,C1=C2=C時,振蕩頻率估算公式:
    f≈1/RC
    74LS04
    振蕩周期T≈RC。定時電阻器R1、R4取值為1~2.2kΩ,定時電容器C1、C2取值范圍較大,可以從幾十皮法至幾百微法,振蕩頻率范圍從幾赫茲到數兆赫茲。
    74ls04應用電路三:簡易自激多諧振蕩器
    圖中為簡易非門自激多諧振蕩器實驗電路,它由非門振蕩器IC1、IC2,反相器IC3,紅色、綠色發光二極管和電源GB供電系統組成。IC1、IC2作為振蕩器的開關環節,R1、C定時電路產生延時正反饋信號控制開關環節周期性的開通和關閉,使IC2輸出矩形波。反相器IC3使紅色、綠色發光二極管與振蕩器同步交替閃亮。
    74LS04
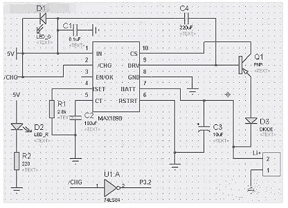
    74ls04應用電路圖四:充電控制電路
    充電狀態輸出引腳/CHG經反相器74LS04后與單片機的P3.2口連接,觸發外部中斷。PNP為P溝道的場效應管或三極管。D1為綠色發光二極管,處于通電狀態時亮;D2為紅色放光二極管,電源接通時亮。R1設置充電電流的電阻,阻值為2.8千歐,設置最大充電電流為500mA;C2為設置充電時間的電容,容值為100μF,設置最大充電時間為3小時。
    74LS04
    充電電路控制部分
    74ls04應用電路五:與三極管組成的按鍵喚醒電路
    下圖是采用非門芯片(74ls04)與三極管(這里采用8050) 組成的按鍵喚醒電路:
    74LS04
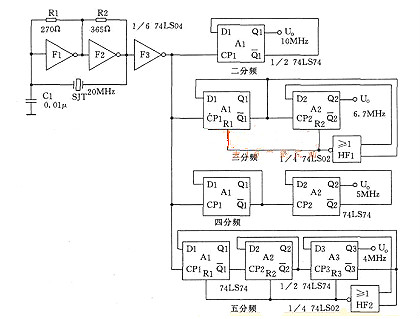
    74ls04應用電路六:晶體振蕩器與分頻器(74ls04)電路
    74LS04
    烜芯微專業制造二極管,三極管,MOS管,橋堆等20年,工廠直銷省20%,上萬家電路電器生產企業選用,專業的工程師幫您穩定好每一批產品,如果您有遇到什么需要幫助解決的,可以點擊右邊的工程師,或者點擊銷售經理給您精準的報價以及產品介紹
    相關閱讀