最好看的2018免费观看在线-最好看的2019中文电影-最好免费观看高清视频免费-最近免费中文字幕大全免费版视频

您好!歡迎光臨烜芯微科技品牌官網!

深圳市烜芯微科技有限公司

ShenZhen XuanXinWei Technoligy Co.,Ltd
二極管、三極管、MOS管、橋堆

全國服務熱線:18923864027

  • 熱門關鍵詞:
  • 橋堆
  • 場效應管
  • 三極管
  • 二極管
  • USB接口的光電隔離保護方案與其實現
    • 發布時間:2021-08-10 17:37:18
    • 來源:
    • 閱讀次數:
    USB接口的光電隔離保護方案與其實現
    本文涉及對USB(通用串行總線)接口進行光電隔離保護的方案設計及其實現。本方案將USB(通用串行總線)信號D+、D-的三種狀態轉換為光電耦合器的發光二極管的三種強度全亮、半亮、暗,并且傳輸到光電耦合器的光敏三極管接收器再通過相應電路恢復D+、D-的三種狀態。光敏三極管接收器電路的輸出信號之一觸發單穩延時電路來控制D+、D-與光發射電路、光接收電路的通與斷。
    目前計算機的USB接口已經大量使用,一般每臺電腦都有2到4個USB口。當一臺電腦同時接多個USB外部設備時,如果這些外部設備介入了高電壓干擾,就可能會燒壞電腦的USB口甚至電腦以及外設。目前電腦的幾種通信接口中,MODEM口以及以太網接口由于本身具有變壓器隔離所以不容易損壞,而RS-232串口也可以選用波仕的RS-232光電隔離器來進行有效的保護,只有USB以及類似的1394接口目前還沒有方便的隔離保護方案。
    實現原理
    本文提供了一種對USB信號進行光電隔離的電路,可以使USB的接口得到保護。
    光電隔離保護方案
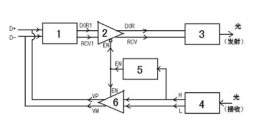
    USB接口的光電隔離保護方案及其實現 將USB信號(D+、D-)轉換為光信號的原理框圖
    圖1為將USB信號(D+、D-)轉換為光信號的原理框圖。
    USB信號檢測電路(1)將D+和D-變換為“或”門輸出DOR1和差分比較器輸出RCV1。一雙可控三態緩沖器(2)通過控制端EN來控制邏輯“通”與“端”。當EN=“0”時,DOR=DOR1、RCV=RCV1。而當EN=“1”時,DOR和RCV為高阻狀態。光發射驅動電路(3)將DOR和RCV轉換為三種光強度(亮、半亮、暗)。光接收電路(4)將接收到的三種光強度(亮、半亮、暗)恢復為D+和D-的三種狀態。光接收電路(4)的輸出之一H的狀態變化觸發單穩延時電路(5)。單穩延時電路(5)的輸出EN平時(即USB信號處于閑置狀態時)為“0”,當其輸入H有下降延(即由“1”變為“0”)時輸出EN由“0”變為“1”并且保持為“1”大約1000us,然后恢復為“0”。另一雙可控三態緩沖器(2)通過控制端EN來控制來控制邏輯“通”與“斷”,當EN=“1”時,VP=H、VM=L,而當EN=“0”時輸出VP、VM為高阻狀態。
    具體實施方式
    光電隔離保護方案
    USB接口的光電隔離保護方案及其實現 
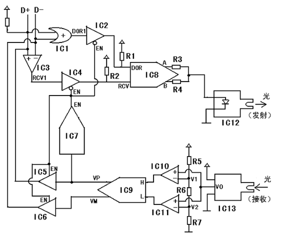
    圖2為將USB信號轉換為光信號的具體電路圖。
    假設USB為全速狀態(12M),此時D+通過大約1.5KΩ的電阻接+5V電源。平時USB信號處于閑置(Idle)狀態,此時D+為“1”(高電平,大約3至5V),D-為邏輯“0”(低電平,大約0至1.4V)。IC1為“或”門。IC2、IC4、IC5和IC6為可控三態緩沖器。其中,IC2和IC4是當其控制信號EN為“0”時導通的,而IC5和IC6是當其控制信號EN為“1”時導通的。由于IC2和IC4在不導通時(即EN為“1”時)輸出為高阻狀態,所以在IC2的輸出端加了上拉電阻R1、在IC4的輸出端加了上拉電阻R2。IC3、IC10和IC11是比較器。IC7是單穩觸發電路由輸入端(信號VP)下降沿觸發,輸出EN平時為“0”。當IC7的輸入端出現一個下降沿時,其輸出端將出現一個持續時間大約1000us的“1”狀態,然后恢復為“0”。IC7的輸出信號EN通過控制IC2、IC4、IC5和IC6來控D+、D-的“收/發”狀態。由于EN平時為“0”,所以平時允許接收D+和D-(IC2、IC4導通),而禁止發送信號到D+和D-上(IC5和IC6輸出為高阻態)。IC8是一個復合邏輯電路,其輸入、輸出以及光發射二極管的光強度關系如表1:
    光電隔離保護方案
    (表格中的X表示任意狀態,即:1或者0均可)
    IC8的輸出A和B是具有足夠電流驅動能力的電壓,通過電阻R3和R4送給光發射二極管IC12。光發射二極管IC12的輸出光強度大致正比于輸入電流。當A和B同時為“1”時,通過光發射二極管的電流最大,所以此時光強度狀態稱為“全亮”。當A為“1”、B為“0”時,電流只有大約一半,此時光強度狀態為“半亮”。當A為“0”、B為“0”時,電流為0,此時光強度狀態為“暗”。IC13為光接收器。由于如圖描述的電路是實際產品的一半,即在相互光電隔離的兩個USB口各加一個這樣的USB轉光的電路,所以IC13光接收器接對方電路的光發射二極管的光(即通過光電耦合器)。IC13接收光,IC13的輸出為與接收到的光的強度大致成正比的電壓。無接收光時(即對方發射的光強度為“暗”),IC13的輸出V0大約為0。由于比較器IC10、IC11的負端輸入電壓都大于0,所以IC10和IC11的輸出的邏輯狀態均為“0”,即H=“0”且L=“0”。當對方光發射強度為“全亮”時,IC13的輸出電壓比V1和V2都大(V1、V2的值都可通過調節電阻R5、R6和R7的值得到),所以IC10、IC11的輸出的邏輯狀態為H=“1”且L=“1”。當對方光發射強度為“半亮”時,IC13的輸出電壓比V1大而比V2小(V1、V2的值都可通過調節電阻R5、R6和R7的值得到),所以IC10、IC11的輸出的邏輯狀態為H=“0”且L=“1”。IC9是一個復合邏輯電路,其輸入與輸出以及接收光強度的關系如表2。
    光電隔離保護方案
    對于全速USB的信號,平時閑置狀態(Idle)時D+為邏輯“1”、D-為邏輯“0”,所以IC1、IC2的輸出為“1”,IC3、IC4的輸出為“1”,這樣根據表1可知輸出光強度為“暗”。當光強度為“暗”時,根據表2傳到對方電路的光接收器并經過對方電路的IC9后的輸出為VP=“1”、VM=“0”。一旦USB開始傳輸數據,則D+和D-的信號邏輯狀態發生變化。全速USB的信號狀態變化為:D+由“1”變成為“0”,D-由“0”變成為“1”。
    上位機的USB信號狀態先出現變化,此時IC1和IC2的輸出仍然為“1”,IC3和IC4的輸出變成為“0”。根據表1 ,光發射二極管將由“暗”變成為“全亮”。“全亮”的光通過光電耦合器傳到對方電路(與本專利描述的一樣)的光接收管。根據表2,對方電路的VP由“1”變為“0”,VM 由“0”變為“1”。對方電路的VP由“1”變為“0”就是說這個VP產生了一個下降沿,從而觸發了對方電路的IC7,使IC7的輸出EN由“0”變為“1”并且保持“1”大約1000us(然后又恢復為“0”)。對方電路的VM由“0”變為“1”從而使對方電路的USB信號由禁止發送(EN=“0”)變為禁止接收(EN=“1”)。此時對方電路的VP和VM可以通過對方電路的IC5和IC6傳給對方電路的D+和D-,從而使上位機的USB信號在1000us內通過光電耦合器傳到對方電路(即:下位機)的D+和D-線上。在這1000us內可以過光電耦合器傳輸三種D+和D-狀態: ①、 D+為“1”且D-為“0”(代表閑置狀態以及數據“1”)②、 D+為“0”且D-為“1”(代表數據“0”)③、D+為“0”且D-為“0”(代表數據傳輸結束標志)。
    這三種狀態可以表達USB信號的所有狀態(D+為“1”且D-為“1”的狀態是禁止的)。前面已經描述了如何通過光強度的“暗”代表狀態①、“全亮”代表狀態②。而狀態③恰好是通過光強度的“半亮”來表示,具體描述如下:當D+和D-處于狀態 ③時, D+和D-都為“0”,IC1和IC2的輸出為DOR=“0”,根據表1,此時光發射二極管的強度為“半亮”。“半亮”的光傳輸到對方電路的光接收管IC12并且經過對方電路的比較器IC10和IC11,輸出為H=“0”、L=“1”。根據表2,對方電路IC9個輸出為VP=VM=“0”。
    而在單穩電路輸出為“1”的1000us內正好將這個狀態③傳輸給對方電路的D+和D-(均為“0”)。在大約1000us的時間內,恰好上位機向下位機傳輸一幀USB數據完畢,并且等待下位機回傳應答信號。1000us結束后,下位機的IC7的輸出EN恢復為“0”,此時下位機的USB數據狀態先變化。 下位機的USB數據傳輸到上位機的過程與前面描述的上位機的USB數據傳輸到下位機的過程原理完全一樣。
    對于半速USB(1.5M),閑置狀態為D+為“0”且D-為“1”。開始傳輸數據時,D+由“0”變為“1”且D-由“1”變為“0”。同時由于傳輸一幀數據的時間增加了,所以單穩電路的延時時間要相應增加。IC8復合邏輯電路改為閑置狀態時輸出光強度為“暗”(即:不發光)。USB大部分時間為閑置狀態,此時光發射二極管不發光,這樣能夠延長光發射二極管的工作壽命,并且也節省功耗。USB數據傳輸結束的標志還是D+為“0”且D-為“0”。由于IC8復合邏輯電路的邏輯關系改變了,所以相應的IC9復合邏輯電路的邏輯關系也要改變,以便產生下降沿輸出以及能夠將D+和D-的狀態在對方電路的D+和D-線上正確恢復。
    對于高速USB(480M),由于傳輸一幀數據的時間減少了,所以單穩電路的延時時間要相應減小。
    電話:18923864027(同微信)
    QQ:709211280
    〈烜芯微〉專業制造二極管,三極管,MOS管,橋堆等20年,工廠直銷省20%,上萬家電路電器生產企業選用,專業的工程師幫您穩定好每一批產品,如果您有遇到什么需要幫助解決的,可以點擊右邊的工程師,或者點擊銷售經理給您精準的報價以及產品介紹
    相關閱讀