最好看的2018免费观看在线-最好看的2019中文电影-最好免费观看高清视频免费-最近免费中文字幕大全免费版视频

您好!歡迎光臨烜芯微科技品牌官網!

深圳市烜芯微科技有限公司

ShenZhen XuanXinWei Technoligy Co.,Ltd
二極管、三極管、MOS管、橋堆

全國服務熱線:18923864027

  • 熱門關鍵詞:
  • 橋堆
  • 場效應管
  • 三極管
  • 二極管
  • LM2596開關電壓調節器,LM2596的應用電路
    • 發布時間:2021-10-25 20:07:43
    • 來源:
    • 閱讀次數:
    LM2596開關電壓調節器,LM2596的應用電路
    LM2596系列開關電壓調節器是降壓型電源管理單片集成電路,能夠輸出3A的驅動電流,同時具有很好的線性和負載調節特性。添加少量的外部元件就可以使用該電壓調節器。該器件內部集成有頻率補償和固定頻率發生器。開關頻率為150KHz,與低頻開關調節器相比較,可以使用更小規格的濾波元件。本文將介紹LM2596的應用電路。
    1.3.3V,5V輸出電源電路圖
    在進行整個控制系統設計時,如果電源系統過于復雜和冗余,不僅會對其他部分電路產生電磁干擾,而且經濟效益也不好,所以設計中所有芯片都選擇的是5 V、3.3 V或者1.8 V供電電壓。這樣,電源設計時只要用3片LM2596和一些電容、電感、二極管等就可以將24 V電壓直接轉化為所需電壓,電路設計不僅容易,也非常經濟,電源電路如圖1所示。具體使用時可以根據需要選擇LM2596-5V、LM2596-3.3V、LM2596-1.8V的芯片。要獲得+1.8 V和+5 V時用圖(a)的接法,要獲得+3.3 V時,用圖(b)的接法。
    LM2596
    圖1 電源電路
    2.典型應用電路
    LM2596
    圖2 典型應用電路圖
    3.應用電路
    LM2596支持輸出可調,在輸入40V時,輸出可連續調整為0~37V,典型應用電路如下圖:
    LM2596
    圖3 應用電路
    注:反饋線要遠離電感,電路中的粗線一定要短,最好用地線屏蔽,調節輸出電壓的電阻R1,R2要靠近LM2596的4腳。
    4.可調限流穩壓器
    LM2596常規應用,不具備電流限制功能,在一些電子設計和輔助設備上,對限流功能有一定的需求,雖然廠家給出的標準應用電路無法完成這一功能,我們可以通過適當的添加功能電路,讓它實現限流功能。如圖4所示:
    LM2596
    圖4 LM2596構成的可調限流穩壓器
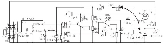
    5.LED開關恒流穩壓電源
    圖5所示是基于LM2596-ADJ 的LED開關恒流穩壓電源。
    LM2596
    圖5 基于LM2596-ADJ 的LED 開關恒流穩壓電源
    該電路含有電壓控制環路和電流控制環路兩個環路。電壓控制環路由運算放大器U2A、R1、R5組成,用于控制電源的最大輸出電壓。
    〈烜芯微/XXW〉專業制造二極管,三極管,MOS管,橋堆等,20年,工廠直銷省20%,上萬家電路電器生產企業選用,專業的工程師幫您穩定好每一批產品,如果您有遇到什么需要幫助解決的,可以直接聯系下方的聯系號碼或加QQ/微信,由我們的銷售經理給您精準的報價以及產品介紹
     
    電話:18923864027(同微信)
    QQ:709211280

    相關閱讀