最好看的2018免费观看在线-最好看的2019中文电影-最好免费观看高清视频免费-最近免费中文字幕大全免费版视频

您好!歡迎光臨烜芯微科技品牌官網!

深圳市烜芯微科技有限公司

ShenZhen XuanXinWei Technoligy Co.,Ltd
二極管、三極管、MOS管、橋堆

全國服務熱線:18923864027

  • 熱門關鍵詞:
  • 橋堆
  • 場效應管
  • 三極管
  • 二極管
  • LM741,LM741的特點參數與引腳功能介紹
    • 發布時間:2021-11-02 21:16:53
    • 來源:
    • 閱讀次數:
    LM741,LM741的特點參數與引腳功能介紹
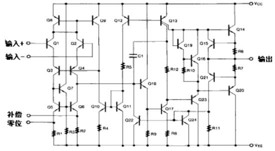
    LM741是一種應用非常廣泛的通用型運算放大器。由于采用了有源負載,所以只要兩級放大就可以達到很高的電壓增益和很寬的共模及差模輸入電壓范圍。本電路采用內部補償,電路比較簡單不易自激,工作點穩定,使用方便,而且設計了完善的保護電路,不易損壞。LM741可應用于各種數字儀表及工業自動控制設備中。
    1.特點
    (1)不需要處部頻率補償
    (2)輸入有過壓保護
    (3)輸出有過載保護
    (4)無阻塞和振蕩現象
    2.參數
    絕對最大額定值:(TA=25℃)
    電源電壓:士22V
    功耗:500mW
    差模輸入電壓:±30V
    輸入電壓:±15V
    工作溫度范圍:-55℃~+125℃
    貯存溫度范圍:-65℃~+150℃
    焊接溫度:300℃
    LM741
    封裝外形圖(管腳朝下)
    LM741
    基本接線圖
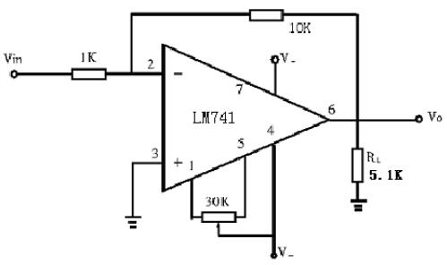
    電路原理圖:
    LM741
    3.引腳功能
    LM741是一款8引腳DIP芯片,這意味著它有8個引腳,它們都具有不同的功能。
    下面是LM741運算放大器芯片的引腳圖:
    LM741
    LM741引腳功能說明
    LM741
    4.工作原理
    當非反相輸入(+)的電壓高于反相輸入( - )的電壓時,比較器的輸出為高電平。如果反相輸入( - )的電壓高于非反相端(+),則輸出為低電平。運算放大器的輸出是增益和輸入電壓的乘積。
    5.使用方法
    一個LM741運算放大器是直流耦合的高增益電子電壓放大器。它內部只有一個運算放大器。運算放大器IC用作比較器,比較兩個信號,即反相和非反相信號。該IC的主要功能是在各種電路中進行數學運算。運算放大器具有很大的增益,通常用作電壓放大器。LM741可以采用單電源或雙電源供電。
    輸出電壓=增益*輸入電壓
    LM741
    運算放大器可以通過兩種方式使用:
    (1)反相運算放大器
    當輸入源連接到反相端子PIN 2并通過輸出PIN 6反饋時,運算放大器處于反相狀態。就像PIN 2具有+ ve極性一樣,我們將獲得PIN 6輸出的極性。
    GAIN = Rf / R1
    LM741
    (2)同相運算放大器
    當輸入源連接到非反相端子PIN 3并且PIN 2通過輸出PIN 6反饋時,則運算放大器處于非反相狀態。就像PIN 3具有+ ve極性一樣,我們將獲得PIN 6輸出的+ ve極性。
    GAIN = 1+(Rf / R1)
    LM741
    〈烜芯微/XXW〉專業制造二極管,三極管,MOS管,橋堆等,20年,工廠直銷省20%,上萬家電路電器生產企業選用,專業的工程師幫您穩定好每一批產品,如果您有遇到什么需要幫助解決的,可以直接聯系下方的聯系號碼或加QQ/微信,由我們的銷售經理給您精準的報價以及產品介紹
     
    電話:18923864027(同微信)
    QQ:709211280
    相關閱讀