最好看的2018免费观看在线-最好看的2019中文电影-最好免费观看高清视频免费-最近免费中文字幕大全免费版视频

您好!歡迎光臨烜芯微科技品牌官網!

深圳市烜芯微科技有限公司

ShenZhen XuanXinWei Technoligy Co.,Ltd
二極管、三極管、MOS管、橋堆

全國服務熱線:18923864027

  • 熱門關鍵詞:
  • 橋堆
  • 場效應管
  • 三極管
  • 二極管
  • 電力晶體管的驅動和保護介紹
    • 發布時間:2021-11-26 18:52:45
    • 來源:
    • 閱讀次數:
    電力晶體管的驅動和保護介紹
    由于電力晶體管既具備晶體管飽和壓降低、開關時間短和安全工作區寬等固有特性,又增大了功率容量;因此由它所組成的電路靈活、成熟、開關損耗小、開關時間短,在電源、電機控制、通用逆變器等中等容量、中等頻率的電路中應用廣泛。缺點是驅動電流較大、耐浪涌電流能力差、易受二次擊穿而損壞,所以為了解決這些問題,電力晶體管設置了驅動電路與保護電路,它們有什么功能?下面一起來看看:
    1.驅動電路
    驅動電路性能不好,輕則使電力晶體管不能正常工作,重則導致電力晶體管損壞。其特性是決定電流上升率和動態飽和壓降大小的重要因素之一。增加基極驅動電流使電流上升率增大,使電力晶體管飽和壓降降低,從而減小開通損耗。過大的驅動電流,使電力晶體管飽和過深,退出飽和時間越長,對開關過程和減小關斷損耗越不利。驅動電路是否具有快速保護功能,是決定電力晶體管在過電壓或過電流后是否損壞的關鍵因素之一。
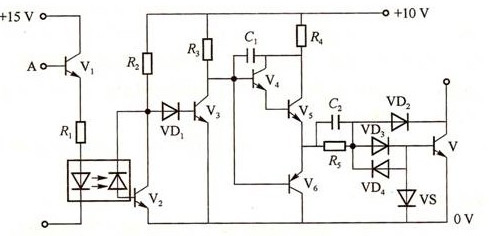
    電力晶體管的驅動電路種類很多,下面介紹一種分立元件電力晶體管的驅動電路,如圖1所示。電路由電氣隔離和晶體管放大電路兩部分構成。電路中的二極管VD2和電位補償二極管VD3組成貝克箝位抗飽和電路,可使電力晶體管導通時處于臨界飽和狀態。當負載輕時,如果V5的發射極電流全部注入V,會使V過飽和,關斷時退飽和時間延長。有了貝克電路后,當V過飽和使得集電極電位低于基極電位時,VD2就會自動導通,使得多余的驅動電流流入集電極,維持Ubc≈0。這樣,就使得V導通時始終處于臨界飽和。圖中的C2為加速開通過程的電容,開通時,R5被C2短路。這樣就可以實現驅動電流的過沖,同時增加前沿的陡度,加快開通。另外,在V5導通時C2充電,充電的極性為左正右負,為電力晶體管的關斷做做準備。當V5截止V6導通時,C2上的充電電壓為V管的發射結施加反電壓,從而電力晶體管迅速關斷。
    晶體管
    圖1 分立元件電力晶體管的驅動電路
    2.保護電路
    (1)過電流、短路保護
    由于電力晶體管存在二次擊穿等問題,而且二次擊穿很快,遠遠小于快速熔斷器的熔斷時間,因此諸如快速熔斷器之類的過電流保護方法對電力晶體管類電力電子設備來說是無用的。
    電力晶體管的過電流保護要依賴于驅動和特殊的保護電路。
    (a)電壓狀態識別保護
    當電力晶體管處于過載或短路故障狀態時,隨著集電極電流的急劇增加,其基射極電壓和集射極電壓均發生相應變化,可利用這一特點對電力晶體管進行過載和短路保護。電路圖如圖2所示。
    晶體管
    圖2 電壓識別保護電路
    (b)橋臂互鎖保護
    逆變器運行時,可能發生橋臂短路故障,造成器件損壞。只有確認同一橋臂的一個電力晶體管關斷后,另一個電力晶體管才能導通。這樣能防止兩管同時導通,避免橋臂短路。
    電力晶體管的熱容量極小,過電流能力很低,要求故障檢測、信號傳送及保護動作能瞬間完成,要在微秒級的時間內將電流限制在過載能力的限度以內。
    (2)欠飽和過飽和保護
    電力晶體管的二次擊穿多由于電力晶體管工作于過飽和狀態引起的,而過基極驅動引起的過飽和又使電力晶體管的存儲時間不必要地加長,直接影響著電力晶體管的開關頻率,所以電力晶體管的過飽和及欠飽和保護對它的安全可靠工作有著極其重要的作用。通常欠飽和保護可根據被驅動電力晶體管的基射極電壓降的高低來自動調節基極驅動電流的大小,構成準飽和基極驅動器來完成。
    以上就是電力晶體管的驅動與保護介紹了。電力晶體管與一般雙極型晶體管有相似的結構、工作原理和特性。它們都是3層半導體,2個PN結的三端器件,有PNP和NPN這2種類型;但是,目前電力晶體管多采用NPN型。
    〈烜芯微/XXW〉專業制造二極管,三極管,MOS管,橋堆等,20年,工廠直銷省20%,上萬家電路電器生產企業選用,專業的工程師幫您穩定好每一批產品,如果您有遇到什么需要幫助解決的,可以直接聯系下方的聯系號碼或加QQ/微信,由我們的銷售經理給您精準的報價以及產品介紹
     
    電話:18923864027(同微信)
    QQ:709211280

    相關閱讀