最好看的2018免费观看在线-最好看的2019中文电影-最好免费观看高清视频免费-最近免费中文字幕大全免费版视频

您好!歡迎光臨烜芯微科技品牌官網!

深圳市烜芯微科技有限公司

ShenZhen XuanXinWei Technoligy Co.,Ltd
二極管、三極管、MOS管、橋堆

全國服務熱線:18923864027

  • 熱門關鍵詞:
  • 橋堆
  • 場效應管
  • 三極管
  • 二極管
  • MBR3040CT肖特基二極管,MBR3040CT二極管參數
    • 發布時間:2021-08-27 16:26:13
    • 來源:
    • 閱讀次數:
    MBR3040CT肖特基二極管,MBR3040CT二極管參數規格書
    MBR3040CT肖特基二極管30A 40V,MBR3040CT有TO220,TO220F兩種封裝,MBR3040CT二極管參數規格書
    MBR3040CT
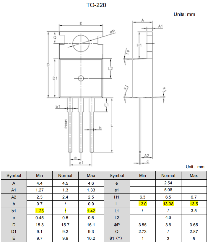
    MBR3040CT肖特基二極管TO-220封裝規格書:點擊下載
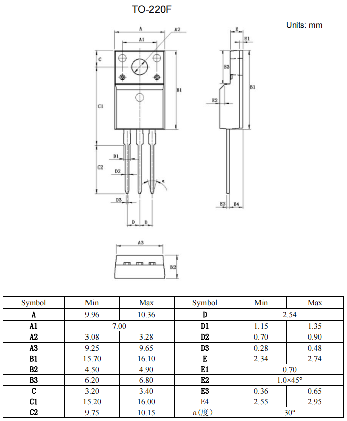
    MBRF3040CT肖特基二極管TO-220F封裝規格書:點擊下載
    MBR3040CT肖特基二極管TO-220,TO-220F封裝參數如下:
    MBR3040CT
    Maximum repetitive peak reverse voltage VRRM 最大重復峰值反向電壓:40V
    Maximum DC blocking voltage VDC 最大直流閉鎖電壓:40V
    Maximum average forward rectified current I(AV) 最大正向平均整流電流:30.0A
    Maximum Forward Voltage at 15A per leg VF 每只腳 15A 時的最大正向電壓:0.68V
    Maximum DC reverse current at rated DC blocking voltage TA=25℃ IR 額定直流阻斷電壓下的最大直流反向電流:0.1mA
    Maximum DC reverse current at rated DC blocking voltage TA=125℃ IR 額定直流阻斷電壓下的最大直流反向電流:20.0mA
    Operating junction and storage temperature range TJ,TSTG 工作溫度和存儲溫度范圍:-65to +175℃
    MBR3040CT肖特基二極管封裝,TO-220封裝尺寸:
    MBR3040CT
    MBR3040CT肖特基二極管封裝,TO-220F封裝尺寸:
    MBR3040CT
    聯系號碼:18923864027(同微信)
    QQ:709211280
    〈烜芯微/XXW〉專業制造二極管,三極管,MOS管,橋堆等,20年,工廠直銷省20%,1500家電路電器生產企業選用,專業的工程師幫您穩定好每一批產品,如果您有遇到什么需要幫助解決的,可以直接聯系上方的聯系號碼或加QQ,由我們的銷售經理給您精準的報價以及產品介紹
    相關閱讀