最好看的2018免费观看在线-最好看的2019中文电影-最好免费观看高清视频免费-最近免费中文字幕大全免费版视频

您好!歡迎光臨烜芯微科技品牌官網!

深圳市烜芯微科技有限公司

ShenZhen XuanXinWei Technoligy Co.,Ltd
二極管、三極管、MOS管、橋堆

全國服務熱線:18923864027

  • 熱門關鍵詞:
  • 橋堆
  • 場效應管
  • 三極管
  • 二極管
  • BT139-600E可控硅參數,BT139-600E引腳圖,BT139-600E代換
    • 發布時間:2021-11-30 17:47:53
    • 來源:
    • 閱讀次數:
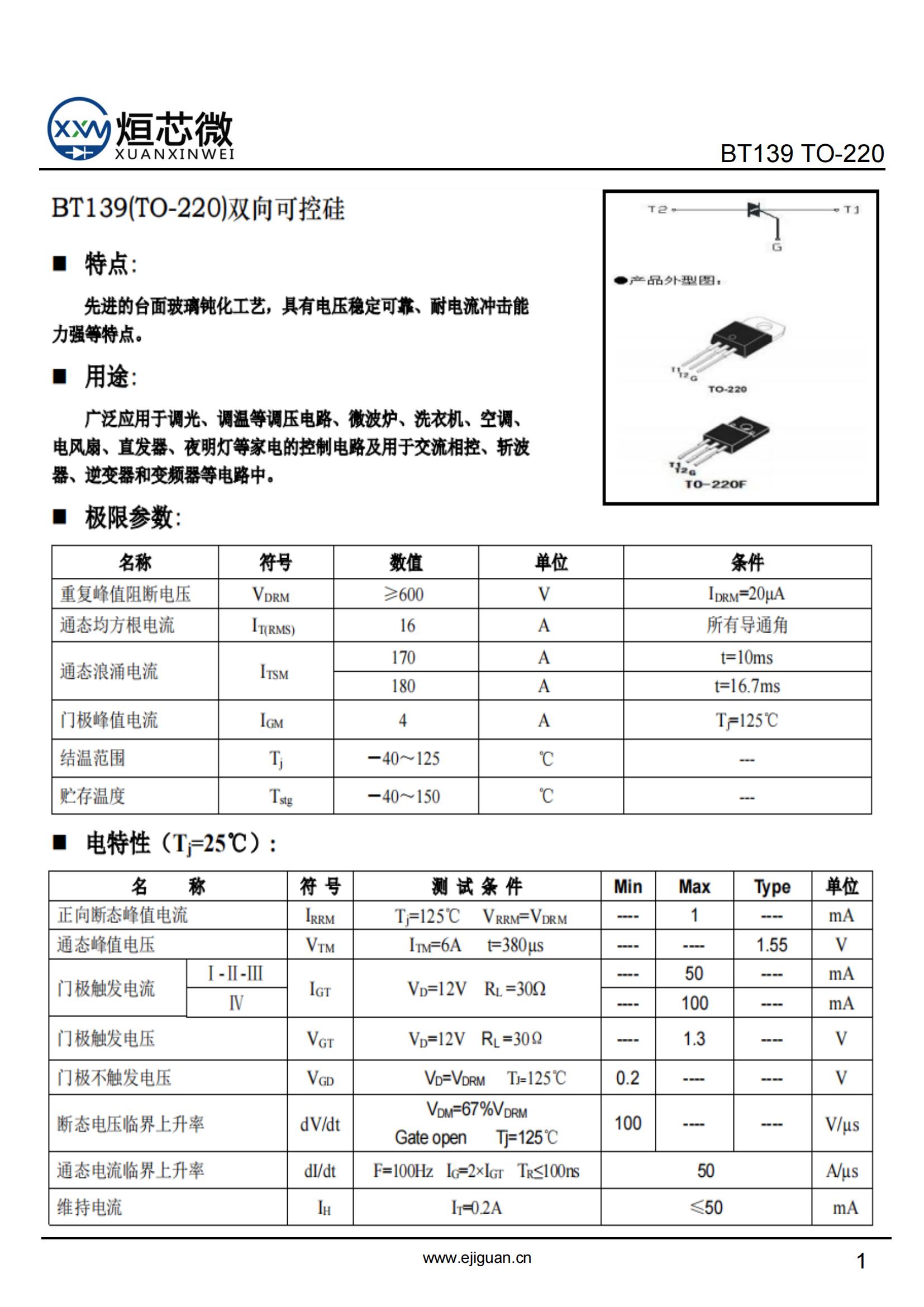
    BT139-600E可控硅參數,BT139-600E引腳圖,BT139-600E代換
    BT139-600E可控硅參數,BT139-600E引腳圖封裝,BT139-600E代換,BT139-600E參數規格書
    BT139-600E
    BT139-600E TO-220參數封裝:點擊查看BT139-600E
    BT139-600E封裝有:TO-220/TO-220F
    BT139-600E可控硅參數如下:
    BT139-600E
    Peak Repetitive Forward and Reverse Blocking Voltage 峰值重復正向和反向阻斷電壓 VDRM and VRRM:≥600V
    Forward Current RMS 通態電流 IT(RMS):16A
    Peak Forward Surge Current, T=10ms 峰值正向浪涌電流 ITSM:170A
    Forward "On" Voltage 通態電壓 VTM:1.55V
    Gate Trigger Current 門極觸發電流 IGT:50mA
    Gate Trigger Voltage 門極觸發電壓 VGT:1.3V
    Operating Junction Temperature Range 工作結溫度范圍 TJ:-40 to +125℃
    Storage Temperature Range 儲存溫度 Tstg:-40 to +150℃
    BT139-600E可控硅/TO-220封裝尺寸:

    BT139-600E
    BT139-600E可控硅/TO-220F封裝尺寸:
    BT139-600E
    〈烜芯微/XXW〉專業制造二極管,三極管,MOS管,橋堆等,20年,工廠直銷省20%,上萬家電路電器生產企業選用,專業的工程師幫您穩定好每一批產品,如果您有遇到什么需要幫助解決的,可以直接聯系下方的聯系號碼或加QQ/微信,由我們的銷售經理給您精準的報價以及產品介紹
     
    聯系號碼:18923864027(同微信)
    QQ:709211280
    相關閱讀