最好看的2018免费观看在线-最好看的2019中文电影-最好免费观看高清视频免费-最近免费中文字幕大全免费版视频

您好!歡迎光臨烜芯微科技品牌官網!

深圳市烜芯微科技有限公司

ShenZhen XuanXinWei Technoligy Co.,Ltd
二極管、三極管、MOS管、橋堆

全國服務熱線:18923864027

  • 熱門關鍵詞:
  • 橋堆
  • 場效應管
  • 三極管
  • 二極管
  • BAT54H,BAT54H二極管參數,BAT54H引腳圖,BAT54H中文資料
    • 發布時間:2021-12-17 18:15:43
    • 來源:
    • 閱讀次數:
    BAT54H,BAT54H二極管參數,BAT54H引腳圖,BAT54H中文資料
    BAT54H二極管,BAT54H二極管封裝為SOD-323,BAT54H的作用,BAT54H絲印JV
    BAT54H
    BAT54H二極管參數規格書: 點擊查看BAT54H
    BAT54H二極管,SOT-23封裝參數如下:
    BAT54H
    Maximum repetitive peak reverse voltage VRRM 最大重復峰值反向電壓:30V
    Forward Current  IF 電流:200mA
    Forward voltage IF=100mA VF 壓降:0.8V
    Power Dissipation PD 功耗:200mW
    Operating junction and storage temperature range TJ,TSTG 工作溫度和存儲溫度范圍:-55to +150℃
    Reverse recovery time  Trr 時間:5ns
    BAT54H二極管,SOD-323封裝尺寸:
    BAT54H
    BAT54H二極管,SOT-23封裝尺寸:
    BAT54H
    BAT54H二極管,SOT-323封裝尺寸:
    BAT54H
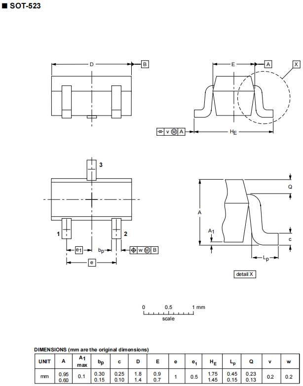
    BAT54H二極管,SOT-523封裝尺寸:
    BAT54H
    〈烜芯微/XXW〉專業制造二極管,三極管,MOS管,橋堆等,20年,工廠直銷省20%,上萬家電路電器生產企業選用,專業的工程師幫您穩定好每一批產品,如果您有遇到什么需要幫助解決的,可以直接聯系下方的聯系號碼或加QQ/微信,由我們的銷售經理給您精準的報價以及產品介紹
     
    聯系號碼:18923864027(同微信)
    QQ:709211280
     
    相關閱讀