最好看的2018免费观看在线-最好看的2019中文电影-最好免费观看高清视频免费-最近免费中文字幕大全免费版视频

您好!歡迎光臨烜芯微科技品牌官網!

深圳市烜芯微科技有限公司

ShenZhen XuanXinWei Technoligy Co.,Ltd
二極管、三極管、MOS管、橋堆

全國服務熱線:18923864027

  • 熱門關鍵詞:
  • 橋堆
  • 場效應管
  • 三極管
  • 二極管
  • OCL電路的組成與工作原理解析
    • 發布時間:2022-05-21 15:51:16
    • 來源:
    • 閱讀次數:
    OCL電路的組成與工作原理解析
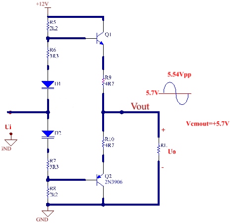
    為了消除基本OCL電路所產生交越失真,應當設置合適的靜態工作點,使兩只放大晶體三極管均工作在臨界導通或微導通狀態。能夠消除交越失真的OCL電路如圖1所示。
    OCL電路
    圖(1)消除交越失真的OCL電路
    在上圖中,靜態時,從+12V經過R5、R6、D1、D2、R7、R8到GND有一個直流電流,它在Q1和Q2管兩個基極之間所產生的電壓為Ub1b2=UR6+UD1+UD2+UR7,
    使Ub1b2略大于Q1管發射結和Q2管發射結開啟電壓之和,從而使兩只管子均處于微導通態,即都有一個微小的基極電流,分別為Ib1和Ib2。調節R6和R7,可使發射極靜態電位Vout為0V,即輸出電壓Vo為0V。
    當所加信號Ui按正旋規律變化時,由于二極管D1、D2的動態電阻很小,而且R6和R7的阻值也比較小,因而可以認為Q1管基極電位的變化與Q2管基極電位的近似相等,即Ub1≈Ub2≈Ui。
    也就是說,可以認為兩管基極之間電位差基本是一個恒定值,兩個基極的電位隨Ui產生相同變化。
    這樣,當Ui》2.5V且逐漸增大時Vbe1逐漸變大,Q1的基極電流Ib1隨之增大,發射極電流Ie1也必然增大,負載電阻RL上得到正方向的電流;與此同時,Ui的增大使Veb2減小,當減小到一定數值時,Q2管截至。
    同樣道理,當Vi《2.5v且逐漸減小時, Veb2逐漸增大,Q2的基極電流Ib2隨之增大,發射極電流Ie2必然也會增大,負載電阻RL上得到負方向的電流;與此同時,Ui的減小,使Vbe1減小,當減小到一定數值時,Q1管截至。
    這樣,即使Ui很小,總能保證至少有一個晶體三極管導通,因此消除了交越失真。Q1和Q2管在Ui的作用下,其輸入特性的中的圖解分析如下圖所示:
    OCL電路
    圖(1.1) 輸入特性的中的圖解分析
    Q1和Q2靜態工作點以下,輸入信號越大到越小,到Q1截至,Ui無信號,Q1又回到了靜態工作點電流。
    輸入信號越小到越大,到Q2截至,Ui很小的時候(無信號),Q2又回到了靜態工作點電流。
    綜上所述,輸入信號的正半周主要是Q1管發射極驅動負載,負半周主要是Q2管發射極驅動負載,而且兩管的導通時間都比輸入信號的半個周期要長,即在輸入電壓很小的時候,兩只管子同時導通,因而他們工作在甲乙類狀態。
    值得注意的是,若靜態工作點失調,例如R6、D1、D2、R7中的任意一個元器件虛焊,
    則從12V經過R5、Q1管的發射結,R9R10,Q2的發射結到R8到GND形成一條通路,有較大的基極電流Ib1和Ib2流過,從而導致Q1和Q2有很大的集電極電流Ic1和Ic2,
    且每只管子的最大管壓降VCE都約等于12V,以至于Q1和Q2管可能因為功耗過大而損壞。因此,R9和R10的作用就非常重要了,可以分擔Q1Q2 的VCE的壓降。
    〈烜芯微/XXW〉專業制造二極管,三極管,MOS管,橋堆等,20年,工廠直銷省20%,上萬家電路電器生產企業選用,專業的工程師幫您穩定好每一批產品,如果您有遇到什么需要幫助解決的,可以直接聯系下方的聯系號碼或加QQ/微信,由我們的銷售經理給您精準的報價以及產品介紹
     
    電話:18923864027(同微信)
    QQ:709211280

    相關閱讀