最好看的2018免费观看在线-最好看的2019中文电影-最好免费观看高清视频免费-最近免费中文字幕大全免费版视频

您好!歡迎光臨烜芯微科技品牌官網!

深圳市烜芯微科技有限公司

ShenZhen XuanXinWei Technoligy Co.,Ltd
二極管、三極管、MOS管、橋堆

全國服務熱線:18923864027

  • 熱門關鍵詞:
  • 橋堆
  • 場效應管
  • 三極管
  • 二極管
  • 等效電阻的計算方法與介紹
    • 發布時間:2022-07-05 19:48:37
    • 來源:
    • 閱讀次數:
    等效電阻的計算方法與介紹
    等效電阻簡介
    幾個連接起來的電阻所起的作用,可以用一個電阻來代替,這個電阻就是那些電阻的等效電阻。
    也就是說任何電回路中的電阻,不論有多少只,都可等效為一個電阻來代替。而不影響原回路兩端的電壓和回路中電流強度的變化。
    這個等效電阻,是由多個電阻經過等效串并聯公式,計算出等效電阻的大小值。
    也可以說,將這一等效電阻代替原有的幾個電阻后,對于整個電路的電壓和電流量不會產生任何的影響,所以這個電阻就叫做回路中的等效電阻。
    等效電阻性質
    電路中能替代幾個電阻使其他部分無任何改變的一個電阻。又稱總電阻。
    在串聯電路中,把歐姆定律分別用于每個電阻可得U1=IR1,U2=IR2,…,Un=IRn,根據電壓定義,U=U1+U2+…+Un,于是U=I(R1+R2+…+Rn)。
    若用一個阻值為R的電阻元件代替原來n個串聯電阻,此R滿足R=R1+R2+…+Rn,則此電阻元件的電流將與原串聯電路的電流相同。
    R稱為串聯電路的等效電阻。串聯電路的等效電阻等于各分電阻之和。
    在并聯電路中,I=I1+I2+…+In,因為I1=U/R1,I2=U/R2,…In=U/Rn,所以I=U(1/R1+1/R2+…+1/Rn)。
    若用一個阻值為R的電阻元件代替原來n個并聯電阻,此R滿足1/R=1/R1+1/R2+…+1/Rn,則此電阻元件上的電流將與原并聯電路的總電流I相同。
    R稱為并聯電路的等效電阻。并聯電路的等效電阻的倒數等于各分電阻的倒數和。
    關于等效電阻(總電阻)有以下幾個結論:
    ①并聯電路的等效電阻必小于每個參與并聯的電阻的阻值;
    ②當兩個電阻的阻值R1和R2相差懸殊時,串聯等效電阻R近似等于其中較大電阻的阻值;并聯等效電阻R近似等于其中小電阻的阻值;
    ③當兩個電阻值相等時,并聯等效電阻等于每個電阻阻值之半。
    等效電阻計算方法
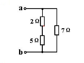
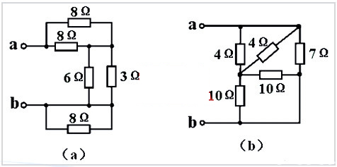
    例:電路如圖所示,計算a、b間的等效電阻Req。
    等效電阻計算方法
    解:對于電路(a):
    上面的兩個8Ω電阻并聯,可以等效成一個4Ω電阻;3Ω和6Ω電阻并聯,可以等效成一個2Ω電阻;下面的8Ω電阻與導線并聯,被短接。
    通過分析,原電路可以化簡成
    等效電阻計算方法
    a、b間的等效電阻Req=6Ω。
    對于電路(b):
    兩個4Ω電阻并聯,可以等效成一個2Ω電阻;兩個10Ω電阻并聯,可以等效成一個5Ω電阻;7Ω電阻連在a、b之間。
    通過分析,原電路可以化簡成
    等效電阻計算方法
    a、b間的等效電阻Req=3.5Ω。
    〈烜芯微/XXW〉專業制造二極管,三極管,MOS管,橋堆等,20年,工廠直銷省20%,上萬家電路電器生產企業選用,專業的工程師幫您穩定好每一批產品,如果您有遇到什么需要幫助解決的,可以直接聯系下方的聯系號碼或加QQ/微信,由我們的銷售經理給您精準的報價以及產品介紹
     
    電話:18923864027(同微信)
    QQ:709211280

    相關閱讀