最好看的2018免费观看在线-最好看的2019中文电影-最好免费观看高清视频免费-最近免费中文字幕大全免费版视频

您好!歡迎光臨烜芯微科技品牌官網!

深圳市烜芯微科技有限公司

ShenZhen XuanXinWei Technoligy Co.,Ltd
二極管、三極管、MOS管、橋堆

全國服務熱線:18923864027

  • 熱門關鍵詞:
  • 橋堆
  • 場效應管
  • 三極管
  • 二極管
  • PWM MOS管驅動圖文詳細解析
    • 發布時間:2022-07-07 20:42:25
    • 來源:
    • 閱讀次數:
    PWM MOS管驅動圖文詳細解析
    PWM MOS管驅動
    PWM MOS管驅動實際是將PWM信號經過MOS進行功率放大,將PWM信號變成具備一定功率輸出或有一定電流灌入能力的PWM波形。其常見的電路有PWM MOS管底邊驅動,半橋輸出、H橋輸出和三相全橋輸出。
    其具體應用有如下應用:
    PWM MOS管底邊驅動:常見于斬波器(串勵電機控制器)、反激式開關電源功率驅動、Boost升壓電路、N型信號功率放大等各類電路中。
    半橋輸出:常見于高頻諧振電源電路、大功率電磁爐等。
    H橋:兩個半橋構成一個H橋,常見于開關電源、高頻焊機、大功率電磁爐、單相逆變器、有刷電機驅動等。
    三相全橋:常見在變頻器、伺服驅動、無刷電機驅動等相關電機的驅動方面。
    以下是常見PWM MOS管驅動電路:
    PWM MOS管底邊驅動
    PWM MOS管驅動
    此電路中,PWM信號驅動Q1,Q1具備較強的光電流能力,此電路可以控制有刷電機單向旋轉、可以驅動大功率繼電器、LED、指示燈等相關負載。
    此電路中C10與D5構成滅弧電路,C10抑制Q1關斷瞬間,J6第二腳的電壓瞬間上升,通過C10,將此時刻的電壓上升斜率降低,給D5二極管續流相應提供了一個反應時間。
    D5具備續流的作用,Q1關斷后,負載電流不能瞬間消失,當J6 第二腳電壓大于第1腳電壓時,電流會通過D5進行回饋到VCC_12中。
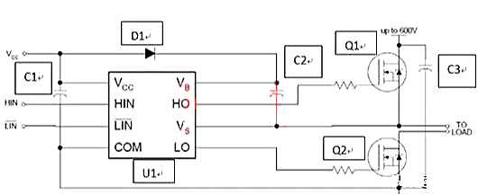
    半橋輸出:如下圖是一個IR2103的典型半橋驅動電路
    PWM MOS管驅動
    其中IR2103是典型的半橋驅動芯片。
    其中圖中所示:
    C1 為IR2103 邏輯電源濾波電容;
    C2為高邊MOS驅動電源自舉電容;
    C3為高壓電源濾波電容;
    HIN為高邊驅動信號,高有效;
    LIN為底邊驅動信號,低有效;
    D1二極管為高邊電源續流二極管,通過與C2自舉電容、負載端(TO LOAD)脈沖波形配合,完成VB高邊電源的電壓舉升。
    注:半橋在工作時,Q1與Q2不能同時打開,若同時打開,會導致電源通過兩個MOS管對地短路而造成電路永久性損壞。
    該電路中,PWM控制HIN與LIN端,可實現控制MOS管輸出,達到PWM功率放大的作用。其中MOS管中都內嵌續流二極管,因此在實際電路設計中,沒有額外的追加續流二極管。
    H橋電路:
    H橋電路就是兩個半橋電路中間加一個負載,該電路結構形狀類似于大寫的“H”,因此成為H橋基本電路,如下圖所示:
    PWM MOS管驅動
    其中QA、QB、QC、QD可以三極管、MOS管或IGBT,其中低壓直流電機驅動或小功率電源驅動中采用N-MOS管較多,小信號、小功率采用互補性三極管或MOS管,輸入高壓大功率電源、大功率高頻爐、大功率焊機會采用IGBT;
    兩邊半橋采用半橋驅動芯片驅動,PWN信號通過控制半橋芯片,實現H橋的驅動。從而實現電機的驅動,電源諧振電路驅動,高頻諧振電路驅動。
    三相全橋是由三個半橋構成三相負載驅動的電路。其基本結構如下:
    PWM MOS管驅動
    其中
    VT1、VT4、D1、D4構成一個半橋
    VT3、VT6、D3、D6構成一個半橋
    VT5、VT2、D5、D2構成一個半橋
    三相全橋電路常見在三相逆變器、變頻器、伺服驅動、無刷電機驅動等相關電機的驅動方面,生活中涉及到的東西有電動自行車驅動器、電動汽車驅動器、電動大巴驅動器、供水管道電機驅動、供熱管道電機驅動、樓宇排風電機驅動、變頻空調電機驅動等等。
    〈烜芯微/XXW〉專業制造二極管,三極管,MOS管,橋堆等,20年,工廠直銷省20%,上萬家電路電器生產企業選用,專業的工程師幫您穩定好每一批產品,如果您有遇到什么需要幫助解決的,可以直接聯系下方的聯系號碼或加QQ/微信,由我們的銷售經理給您精準的報價以及產品介紹
     
    電話:18923864027(同微信)
    QQ:709211280

    相關閱讀