最好看的2018免费观看在线-最好看的2019中文电影-最好免费观看高清视频免费-最近免费中文字幕大全免费版视频

您好!歡迎光臨烜芯微科技品牌官網!

深圳市烜芯微科技有限公司

ShenZhen XuanXinWei Technoligy Co.,Ltd
二極管、三極管、MOS管、橋堆

全國服務熱線:18923864027

  • 熱門關鍵詞:
  • 橋堆
  • 場效應管
  • 三極管
  • 二極管
  • 場效應管時間繼電器工作原理詳解
    • 發布時間:2022-08-13 16:02:51
    • 來源:
    • 閱讀次數:
    場效應管時間繼電器工作原理詳解
    場效應管時間繼電器如何工作?
    場效應管具有極高的輸入阻抗,導通時從電源輸入的電流幾乎可以忽略。因此允許采用很大的充電電阻,有利于比延時的提高。
    (1)電路一
    JSB-1型時間繼電器電路如圖3-9所示。它采用3C01型場效應管(P溝道增強型)作比較環節。該定時器最大延時可達5min,比延時可達5s/μF,延時誤差《±5%。
    場效應管時間繼電器工作原理:接通電源時,由于電容C3兩端電壓為零,場效應管VT處于截止狀態,繼電器KA釋放,延時開始。
    同時電源E通過電阻R2、繼電器KA線圈向電容C3充電,電容上的電壓逐漸升高,場效應管VT的柵源電壓UGS越來越負,柵—漏極電流IGD就越來越大。當IGD大到晶閘管V所需的觸發電流時,V觸發導通,繼電器KA得電吸合,輸出延時信號。
    場效應管 繼電器
    圖中,二極管VD的作用是提供電容C3一條快速放電回路(R3、R4、VD、C3); R1、C1及C2的作用是防止晶閘管V誤觸發;并聯在電阻值較大的繼電器KA線圈上的低阻值電阻R5,用以提供延時電路足夠的電壓與電流。
    (2)電路二
    JS-20型時間繼電器電路如圖3-10所示。
    場效應管 繼電器
    工作原理:當繼電器KA1吸合時(圖中,KA1控制部分未畫出),接通電源,由于電容Cl兩端電壓為零,場效應管VT1的柵源電壓UGS=UC-US=-US大于其夾斷電壓UP,因此VT1截止,三極管VT2無基極電流而截止,晶閘管V關閉,繼電器KA2處于釋放狀態,延時開始。同時電源電壓E通過電阻R8、R2向電容C1充電。
    場效應管 繼電器
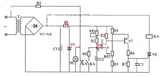
    圖3-35 JS20系列通電延時型繼電器電路圖
    JS20系列晶體管時間繼電器是如何工作的?
    JS20系列通電延時型時間繼電器的線路如圖3-35所示,它由電源、電容充放電電路、電壓鑒別電路、輸出和指示電路五部分組成。
    電源接通后,經整流濾波和穩壓后的直流電經過RP1和R2向電容C2充電。當場效應管V6的柵源電壓Ugs低于夾斷電壓Up時,V6截止,因而V7、V8也處于截止狀態。
    隨著充電的不斷進行,電容C2的電位按指數規律上升,當滿足Ugs高于Up時,V6導通,V7、V8也導通,繼電器KA吸合,輸出延時信號。
    同時電容C2通過R8和KA的動合觸頭放電,為下次動作作好準備。當切斷電源時,繼電器KA釋放,電路恢復原始狀態,等待下次動作。調節RP1和RP2即可調整延時時間。
    〈烜芯微/XXW〉專業制造二極管,三極管,MOS管,橋堆等,20年,工廠直銷省20%,上萬家電路電器生產企業選用,專業的工程師幫您穩定好每一批產品,如果您有遇到什么需要幫助解決的,可以直接聯系下方的聯系號碼或加QQ/微信,由我們的銷售經理給您精準的報價以及產品介紹
     
    聯系號碼:18923864027(同微信)
    QQ:709211280

    相關閱讀