最好看的2018免费观看在线-最好看的2019中文电影-最好免费观看高清视频免费-最近免费中文字幕大全免费版视频

您好!歡迎光臨烜芯微科技品牌官網!

深圳市烜芯微科技有限公司

ShenZhen XuanXinWei Technoligy Co.,Ltd
二極管、三極管、MOS管、橋堆

全國服務熱線:18923864027

  • 熱門關鍵詞:
  • 橋堆
  • 場效應管
  • 三極管
  • 二極管
  • 多諧振蕩器電路制作的LED閃爍燈介紹
    • 發布時間:2022-10-15 17:24:20
    • 來源:
    • 閱讀次數:
    多諧振蕩器電路制作的LED閃爍燈介紹
    多諧振蕩器也叫無穩態觸發器,“多諧”的含義就是含有多種頻率成分的意思,因為其輸出的是脈沖方波,而方波可以分解為多個不同頻率的正弦波。
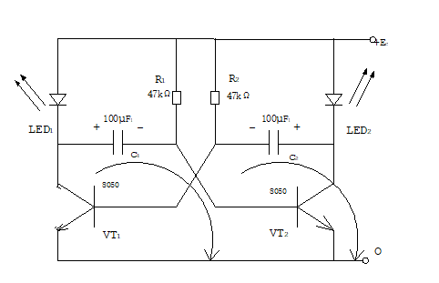
    這是一款閃爍燈,紅色led、白色led燈交替閃爍,它的工作原理很簡單,制作也很簡單;通過這個制作可以進一步學習三極管的工作原理、電容器的充放電過程;電路原理圖如下:
    電源電壓2.3v-3.2v
    多諧振蕩器 電路 LED
    多諧振蕩器閃光燈
    該電路的特點:一個三極管的基極與另一個三極管的集電極通過電容C1、C2互相耦合,電路結構對稱。
    如果沒有耦合電容,兩個三極管各自工作在飽和狀態下,兩個led燈均發亮且亮度不變,當接上耦合電容以后,這種穩定狀況就遭到了破壞,變成了一個導通、一個截止交替進行的狀態。
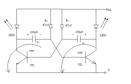
    我們知道即使是同型號的三極管,每個管子的參數也是會有差異的,特別是放大系數β,因此在接通的瞬間總是有一個管子先導通,假定是VT1先導通,則其集電極電位降低到0v(≈0v,因為三極管飽和時有飽和壓降,分析方便按0v處理),led1發亮;
    因VT1導通后集電極電位降低,通過電容C1的耦合,使VT2基極電位降低(因為電容C1的兩端電壓不能突變,因此VT2基極電位降低),VT2截止,led2不亮;
    此時電源通過電阻R1對電容C1進行充電,其兩端電壓極性左負右正,且逐步升高,VT2基極電位逐步升高,為電路逆轉醞釀;C2通過LED2充電(電流很小,燈不亮),極性左負右正,通過電容的電流方向如下:
    多諧振蕩器 電路 LED
    VT1導通,VT2截止時狀況
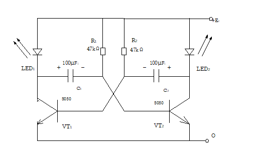
    當VT2基極電位逐步升高時,VT2導通,同時電容C1電壓升高,負極電位加速了VT1截止、VT2導通,led2發亮,led1不亮,電容C2通過VT2放電;
    電源C1被充電,當電容C2放電結束之后,VT1基極電位升高,又開始了下一輪的振蕩。此時通過電容C1、C2的電流方向如下:
    多諧振蕩器 電路 LED
    VT1截止、VT2導通狀態
    以上參數可以改變,改變電容C1、C2電阻R1、R2就可以改變振蕩頻率;通過對以上電路的分析。我們可知電容的充放電導致了VT1、VT2不斷翻轉,電容接通時相當于短路,充電滿時相當于電源的性質發揮了關鍵作用;當VT1截止時輸出高電位,當VT1導通時輸出低電位,輸出近似于方波。
    多諧振蕩器在電子電路中應用非常廣泛。用它來產生脈沖信號,推動其它電路工作。
    〈烜芯微/XXW〉專業制造二極管,三極管,MOS管,橋堆等,20年,工廠直銷省20%,上萬家電路電器生產企業選用,專業的工程師幫您穩定好每一批產品,如果您有遇到什么需要幫助解決的,可以直接聯系下方的聯系號碼或加QQ/微信,由我們的銷售經理給您精準的報價以及產品介紹
     
    聯系號碼:18923864027(同微信)
    QQ:709211280

    相關閱讀