最好看的2018免费观看在线-最好看的2019中文电影-最好免费观看高清视频免费-最近免费中文字幕大全免费版视频

您好!歡迎光臨烜芯微科技品牌官網!

深圳市烜芯微科技有限公司

ShenZhen XuanXinWei Technoligy Co.,Ltd
二極管、三極管、MOS管、橋堆

全國服務熱線:18923864027

  • 熱門關鍵詞:
  • 橋堆
  • 場效應管
  • 三極管
  • 二極管
  • MOSFET di/dt與dv/dt分開控制方法介紹
    • 發布時間:2022-11-17 19:37:15
    • 來源:
    • 閱讀次數:
    MOSFET di/dt與dv/dt分開控制方法介紹
    功率 MOSFET 的開關過程
    功率 MOSFET 的開通過程中可以分為 4 個階段,關斷過程的基本原理和開通過程相類似,以前的文章對其進行過非常詳細的敘述,N 溝道功率 MOSFET 放在低端直接驅動的波形如圖 1 所示。
    MOSFET di/dt dv/dt
    圖 1:功率 MOSFET 的開通過程
    階段 3(t2-t3)為米勒平臺,VGS 電壓保持米勒平臺電壓 VGP,整個過程中,VDS 電壓逐漸下降到低的電壓值,ID 電流保持不變。
    MOSFET di/dt dv/dt
    若功率 MOSFET 使用 N 管或 P 管放在高端,工作原理類似,工作的波形如下圖 2 所示。
    MOSFET di/dt dv/dt
    圖 2:N-MOSFET 放在高端的開通波形
    MOSFET di/dt dv/dt
    圖 3:P-MOSFET 放在高端
    MOSFET di/dt dv/dt
    圖 4:P-MOSFET 放在高端開通波形
    di/dt 和 dV/dt 的分開獨立控制
    由前面的分析可以知道,在階段 2:t1-t2 的開通過程中,漏極電流 ID 不斷增加,VDS 保持不變,這個過程主要控制著回路的電流變化率 di/dt。
    在驅動電源 VCC 和驅動芯片的驅動能力確定的條件下,驅動電路的 RG 以及 Ciss 決定著開通過程的電流變化率 di/dt。外加 G、S 的電容 CGS1 調節開通過程的 di/dt 的波形如圖 5 所示。
    MOSFET di/dt dv/dt
    圖 5:外加 G、S 電容 CGS1 開通波形
    在階段 3:t2-t3 的開通過程中,漏極電流 ID 保持不變,VDS 不斷降低,這個過程主要控制著回路的電壓變化率 dV/dt。在驅動電源 VCC 和驅動芯片的驅動能力確定的條件下,驅動電路的 RG 以及 Crss 決定著開通過程的電壓變化率 dV/dt。
    實際應用過程中,功率 MOSFET 的 Crss 非常小,而且是非線性的,隨著電壓的變化而變化,變化的幅值也非常大,單獨用 Crss 和 RG 來控制 dV/dt,dV/dt 控制精度差。
    如果系統的 dV/dt 控制精度要求比較高,也就是輸出電壓的上電時間的控制精度要求比較高,而且上電時間也比較長,需要在 G 極和 D 極之間外加一個的電容 CGD1,CGD1 值遠大于 Crss,功率 MOSFET 內部寄生的非線性電容 Crss 的影響可以忽略,dV/dt 的時間主要由外加的線性度好的外加電容 CGD1 控制,就可以比較準確的控制功率 MOSFET 的 dV/dt 的時間。
    MOSFET di/dt dv/dt
    圖 6:外加 G、D 電容 CGD1 開通波形
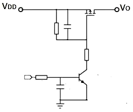
    完整的外圍電路,包括 G 極電阻總和 RG,RG 并聯快關斷二極管 D1,功率 MOSFET 的 G、S 外加電容 CGS1,G、D 外加電容 CGD1 和電阻 RGD,如圖 7 所示,其中 RG 為 G 極電阻總和,包括功率 MOSFET 內部電阻、驅動芯片上拉電阻和外加串聯電阻 RG1。
    MOSFET di/dt dv/dt
    圖 7:負載開關和熱插撥完整外圍電路
    本文所介紹的 di/dt 、dV/dt 分開單獨控制的方法同樣可以用在其它系統,特別是電機控制應用,在電機控制系統的主功率板,功率 MOSFET 或 IGBT 的驅動電路并聯有外部的電容 CGS 或 CGE,其調節方法和上面相同:
    (1)通過調整驅動電路的 RG,來調整回路的 dV/dt
    (2)然后調整驅動電路的并聯電容 CGS,來調整回路的 di/dt
    〈烜芯微/XXW〉專業制造二極管,三極管,MOS管,橋堆等,20年,工廠直銷省20%,上萬家電路電器生產企業選用,專業的工程師幫您穩定好每一批產品,如果您有遇到什么需要幫助解決的,可以直接聯系下方的聯系號碼或加QQ/微信,由我們的銷售經理給您精準的報價以及產品介紹
     
    聯系號碼:18923864027(同微信)
    QQ:709211280

    相關閱讀