最好看的2018免费观看在线-最好看的2019中文电影-最好免费观看高清视频免费-最近免费中文字幕大全免费版视频

您好!歡迎光臨烜芯微科技品牌官網!

深圳市烜芯微科技有限公司

ShenZhen XuanXinWei Technoligy Co.,Ltd
二極管、三極管、MOS管、橋堆

全國服務熱線:18923864027

  • 熱門關鍵詞:
  • 橋堆
  • 場效應管
  • 三極管
  • 二極管
  • 常用的低頻功率放大器電路解析
    • 發布時間:2022-12-15 16:50:22
    • 來源:
    • 閱讀次數:
    常用的低頻功率放大器電路解析
    低頻功率放大器電路
    電壓放大器,任務是將微弱的信號進行電壓放大。其輸入和輸出的電壓電流都比較小,不能直接驅動功率較大的設備。為滿足要求,這就要在放大器的末級增加功率放大器。功率放大器的任務是放大信號的功率(電壓和電流都要放大),因此屬于大信號放大器。下面介紹電子設備中常用的幾種低頻功率放大器。
    雙電源互補對稱功率放大器(OCL電路)
    OCL電路的電路組成如圖2-18所示。該電路主要由VT1(NPN型)和VT2(PNP型)及負載構成,采用正、負相等的兩組電源供電,信號為Ui,從兩管的基極輸入,負載為Rl,VT1又稱為上功率輸出管,VT2稱下功率輸出管。
    OCL電路的工作原理:當信號電壓為正半周時,VT1正向導通,VT2截止,+VCC通過VT1的c-e結,流過負載,在負載上得到放大了的正半周信號;
    當信號電壓為負半周時,VT1截止,VT2正向導通,-VCC流過負載和VT2的e-c結到負電源,在負載上得到放大了的負半周信號;正負半周信號在負載上合成為全波。兩管交替工作,互為補充,所以該電路稱為互補對稱電路。
    這種電路輸出功率大、效率高、應用廣,在顯示器中主要用在場輸出集成電路以及平行四邊形校正電路中。
    低頻功率放大器 電路
    圖2-18 OCL電路原理圖
    單電源互補對稱功率放大器(OTL電路)
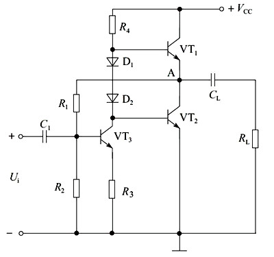
    由于OCL電路需要兩個電源,在某些場合使用多有不便,為此,可采用單電源供電的互補對稱功放電路,又稱OTL電路。如圖2-19所示即為OTL電路原理圖。
    圖中,VT3為前置放大管,VT1、VT2組成互補對稱輸出級,D1、D2提供偏置,并有溫度補償作用。C1為信號輸入耦合電容,CL為輸出耦合電容。R1、R2、R3提供偏置。A點為功放中點,其正常工作電壓為VCC/2。CL容量很大,相當于一個VCC/2的電源。
    低頻功率放大器 電路
    圖2-19 OTL電路原理圖
    OTL電路的工作原理:在Ui的負半周,VT3導通程度減弱,集電極電壓升高,引起VT1導通加強,VT2截止。VCC經過VT1、RL對CL充電,其充電電流在負載RL上產生自上而下的電流(ic1),在負載上形成輸出電壓Uo正半周。
    同時,電容CL被充上了“左正右負”的電壓。在Ui的正半周,VT3導通程度增大,VT1截止,VT2導通,CL上的電壓經Q2、RL放電,其放電電流在負載RL上產生自下而上的電流(ic2),在負載上形成輸出電壓Uo負半周。其結果是在負載上得到放大了的輸出信號Uo。
    該電路存在動態范圍小、最大輸出電壓幅值不夠的問題。當VT3集電極電壓升高時,VT1因基極電位升高而導通,導通越強,中點電壓升高越多,這樣會使正偏電壓Vbe1下降,VT1動態范圍變小,最大輸出電壓偏小。
    解決辦法是增加一個自舉電容C2和電阻R5,如圖2-20所示即為增加電容和電阻后的OTL電路原理圖。
    加入C2后,由于其容量較大,其兩端電壓可視為不變。當VT1導通使中點電壓升高時,C2正極電壓也跟著升高,使VT1基極電位升高而獲得正常偏壓,保證了VT1的大電流輸出。
    電阻R5為隔離電阻,將電源與C2隔開,使C2上自舉的電壓不被電源吸收。由于加入電容器C2和電阻R5后使VT1基極電位自動升高獲得正常偏壓,所以,電容C2和電阻R5組成的電路又稱為自舉電路,C2稱為自舉升壓電容。
    OTL電路被廣泛應用在顯示器、彩電場輸出電路及各種音頻功率放大電路。
    低頻功率放大器 電路
    圖2-20 增加電容和電阻后的OTL電路原理圖
    〈烜芯微/XXW〉專業制造二極管,三極管,MOS管,橋堆等,20年,工廠直銷省20%,上萬家電路電器生產企業選用,專業的工程師幫您穩定好每一批產品,如果您有遇到什么需要幫助解決的,可以直接聯系下方的聯系號碼或加QQ/微信,由我們的銷售經理給您精準的報價以及產品介紹
     
    聯系號碼:18923864027(同微信)
    QQ:709211280

    相關閱讀