最好看的2018免费观看在线-最好看的2019中文电影-最好免费观看高清视频免费-最近免费中文字幕大全免费版视频

您好!歡迎光臨烜芯微科技品牌官網!

深圳市烜芯微科技有限公司

ShenZhen XuanXinWei Technoligy Co.,Ltd
二極管、三極管、MOS管、橋堆

全國服務熱線:18923864027

  • 熱門關鍵詞:
  • 橋堆
  • 場效應管
  • 三極管
  • 二極管
  • 幾種單相電壓型逆變電路介紹
    • 發布時間:2022-12-22 16:19:34
    • 來源:
    • 閱讀次數:
    幾種單相電壓型逆變電路介紹
    逆變電路的基本工作原理
    單相 逆變電路
    圖1 是單相橋式逆變電路的電阻負載簡化電路。
    其基本工作原理是:
    1)0-t1時間段開關T1和T4閉合,負載電壓為正;
    2)t1-T時間段開關T3和T2閉合,負載電壓為負。
    其負載電流的變化在電阻負載下是與電壓同相位的,但若是阻感負載,電流的基波滯后于電壓的基波并且因為負載電感的存在,其負載電流的變化不是瞬時的,而是一個逐漸增大減小的過程,最終反映在電阻上的電壓波形就是跟隨阻感負載的電流變化的。
    半橋逆變(half-bridge inverter)電路
    單相 逆變電路
    半橋逆變電路結構簡單并且是所有其他逆變電路的基礎,因此理解半橋逆變電路的工作原理是很必要的。圖 2 是半橋電路的結構并且圖中完整描述了半橋逆變電路的工作原理:
    1) 當開關T1閉合T2斷開時,電流方向如圖中步驟 1 所示;
    2) 當開關T2閉合T1斷開時,開關T2不能立即閉合,且在這一瞬間電感電流的方向不能突變,此時電流流過T2反并聯的二極管續流;
    3) 電感電流過零后開關T2閉合,電感電流反向流過開關T2;
    4) 當開關T2斷開T1再次閉合時,同理開關T1不能立即閉合,同前述分析電感電流的方向不能突變,電流流過T1反并聯的二極管續流,之后的周期重復上述過程。
    步驟 2 和 步驟 4 是能量反饋過程,二極管在其中提供反饋能量通道,同時此過程也是負載電流的續流過程。因此,逆變電路中的二極管可以稱為反饋二極管或續流二極管。
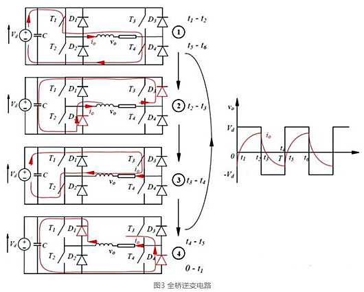
    全橋逆變(H-bridge inverter)
    單相 逆變電路
    全橋逆變器的工作原理和半橋逆變器相似,運行原理圖(圖 3)。
    〈烜芯微/XXW〉專業制造二極管,三極管,MOS管,橋堆等,20年,工廠直銷省20%,上萬家電路電器生產企業選用,專業的工程師幫您穩定好每一批產品,如果您有遇到什么需要幫助解決的,可以直接聯系下方的聯系號碼或加QQ/微信,由我們的銷售經理給您精準的報價以及產品介紹
     
    聯系號碼:18923864027(同微信)
    QQ:709211280

    相關閱讀