最好看的2018免费观看在线-最好看的2019中文电影-最好免费观看高清视频免费-最近免费中文字幕大全免费版视频

您好!歡迎光臨烜芯微科技品牌官網!

深圳市烜芯微科技有限公司

ShenZhen XuanXinWei Technoligy Co.,Ltd
二極管、三極管、MOS管、橋堆

全國服務熱線:18923864027

  • 熱門關鍵詞:
  • 橋堆
  • 場效應管
  • 三極管
  • 二極管
  • SMBJ5333B,SMBJ5333B穩壓二極管,3.3V 5W二極管參數規格書
    • 發布時間:2022-10-21 14:45:19
    • 來源:
    • 閱讀次數:
    SMBJ5333B,SMBJ5333B穩壓二極管,3.3V 5W二極管參數規格書
    SMBJ5333B穩壓二極管,SMBJ5333B為3.3V 5W的穩壓二極管,SMBJ5333B參數,SMBJ5333B封裝規格書
    SMBJ5333B
    SMBJ5333B DO-214AA/SMB參數封裝:點擊查看SMBJ5333B
    SMBJ5333B封裝有DO-214AC(SMA)/DO-214AA(SMB)
    SMBJ5333B穩壓二極管參數如下:
    SMBJ5333B
    Power Dissipation 功率 PD:5W
    Zener Voltage Range  齊納電壓 Nom:3.3V
    Zener Voltage Range  穩壓電流值 IZT:380mA
    Dynamic Impedance  動態阻抗:ZZT(at IZT) Max:3Ω
    Forward Voltage  正向電壓 VF:1.2V
    Reverse Leakage Current  反向漏電流 IR:300μA
    Operating and Storage Temperature Range  操作和儲存溫度范圍 Tj, TSTG:-65to+150℃
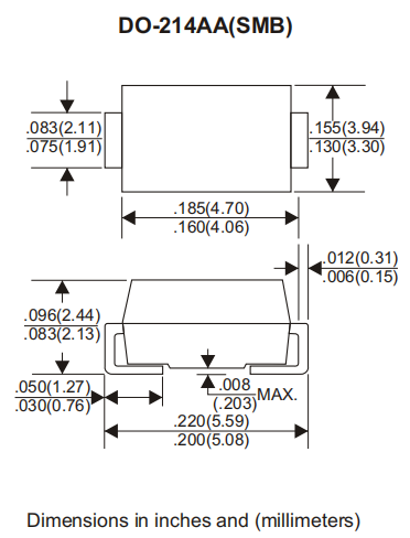
    SMBJ5333B穩壓二極管DO-214AA/SMB封裝尺寸:
    SMBJ5333B
    SMBJ5333B穩壓二極管DO-214AC(SMA)封裝尺寸:
    SMBJ5333B
    〈烜芯微/XXW〉專業制造二極管,三極管,MOS管,橋堆等,20年,工廠直銷省20%,上萬家電路電器生產企業選用,專業的工程師幫您穩定好每一批產品,如果您有遇到什么需要幫助解決的,可以直接聯系下方的聯系號碼或加QQ/微信,由我們的銷售經理給您精準的報價以及產品介紹
     
    聯系號碼:18923864027(同微信)
    QQ:709211280
    相關閱讀