最好看的2018免费观看在线-最好看的2019中文电影-最好免费观看高清视频免费-最近免费中文字幕大全免费版视频

您好!歡迎光臨烜芯微科技品牌官網!

深圳市烜芯微科技有限公司

ShenZhen XuanXinWei Technoligy Co.,Ltd
二極管、三極管、MOS管、橋堆

全國服務熱線:18923864027

  • 熱門關鍵詞:
  • 橋堆
  • 場效應管
  • 三極管
  • 二極管
  • BUCK同步整流SW點負壓產生與解決介紹
    • 發布時間:2023-03-17 17:20:03
    • 來源:
    • 閱讀次數:
    BUCK同步整流SW點負壓產生與解決介紹
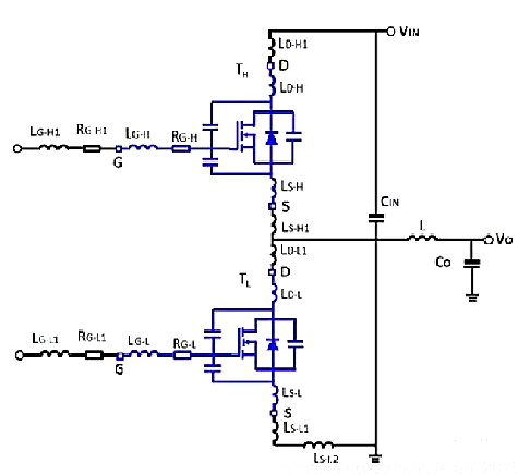
    下面是BUCK同步整流的實際等效模型,包括很多寄生電感,比如器件的引線電感,布線的寄生電感等。
    BUCK同步整流 負壓
    負壓產生的原因:當上管關斷下管導通的過程中,由于輸出電感電流不能突變的特性 ,上管電流減小,下管電流增加,下管回路的寄生電感會感應出下正上負的電壓,下為0,所以上也就是開關節點為負壓。注意這里,下管沒驅動的時候,走體二極管。
    那這個感應電壓與Ldi/dt,即寄生電感的大小有關,電流的變化率有關,即開關頻率有關。
    BUCK同步整流 負壓
    當然在測試時,注意探頭的影響,以最小環路測試。
    影響
    那產生這個負壓有什么影響呢?
    1.上管因為過壓而損壞
    因為關斷時,上管D端為電源,S端為負,導致DS兩端的電壓過高,而損壞器件。
    2.上下管直通
    開關節點SW的電壓為負,上管在關斷時,Vgs可能因為s負的太多,導致上管導通,導致上下管直通,產生過流損壞管子。
    解決方法
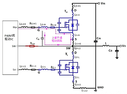
    1.降低上管的關斷速度
    驅動串電阻
    上管自舉驅動電路VB和CB之間外加串聯電阻
    增加上管源極外部串聯的PCB引線電感
    2.IC的SW管腳和開關節點之間串聯電阻
    BUCK同步整流 負壓
    注意RSW放在CB電容的左邊,可以不影響開通速度,放在右邊會影響。
    3.IC的地端串聯電阻
    PWM或驅動IC的地端與輸入電容的地端串聯電阻,同樣可以降低負壓電流,實際應用中,不推薦這種方式。
    4.IC的SW管腳和地之間并聯穩壓管
    〈烜芯微/XXW〉專業制造二極管,三極管,MOS管,橋堆等,20年,工廠直銷省20%,上萬家電路電器生產企業選用,專業的工程師幫您穩定好每一批產品,如果您有遇到什么需要幫助解決的,可以直接聯系下方的聯系號碼或加QQ/微信,由我們的銷售經理給您精準的報價以及產品介紹
     
    聯系號碼:18923864027(同微信)
    QQ:709211280

    相關閱讀