最好看的2018免费观看在线-最好看的2019中文电影-最好免费观看高清视频免费-最近免费中文字幕大全免费版视频

您好!歡迎光臨烜芯微科技品牌官網!

深圳市烜芯微科技有限公司

ShenZhen XuanXinWei Technoligy Co.,Ltd
二極管、三極管、MOS管、橋堆

全國服務熱線:18923864027

  • 熱門關鍵詞:
  • 橋堆
  • 場效應管
  • 三極管
  • 二極管
  • 直流電源的應用電路介紹
    • 發布時間:2023-04-21 17:50:31
    • 來源:
    • 閱讀次數:
    直流電源的應用電路介紹
    1.直流電源的框圖
    下圖為直流電源的框圖。
    直流電源 電路
    2. 半波整流
    利用二極管的單向導通性,實現半波整流。
    直流電源 電路
    3. 全波整流
    在實際電路中多采用單相全波整流電路。在整個周期內負載的電壓和電流方向始終不變,效率提高一倍。
    直流電源 電路
    4. 濾波電路
    電容濾波:小電流負載,利用大電容的充放電時延實現濾波。
    直流電源 電路
    電感濾波:大電流負載;
    直流電源 電路
    LC濾波:各種場景。
    直流電源 電路
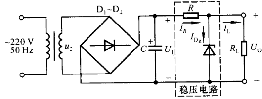
    5. 穩壓管穩壓
    由于電網電壓的波動,負載的電壓會有波動。又由于整流濾波電路的內阻,當負載變化時,輸出電壓也會變化。所以必須采用穩壓措施。
    下圖為穩壓管電路:
    直流電源 電路
    在穩壓管穩壓電路中,只要保證穩壓管工作在穩壓區,即 Izmin
    直流電源 電路
    對任何穩壓電路都要從兩個方面考慮:電網的波動和負載的變化。這里分析一下電網的波動。
    電網電壓↑ → U1↑ → Uo↑ → IDz↑ → IR↑ → UR↑ → Uo↓,實現穩壓功能。
    〈烜芯微/XXW〉專業制造二極管,三極管,MOS管,橋堆等,20年,工廠直銷省20%,上萬家電路電器生產企業選用,專業的工程師幫您穩定好每一批產品,如果您有遇到什么需要幫助解決的,可以直接聯系下方的聯系號碼或加QQ/微信,由我們的銷售經理給您精準的報價以及產品介紹
     
    聯系號碼:18923864027(同微信)
    QQ:709211280

    相關閱讀