最好看的2018免费观看在线-最好看的2019中文电影-最好免费观看高清视频免费-最近免费中文字幕大全免费版视频

您好!歡迎光臨烜芯微科技品牌官網!

深圳市烜芯微科技有限公司

ShenZhen XuanXinWei Technoligy Co.,Ltd
二極管、三極管、MOS管、橋堆

全國服務熱線:18923864027

  • 熱門關鍵詞:
  • 橋堆
  • 場效應管
  • 三極管
  • 二極管
  • 反激拓撲中MOS管Vds波形圖詳解
    • 發布時間:2023-05-13 17:42:35
    • 來源:
    • 閱讀次數:
    反激拓撲中MOS管Vds波形圖詳解
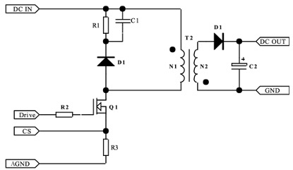
    反激拓撲電路的基本線路如下:
    反激 MOS管 Vds波形
    DC IN:市電經過整流濾波后的直流輸入
    Drive:控制芯片的驅動信號,控制Q1進行ON/OFF
    CS:控制芯片對Q1電流的采樣
    AGND:初級側的地
    DC OUT:輸出
    GND:次級側的地
    2. 兩種工作模式DCM(斷續)與CCM(連續)
    (1)DCM與CCM模式的判斷依據
    DCM和CCM的判斷,并非只是單純按照初級電流是否連續來進行判斷,而是要根據初,次級的電流合成來判斷的。只要初,次級電流不是同時為零,那就是CCM模式。二如果存在初,次級電流同時為零的狀態,那就是DCM模式。如果是介于兩者之間的,就是BCM模式。
    (2)兩種模式在波形上的區別
    A.變壓器初級電流波形,DCM模式是三角波而CCM模式是梯形波。
    B.次級整流管電流波形,同理,DCM模式是三角波而CCM模式是梯形波。
    C.MOS管的Vds波形,DCM模式下,在下一個周期開通前,Vds會從Vin+Vf這個平臺降下來發生阻尼震蕩(Vf次級反射到原邊的電壓);CCM模式下,在下一個周期開通前,Vds一直維持在Vin+Vf的平臺上。
    因此可以很容易從波形上看出來反擊電源是工作在DCM還是CCM狀態。
    反激 MOS管 Vds波形
    3. MOS管開通與關斷瞬間的Vds波形分析
    (1)DCM模式
    反激 MOS管 Vds波形
    A. 從上面MOS管的波形可以看出,在MOS關斷時,MOS上的尖峰電壓遠超過Vin+Vf, 這是因為變壓器的初級有漏感Lk,漏感的能量是不會通過磁芯耦合到次級的。
    MOS在關斷的過程中,漏感的電流也是不能突變的,而漏感的電流變化也會產生感應電動勢, 這個感應電動勢因為無法被次級耦合嵌位,所以電壓會沖得很高。
    為了避免MOS管被這個尖峰電壓擊穿損壞,一般設計時會在初級側加上一個RCD吸收緩沖電路,把漏感的能量先存儲在電容(C)上,然后在通過電阻(R)消耗掉。
    B. 當變壓器次級電流降到零時,磁芯的能量已經完全釋放了。那么因為次級整流管電流 降到了零,二極管也就自動截止了,次級相當于開路狀態,輸出電壓不在發射到初級。 
    由于此時的MOS管上Vds電壓高于輸入電壓Vin,所以在電壓差的作用下,MOS管的 結電容和初級點感發生諧振。諧振電流給MOS管的結電容放電。
    Vds電壓開始下降, 經過1/4個諧振周期后又開始上升。由于RCD嵌位電路以及其他寄生電阻的存在,這 個振蕩時個阻尼振蕩,幅度會越來越小。
    (2)CCM模式
    反激 MOS管 Vds波形
    在CCM模式下,MOS管關斷的尖峰與DCM中產生的原理是一樣的,只是少了后面的振蕩而已。
    〈烜芯微/XXW〉專業制造二極管,三極管,MOS管,橋堆等,20年,工廠直銷省20%,上萬家電路電器生產企業選用,專業的工程師幫您穩定好每一批產品,如果您有遇到什么需要幫助解決的,可以直接聯系下方的聯系號碼或加QQ/微信,由我們的銷售經理給您精準的報價以及產品介紹
     
    聯系號碼:18923864027(同微信)
    QQ:709211280

    相關閱讀