最好看的2018免费观看在线-最好看的2019中文电影-最好免费观看高清视频免费-最近免费中文字幕大全免费版视频

您好!歡迎光臨烜芯微科技品牌官網!

深圳市烜芯微科技有限公司

ShenZhen XuanXinWei Technoligy Co.,Ltd
二極管、三極管、MOS管、橋堆

全國服務熱線:18923864027

  • 熱門關鍵詞:
  • 橋堆
  • 場效應管
  • 三極管
  • 二極管
  • 15N65,15N65場效應管參數,15N65參數規格書,15N65代換
    • 發布時間:2023-06-07 21:24:52
    • 來源:
    • 閱讀次數:
    15N65,15N65場效應管參數,15N65參數規格書,15N65代換
    15N65場效應管,15A 650V,15N65參數資料,15N65引腳圖,15N65中文資料規格書PDF
    15N65
    15N65 TO-220F參數封裝:點擊查看15N65
    15N65封裝有TO-252/TO-220/TO-220F
    15N65場效應管參數如下:
    15N65
     
    極性:NPN
    Drain-Source Voltage 漏源電壓Vds:650V
    Gate-Source Voltage 柵源電壓Vgs:±30V
    Continuous Drain Current 漏極電流Id Tc=25℃:15A
    Continuous Drain Current 漏極電流Id Tc=100℃:9.5A
    Power Dissipation 功率損耗Pd:60W
    Static Drain-Source On-Resistance 導通電阻ID=7.5A,VGS=10V:Typ:0.45Ω Max 0.52Ω
    Junction and Storage Temperature Range 溫度范圍:-55~+150℃
    15N65場效應管/TO-252封裝尺寸:
    15N65
    15N65場效應管/TO-220封裝尺寸:
    15N65
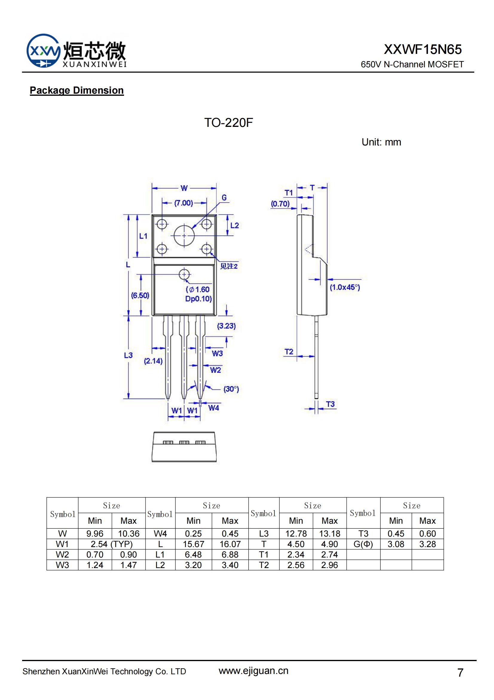
    15N65場效應管/TO-220F封裝尺寸:
    15N65
     
    〈烜芯微/XXW〉專業制造二極管,三極管,MOS管,橋堆等,20年,工廠直銷省20%,上萬家電路電器生產企業選用,專業的工程師幫您穩定好每一批產品,如果您有遇到什么需要幫助解決的,可以直接聯系下方的聯系號碼或加QQ/微信,由我們的銷售經理給您精準的報價以及產品介紹
     
    聯系號碼:18923864027(同微信)
    QQ:709211280
    相關閱讀