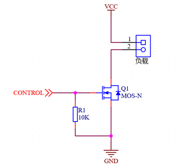
NMOS開關電路一
NMOS低側電源開關
使用NMOS,最簡單的開關電路,低側驅動。

CONTROL為控制信號,電平一般為3~12V。負載一端接電源正極,另一端接NMOS的D(漏極)。
CONTROL電平為高時,Vgs>NMOS的Vgs導通閥值,MOS導通,負載工作。
CONTROL電平為低時,Vgs=0,MOS關斷,負載停機。
NMOS開關電路二
典型的NMOS開關驅動電路

R25/100R 的作用:
防止振蕩
減少柵極充電的峰值電壓
保護NMOS管的D-S極不被擊穿
防止震蕩,GPIO口輸出端可能有些雜散的電感,在電壓突變的情況下,可能會產生LC振蕩,當我們加入R25之后,會提高阻尼減少振蕩。
減少柵極充電的峰值電壓,當柵極的電壓拉高,首先對柵極的寄生電容進行充電,I=Q/t。充電的峰值電流可能大于GPIO的輸出能力,為了保護IC,添加R25之后,可能有效的增長充電的時間,進而減小充電時候的電流。
從導通到截止狀態,VDS電壓迅速增加,如果dVDS/dt過大,可能會燒壞器件,R17的存在可以讓柵極電容緩慢放電,從而保護mos管。
R26 10K的作用:下拉型抗干擾電阻,GPIO輸出狀態下,在Nmos端,可以看出mos端處于一個高阻態或者懸浮的一個狀態,為了避免意外打開mos管,加上了個10k下拉。
NMOS開關電路三

這是一個常用的NMOS低側開關,平時G極被電阻拉至GND電平,處于關閉狀態。當驅動電壓高于GND時,MOS打開。
〈烜芯微/XXW〉專業制造二極管,三極管,MOS管,橋堆等,20年,工廠直銷省20%,上萬家電路電器生產企業選用,專業的工程師幫您穩定好每一批產品,如果您有遇到什么需要幫助解決的,可以直接聯系下方的聯系號碼或加QQ/微信,由我們的銷售經理給您精準的報價以及產品介紹
聯系號碼:18923864027(同微信)
QQ:709211280

