最好看的2018免费观看在线-最好看的2019中文电影-最好免费观看高清视频免费-最近免费中文字幕大全免费版视频

您好!歡迎光臨烜芯微科技品牌官網!

深圳市烜芯微科技有限公司

ShenZhen XuanXinWei Technoligy Co.,Ltd
二極管、三極管、MOS管、橋堆

全國服務熱線:18923864027

  • 熱門關鍵詞:
  • 橋堆
  • 場效應管
  • 三極管
  • 二極管
  • 驅動電路誤開通,MOS管驅動電路誤開通避免介紹
    • 發布時間:2024-04-27 20:33:39
    • 來源:
    • 閱讀次數:
    驅動電路誤開通,MOS管驅動電路誤開通避免介紹
    驅動電路中的誤開通
    1、米勒效應引起的誤開通
    驅動電路 MOS管驅動電路
    當 MOSFET 關斷,隨后對管導通時, Vds 電壓(漏極與源極之間所能施加的最大電壓值)快速上升產生高的 dv/dt(開關瞬態過程中漏極-源極電壓的變化率),從而在電容 Cgd (米勒電容)中產生位移電流( igd)。
    這個位移電流流經Rg,M2后就會在Vg上產生一個電壓尖峰(Vspk)。如果這個電壓尖峰超過了MOSFET的開通閾值,MOSFET就會被開通,從而導致電路直通甚至損壞。
    2、線路上的寄生電感引起
    驅動電路 MOS管驅動電路
    如圖所示,Ls是MOSFET源極上的寄生電感。當MOSFET快速關斷時,電流(ids)迅速的減小產生較高的di/dt,從而在Ls的兩端產生一個負的電壓(VLS)。這個VLS電壓如果超過了MOSFET的門極閾值,MOSFET就會被誤開通。
    避免驅動誤開通的方法
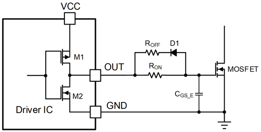
    1.門極電阻、電容法
    調整門極驅動電阻和電容
    通過調節門極驅動電阻和電容的大小可以來調整 MOSFET 的開通/關斷速度:增大門極驅動電阻和電容來減慢MOSFET開通/關斷的速度,減小 dv/dt (di/dt) 從而減小門極電壓尖峰。
    驅動電路 MOS管驅動電路
    為了避免功率管的誤開通,常用的方法是通過調整門極驅動的電阻和電容。
    2.米勒鉗位法
    為了有效的抑制由于米勒效應帶來的門極誤開通,可以在靠近功率管的門極處放一個三極管來防止在關斷期間的誤開通。
    驅動電路 MOS管驅動電路
    在關斷期間,由于Vds較高的dv/dt使Vg電壓升高,此時Q1會導通,從而將Vg電壓拉低防止誤開通MOSFET。在實際的應用中要注意PCB布線的影響,Q1要盡量的靠近功率MOSFET以減小Q1、MOSFET門極和源極之間的環路,從而降低整個環路路上的阻抗。
    3.負壓驅動法
    米勒鉗位電路能夠有效的抑制由于米勒效應引起的門極電壓尖峰,但是對于由于寄生電感引起的誤開通,米勒鉗位電路有時就不是非常的有效,此時給驅動提供負電壓是一個比較好的解決辦法。
    對于驅動電路中的誤開通,需要根據實際的情況進行分析并加以解決。
    〈烜芯微/XXW〉專業制造二極管,三極管,MOS管,橋堆等,20年,工廠直銷省20%,上萬家電路電器生產企業選用,專業的工程師幫您穩定好每一批產品,如果您有遇到什么需要幫助解決的,可以直接聯系下方的聯系號碼或加QQ/微信,由我們的銷售經理給您精準的報價以及產品介紹
     
    聯系號碼:18923864027(同微信)
    QQ:709211280

    相關閱讀