最好看的2018免费观看在线-最好看的2019中文电影-最好免费观看高清视频免费-最近免费中文字幕大全免费版视频

您好!歡迎光臨烜芯微科技品牌官網!

深圳市烜芯微科技有限公司

ShenZhen XuanXinWei Technoligy Co.,Ltd
二極管、三極管、MOS管、橋堆

全國服務熱線:18923864027

  • 熱門關鍵詞:
  • 橋堆
  • 場效應管
  • 三極管
  • 二極管
  • 多節電池保護電路,鋰電池保護電路圖介紹
    • 發布時間:2024-05-11 17:36:12
    • 來源:
    • 閱讀次數:
    多節電池保護電路,鋰電池保護電路圖介紹
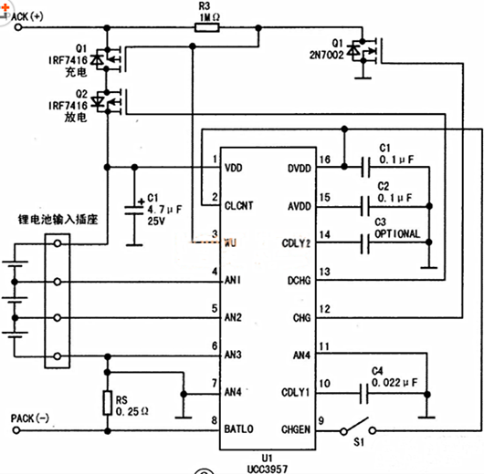
    鋰電池充放電控制芯片對電池組內的每一節電池電壓進行采樣,并與內部的精密基準電壓進行比較,當任意一節電池處于過壓或欠壓狀態時,芯片就會進行相應的控制,以防止進一步充電或放電,其典型應用電路如圖所示。
    圖中,Q1、Q2為P溝道MOSFET管,分別控制充電和放電電流。
    多節電池保護電路
    (1)電池組的連接
    電池組與IC連接要注意順序。電池組的底端連接到UCC3957(U1)的AN4端,頂端連接到VDD端,每兩節電池的連接點按相應順序連接到AN1~AN3端。
    當電池組為3節電池時,U1的②腳(CLCNT端)與16腳(DVDD端)相連,同時將⑥腳(AN3端)與⑦腳(AN4端)相連;當電池組為4節電池時,②腳接地(即連到AN4端)。
    (2)放電
    U1具有智能放電功能。放電時,U1的13腳輸出低電平,放電開關Q2導通,鋰電池組經Q2及Q1內的二極管向負載供電。當負載所需電流較大時,通過電流檢測電阻RS兩端的壓降也較大,當超過15mV(對應0.6A的放電電流)時,則U1的③腳輸出低電平,充電開關管Q1導通,從而提高電池組的放電能力。
    (3)欠壓保護
    當檢測到任一節電池處于過放電時(低于欠壓閾值),U1的③腳、13腳輸出高電平,同時關斷Q1,Q2、U1進入休眠狀態,此時芯片的工作電流僅為3.5μA。只有當③腳電壓升到VDD時,芯片檢測到后才會退出休眠狀態。
    (4)充電
    當接入充電器時,開關S1閉合,U1的⑨腳(CHGEN端)與16腳(DVDD)相通,U1的③腳輸出低電平,充電開關管Q1導通,電池組充電。
    在充電期間,如果U1處于休眠狀態,則放電開關管Q2仍然關斷,充電電流經Q2內的二極管對電池組充電。當每節電池的電壓均高于欠壓ON值時,Q2導通。
    (5)過流保護
    為了適應大的電容負載,UCC3957設有兩個過流閾值電壓,每一個閾值電壓又可以設定不同的延遲時間,即采用二級過流保護模式。這種二級過流保護既可對短路提供快速的響應,又可使電池組承受一定的浪涌電流,以防止因濾波電容容量較大而引起不必要的過流保護動作。
    電流檢測電阻RS接在U1的⑦腳(AN4)與⑧腳(BATLO)之間。當RS兩端的壓降超過某一閾值時,過流保護進入間歇模式。在這一模式下,放電開關管Q2周期性地關斷與導通,直到故障排除。一旦故障排除,芯片自動恢復到常規工作狀態。
    第一級過流保護閾值為0.15V(對應的輸出電流為6A),且持續時間超過U1設定的時間(由U1的⑩腳(CDLY1)和地之間的電容C4設定),則U1進入間歇工作模式,其輸出脈沖的占空比約為6%,即開關管的關斷時間大約是導通時間的16倍。
    第二級過流閾值為0.375V(對應的輸出電流為15A),且持續時間超過U1設定的時間(由U1的14腳(CDLY2)和地之間的電容C3設定),則U1進入間歇工作模式,其輸出脈沖的占空比小于1%,即開關管的關斷時間大約是導通時間的100倍。
    (6)過壓保護
    如果某一節電池的充電電壓超過充電閡值,則U1的③腳輸出高電平,充電開關管Q1關斷,進入過壓保護狀態。
    另外,如果電池組與U1的④~⑥腳(AN 1 -AN3)的連線斷路,則U1也將進入過壓保護狀態。
    〈烜芯微/XXW〉專業制造二極管,三極管,MOS管,橋堆等,20年,工廠直銷省20%,上萬家電路電器生產企業選用,專業的工程師幫您穩定好每一批產品,如果您有遇到什么需要幫助解決的,可以直接聯系下方的聯系號碼或加QQ/微信,由我們的銷售經理給您精準的報價以及產品介紹
     
    聯系號碼:18923864027(同微信)
    QQ:709211280

    相關閱讀