最好看的2018免费观看在线-最好看的2019中文电影-最好免费观看高清视频免费-最近免费中文字幕大全免费版视频

您好!歡迎光臨烜芯微科技品牌官網!

深圳市烜芯微科技有限公司

ShenZhen XuanXinWei Technoligy Co.,Ltd
二極管、三極管、MOS管、橋堆

全國服務熱線:18923864027

  • 熱門關鍵詞:
  • 橋堆
  • 場效應管
  • 三極管
  • 二極管
  • TVS與ESD的區別,TVS和ESD哪種防靜電好
    • 發布時間:2024-05-18 19:18:00
    • 來源:
    • 閱讀次數:
    TVS與ESD的區別,TVS和ESD哪種防靜電好
    ESD(Electrostatic Discharge,靜電放電)和 TVS(Transient Voltage Suppressor,瞬態電壓抑制器)都是用于保護電路免受靜電放電和瞬態電壓損害的元器件,但它們的工作原理和應用場景有所不同。
    ESD(靜電放電):
    ESD 是一種靜電保護元件,主要用于保護電子設備免受靜電放電的影響。ESD 通常采用陶瓷材料或多層金屬氧化物制成,具有快速響應和低電容的特點。它主要用于吸收和釋放設備上的靜電電荷,以保護電路免受靜電放電的損害。
    TVS(瞬態電壓抑制器):
    TVS 是一種用于抑制電路中瞬態電壓的元件,通常采用半導體材料制成。TVS 在電路中起到瞬態電壓抑制作用,能夠抑制電源線、信號線和數據線上的瞬態過電壓,從而保護電路免受瞬態電壓的損害。
    選擇TVS一般是看器件的功率和封裝,ESD器件一般看中的是它的ESD rating (HBM/MM)和IEC61000-4-2的LEVEL,高速的USB和I/O很重視它的容值。
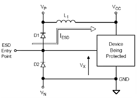
    TVS管有兩個引腳,是兩腳器件;而ESD抑制二極管有三個引腳,是三腳器件。ESD抑制二極管兩個二極管串起來后,引出三根引腳。其電路符號分別如下圖所示。
    TVS ESD 區別
    TVS主要用在電源輸入端起到防浪涌的作用,瞬間吸收浪涌電流對后級電路起到保護作用。ESD二極管的正負接在電源引腳,公共端接在被保護引腳上起到釋放靜電的作用。
    常見的esd保護電路如下圖:
    TVS ESD 區別
    TVS管和ESD管的對比:
    --ESD二極管應用板級防靜電,然而防靜電要求電容值低,一般在1--3.5PF之間最好;
    --TVS管用于初/次級保護,TVS管的電容值卻比較高。
    -- ESD二極管看的是ESD二極管抗靜電等級LEVEL,高速的USB和I/O非常重視ESD二極管的C(負載電容);
    --TVS管看的是功率和封裝形式;
    --TVS管是瞬態抑制二極管,具有很快的響應能力和強大的浪涌吸收能力,主要用在電源輸入端用來吸收浪涌的;
    --ESD是靜電放電管,主要用在關鍵引腳上起到靜電保護作用。
    --TVS管有兩個引腳,是兩腳器件;TVS主要用在電源輸入端起到防浪涌的作用,瞬間吸收浪涌電流對后級電路起到保護作用。
    --ESD有三個引腳,是三腳器件。ESD管兩個三極管串起來后,引出三根引腳。ESD二極管的正負接在電源引腳,公共端接在被保護引腳上起到釋放靜電的作用。
    選擇 ESD 和 TVS 時,需要考慮以下幾個方面:
    1. 工作電壓范圍:根據電路的工作電壓范圍選擇合適的 ESD 或 TVS,確保其在正常工作范圍內具有良好的性能。
    2. 靜電放電能力:根據電路可能承受的靜電放電電壓選擇合適的 ESD,以確保其能夠有效地吸收和釋放靜電電荷。
    3. 瞬態電壓抑制能力:根據電路可能遭受的瞬態電壓選擇合適的 TVS,以確保其能夠有效地抑制瞬態電壓。
    4. 電容和響應速度:根據電路的特性和要求選擇合適的 ESD 或 TVS 的電容和響應速度。
    〈烜芯微/XXW〉專業制造二極管,三極管,MOS管,橋堆等,20年,工廠直銷省20%,上萬家電路電器生產企業選用,專業的工程師幫您穩定好每一批產品,如果您有遇到什么需要幫助解決的,可以直接聯系下方的聯系號碼或加QQ/微信,由我們的銷售經理給您精準的報價以及產品介紹
     
    聯系號碼:18923864027(同微信)
    QQ:709211280

    相關閱讀