最好看的2018免费观看在线-最好看的2019中文电影-最好免费观看高清视频免费-最近免费中文字幕大全免费版视频

您好!歡迎光臨烜芯微科技品牌官網!

深圳市烜芯微科技有限公司

ShenZhen XuanXinWei Technoligy Co.,Ltd
二極管、三極管、MOS管、橋堆

全國服務熱線:18923864027

  • 熱門關鍵詞:
  • 橋堆
  • 場效應管
  • 三極管
  • 二極管
  • MOS管并聯的問題與解決方案介紹
    • 發布時間:2024-07-26 18:40:32
    • 來源:
    • 閱讀次數:
    MOS管并聯的問題與解決方案介紹
    一.MOS管并聯的問題以及解決方案
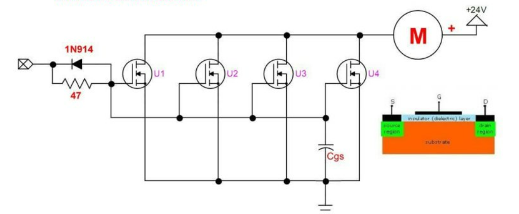
    對于NMOS而言,我們在G極施加正電壓,會吸引負電荷從而形成導通溝道,從MOS管的結構可以看出由于G和S以及D之間存在絕緣層,從而會產生寄生電容的問題。
    MOS管并聯
    當我們在開關電機這種感性負載時,當感性負載兩端的壓降降低后,GD之間寄生電容的存在會導致流經柵極電阻的電流增大,并且在dv/dt較大時,干擾會通過GD在柵極形成較大的干擾電壓,可能會使得MOS管誤導通。而GS之間的寄生電容的存在則會導致驅動波形變得畸形,MOS管的開關產生延時。
    MOS管并聯
    通過下圖能明顯看出從驅動器出來的方波驅動波形倒是MOS管柵極后就變了樣,所以問題就來了,一個MOS的柵極電容可能不算什么,但是當你把幾個MOS并聯起來后你會發現這個時候的柵極電容已經足夠大了,你完全不能忽略他了,所以你一定要測一下柵極的驅動波形,看看是不是已經畸變的不成樣子了。或者你也可以在設計之前先評估一下由于寄生電容導致的波形上升時間,我們可以在規格書中找到MOS的柵極寄生電容C,如果你的4個MOS并聯在一起,那總電容約等于4*C,如果柵極串聯的電阻是100R,那么時間常數就是4*C*100,一般3-5RC可以完成電容的充電,所以驅動波形上升時間大概是3*4*C*100。
    MOS管并聯
    知道了問題所在,接下來就談談怎么解決問題,寄生電容是MOS的固有特性,只要不換MOS型號,那么我們是沒法減小MOS的寄生電容容值的,所以我們只能從減小柵極電阻R出發,把所有柵極連在一起,只用一個柵極電阻,給電阻并聯一個二極管,這樣MOS關斷時由于二極管導通,電阻相當于被二極管短路,可以加速MOS關斷。或者選用驅動能力比較強的驅動IC也能改善此問題。
    MOS管并聯
    二.總結
    MOS管并聯的應用,大家一定要注意驅動波形畸變的問題,特別是在PWM模式下工作時,驅動頻率高的話可能會出問題,這些都是需要我們在前期設計就要考慮。
    〈烜芯微/XXW〉專業制造二極管,三極管,MOS管,橋堆等,20年,工廠直銷省20%,上萬家電路電器生產企業選用,專業的工程師幫您穩定好每一批產品,如果您有遇到什么需要幫助解決的,可以直接聯系下方的聯系號碼或加QQ/微信,由我們的銷售經理給您精準的報價以及產品介紹
     
    聯系號碼:18923864027(同微信)
    QQ:709211280

    相關閱讀