最好看的2018免费观看在线-最好看的2019中文电影-最好免费观看高清视频免费-最近免费中文字幕大全免费版视频

您好!歡迎光臨烜芯微科技品牌官網!

深圳市烜芯微科技有限公司

ShenZhen XuanXinWei Technoligy Co.,Ltd
二極管、三極管、MOS管、橋堆

全國服務熱線:18923864027

  • 熱門關鍵詞:
  • 橋堆
  • 場效應管
  • 三極管
  • 二極管
  • Buck降壓型開關穩壓器自舉電路介紹
    • 發布時間:2024-08-13 18:21:21
    • 來源:
    • 閱讀次數:
    Buck降壓型開關穩壓器自舉電路介紹
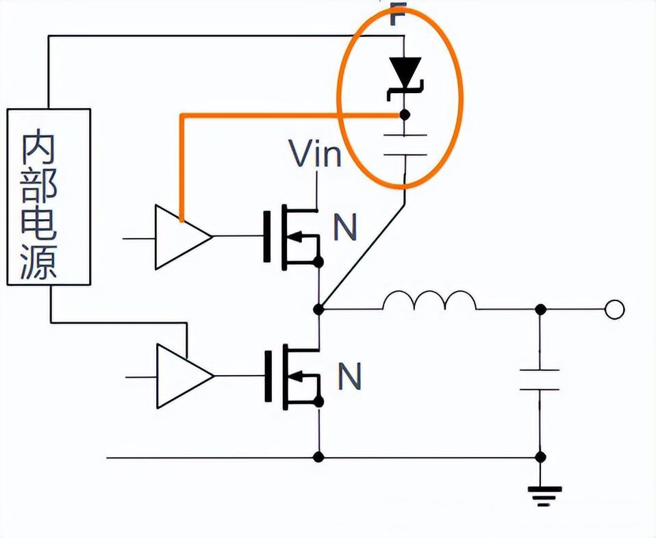
    在Buck開關中,常使用N-MOS管作為功率開關管。相比于P-MOS,N-MOS具有導通電阻低價格便宜且流過電流較大等優勢。在同步結構中對于開關管的使用一般有兩種方式:
    上管為P-MOS,下管為N-MOS;無需外部自舉電路
    上下管均為N-MOS;需要外部自舉電路
    Buck降壓型開關穩壓器 自舉電路Buck降壓型開關穩壓器 自舉電路
    從上圖可知,由于N-MOS導通條件是柵極電壓比源極電壓高。對于上管而言必須增加自舉電路才能保證上管完全導通。下面就介紹下自舉電路原理:
    ①當上管關斷下管打開時,開關節點處的電壓拉低到GND。這時內部電源通過二極管給電容進行充電。
    ②當上管打開下管關斷時,開關節點電壓變高。二極管處于截至狀態,此時充滿電的自舉電容開始工作,由于電容兩端電壓不能突變,導致上管柵極的電壓提升到Vin+內部電源-二極管正向導通電壓,大于源極電壓Vin,保證上管順利導通。
    自舉電路使用于占空比比較小(D<65%)的場合,如果占空比過大會出現不穩定情況。
    當占空比很大時,即下管導通時間很短,因為在下管導通時自舉電容才會充電。這樣會造成關斷時間給電容充電的能力不足夠驅動消耗會導致Boot引腳電壓持續下降。當該電壓掉到無法完全驅動上管時,上管驅動電路關閉出現不穩定情況。
    為了解決高占空比下自舉電容的問題,下面介紹幾種方法:
    使用PMOS作為上管
    繼續使用N-MOS,內部需要使用電荷泵電路來替代自舉電容,目的一樣。這個需要持續提供高于VIN的電壓,實現起來較復雜且成本增加。
    Buck降壓型開關穩壓器 自舉電路
    外部自舉電路
    最常用的方法是外部添加自舉電路,外部電源V_ext一般可以在Vout端直接取電,但一般在3.3-5V。大于5V時會導致較高的驅動能力會引入噪音,形成不穩定的開關切換過程。當大于5V時需要增加分壓電阻分壓或者穩壓管來實現,如下圖示意:
    Buck降壓型開關穩壓器 自舉電路Buck降壓型開關穩壓器 自舉電路〈烜芯微/XXW〉專業制造二極管,三極管,MOS管,橋堆等,20年,工廠直銷省20%,上萬家電路電器生產企業選用,專業的工程師幫您穩定好每一批產品,如果您有遇到什么需要幫助解決的,可以直接聯系下方的聯系號碼或加QQ/微信,由我們的銷售經理給您精準的報價以及產品介紹
     
    聯系號碼:18923864027(同微信)
    QQ:709211280
    相關閱讀