最好看的2018免费观看在线-最好看的2019中文电影-最好免费观看高清视频免费-最近免费中文字幕大全免费版视频

您好!歡迎光臨烜芯微科技品牌官網!

深圳市烜芯微科技有限公司

ShenZhen XuanXinWei Technoligy Co.,Ltd
二極管、三極管、MOS管、橋堆

全國服務熱線:18923864027

  • 熱門關鍵詞:
  • 橋堆
  • 場效應管
  • 三極管
  • 二極管
  • NPN型與PNP型三極管介紹,三極管BE端并聯電阻的作用解析
    • 發布時間:2024-08-21 18:22:03
    • 來源:
    • 閱讀次數:
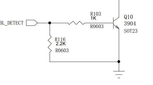
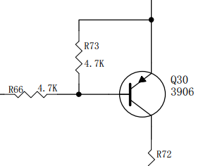
    NPN型與PNP型三極管介紹,三極管BE端并聯電阻的作用解析
    三極管又分NPN型三極管和PNP型三極管。
    常用NPN三極管為3904,PNP三極管為3906。
    NPN:
    NPN型 PNP型三極管 三極管BE端并聯電阻
    NPN三極管的基極為高電平時三極管導通。
    PNP:
    NPN型 PNP型三極管 三極管BE端并聯電阻
    PNP三極管的基極為低電平時三極管導通。
    三極管BE端并聯電阻的作用:
    三極管B-E間電阻不是限流更不是分壓,但截止則是相對的,因為 b-e間有漏電流,而且,作為單片機的I/O口,其“0”狀態也不完全是“0V”的(對地有一個MOS管的壓降),這就有可能導致輸出三極管截止不良(關不斷),通過B-E間并一電阻可以讓B極電壓等與E級電壓,從而讓三極管可靠地截止,提高可靠性。
    〈烜芯微/XXW〉專業制造二極管,三極管,MOS管,橋堆等,20年,工廠直銷省20%,上萬家電路電器生產企業選用,專業的工程師幫您穩定好每一批產品,如果您有遇到什么需要幫助解決的,可以直接聯系下方的聯系號碼或加QQ/微信,由我們的銷售經理給您精準的報價以及產品介紹
     
    聯系號碼:18923864027(同微信)
    QQ:709211280

    相關閱讀