CMOS集成電路是互補型金屬氧化物半導體電路(ComplementaryMetal-Oxide-Semiconductor)的英文字頭縮寫,它由絕緣場效應晶體管組成,由于只有一種載流子,因而是一種單極型晶體管集成電路;所以在應用過程中,不可避免地要遇到不同類別的器件間相互連接問題。當各器件的邏輯電平互不一致,不能正確接受和傳遞信息時,就要使用接口電路。本文介紹了兩類的接口電路設計。
這里主要介紹兩類接口。
一、CMOS集成電路驅動其它器件
1.CMOS-TTL集成電路的接口
由于TTL的低電平輸入電流1.6mA,而CMOS的低電平輸出電流只有1.5mA,因而一般都得加一個接口電路。這里介紹一種采用單電源的接口電路。在圖1中,門II起接口電路的作用,是CMOS集成電路緩沖/電平變換器,起緩沖驅動或邏輯電平變換的作用,具有較強的吸收電流的能力,可直接驅動TTL集成電路,因而連接簡便。但是,使用時需要注意相位問題。電路中CC4049是六反相緩沖/變換器,而CC4050是六同相緩沖/變換器。


圖1CMOS-TTL集成電路接口
2.CMOS-HTL集成電路的接口
HTL集成電路是標準的工業集成電路,具有較高的抗干擾性能。由于CMOS集成電路的工作電壓很寬,因而可與HTL集成電路共用+15V電源。此時,兩者之間的VOH、VOL及IIH、IIL均互相滿足,不必另設接口電路,直接相連即可,連接電路見圖2。


圖2CMOS-HTL集成電路接口
3.CMOS-ECL集成電路的接口
ECL集成電路是一種非飽和型的數字邏輯電路。其工作速度居所有邏輯電路之首。ECL采用負電源供電。CMOS集成電路驅動ECL集成電路可使用單電源工作,如圖3所示。ECL集成電路加-5.2V工作電壓,CMOS的VDD接地,VSS接至-5.2V。以ECL集成電路CE10102為例,(CE10102內部包括4個2輸入或非門),流入ECL的輸入高電平電流IIH為265uA,輸入高電平電壓VIH為-1.105V,在單電源下CMOS電路可以滿足ECL集成電路的輸入需要。


圖3CMOS-ECL集成電路接口
4.CMOS-NMOS集成電路的接口
NMOS集成電路是N溝道MOS電路,NMOS集成電路的輸入阻抗很高,基本上不需要吸收電流,因此,CMOS與NMOS集成電路連接時不必考慮電流的負載問題。
NMOS集成電路大多采用單組正電源供電,并且以5V為多。CMOS集成電路只要選用與NMOS集成電路相同的電源,就可與NMOS集成電路直接連接。不過,從NMOS到CMOS直接連接時,由于NMOS輸出的高電平低于CMOS集成電路的輸入高電平,因而需要使用一個(電位)上拉電阻R,如圖4所示,R的取值一般選用2~100KΩ。


圖4CMOS-NMOS集成電路接口
5.CMOS-PMOS集成電路的接口
PMOS集成電路是一種適合在低速、低頻領域內應用的器件。PMOS集成電路采用-24V電壓供電。如圖5所示的CMOS-PMOS接口電路采用兩種電源供電采用直接接口方式,一般CMOS的電源電壓選擇在10~12V就能滿足PMOS對輸入電平的要求。


圖5CMOS-PMOS集成電路接口
6.CMOS-工業控制電路的接口
工業控制電路是工業控制系統中常用的電路,多采用24V工作電壓。圖6示出了CMOS電路與工業控制電路的連接方法。圖中R1是晶體三極管VT的基極偏流電阻,VT的作用是把CMOS電路較低的邏輯高電平拉到24V,使兩者構成良好的連接。


圖6CMOS-工業控制電路接口
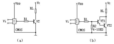
7.CMOS-晶體三極管VT的接口
圖7a是CMOS集成電路驅動晶體三極管的接口。晶體三極管VT采用共發射極形式連接R1是VT的負載電阻,R1是VT的基極偏流電阻,R1的大小由公式R1=(VOH-VBH)β/IL決定。式中IL為負載電流。使用時應先根據VL和IL來選定VC,然后估算IB(IB=IL/β)是否在CMOS集成電路的驅動能力之內。如超出,可換用β值更高的晶體三極管或達林頓管,如圖7b所示。晶體三極管VT按IL選定,IB=IL/(β1*β2),電阻R1的取值為:R1=(VOH-1.4)/(IB+1.4/R2),式中R2是為改善電路的開關特性而引入的,其值一般取為4?10KΩ。


圖7CMOS-晶體三極管VT接口
8.CMOS-發光二極管LED的接口
發光二極管(LED)具有高可靠性、低功耗、長壽命等多項重要特性。是與CMOS集成電路配合使用的最佳終端顯示器件之一。發光效率較高的LED可由CMOS集成電路直接驅動,特別當VDD=10~18V時,絕大多數的LED能夠有足夠的亮度。應當說明,用CMOS集成電路驅動LED應串入限流電阻,因為當VDD=10V時,其輸出短路電流可達20mA左右,若不加適當的限流保護,極易導致LED或CMOS集成電路損壞。圖8a是CMOS集成電路輸出低電平點亮LED的電路,電阻R可通過公式:R=(VDD-VOL-VLED)/ILED求出。圖8b是CMOS集成電路輸出高電平點亮LED的電路,電阻R的數值通過公式:R=(VOH-VLED)/ILED求出。式中VLED和分別是LED的工作電壓和工作電流。


圖8CMOS-發光二極管LED接口
如果在低電源電壓下工作的CMOS集成電路要驅動LED,或者使用負載能力較差的COOO系列CMOS集成電路驅動LED,均可能難以使LED發出足夠明亮的光。解決辦法是加一級晶體管驅動電路,以獲得足夠的驅動能力。
9.CMOS-可控硅VS的接口
一般中、小功率可控硅的觸發電流約在10mA以下,故多數CMOS集成電路能夠直接驅動可控硅。具體電路如圖9所示。若需要更大的驅動電流,可改為CMOS緩沖器(例如CC4041)或緩沖/驅動器(例如CC40107),也可加一級晶體三極管電路。


圖9CMOS-可控硅VS接口
二、其它器件驅動CMOS集成電路
1.TTL-CMOS集成電路的接口
利用集電極開路的TTL門電路可以方便靈活地實現TTL與CMOS集成電路的連接,其電路如圖10所示。圖1中的RL是TTL集電極開路門的負載電阻,一般取值為幾百Ω到幾MΩ。RL取較大值便于減小集電極開路門的功耗,但在一定程度上影響電路的工作速度。一般情況下,RL可取值47?220KΩ;中速、高速工作場合取20KΩ以下較為合適。


圖10TTL-CMOS集成電路接口
2.ECL-CMOS集成電路的接口
ECL集成電路驅動CMOS集成電路的連接方法如圖11所示。它利用MC1024(ECL)的輸出去驅動晶體三極管VT,再由VT去驅動CMOS集成電路。當MC1024的兩個輸入端都是-8V時,VT截止;若兩個輸入中的一個為-1.6V,在兩個輸出之間就有1.6V的電壓,既可驅動晶體管VT。


圖11ECL-CMOS集成電路接口
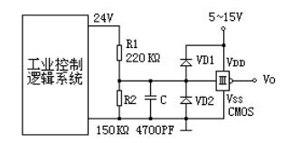
3.工業控制電路-CMOS集成電路的接口
圖12所示接口電路,是利用分壓電阻R1、R2將24V工業控制電路與CMOS集成電路連接。濾波電容C提高了CMOS集成電路的抗干擾能力,兩個箝位二極管VD1、VD2用來保證輸入信號被控制在VDD和VSS之間。


圖12工業控制電路-CMOS集成電路接口
4.NMOS-CMOS集成電路的接口
NMOS集成電路驅動CMOS集成電路的接口比較簡單。圖13為其中的一種電路。實際使用時只考慮當晶體三極管VT截止時,它的集電極電壓符合CMOS集成電路的輸入高平電壓這一條件。圖中RC的取值可在2~10K范圍內。由于VT的飽和壓降一般都比教小,都能符合CMOS輸入邏輯低電平的要求。


圖13NMOS-CMOS集成電路接口
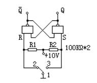
5.機械開關觸點-CMOS集成電路的接口
許多電子設備都要通過撥盤開關、按扭、板鍵、鈕子開關和繼電器等與外界的傳感器或人工操作設備發生聯系,但由于這些開關的觸點都是機械的,所以在通斷過程中出現瞬間抖動,這些抖動輸入到CMOS集成電路中,就會干擾正常的邏輯關系。因此,在這類場合應用,需要設置防抖動接口。圖14所示電路采用CMOS與非門來構成的R-S觸發器防抖動接口。


圖14機械開關觸點-CMOS集成電路接口
6.HTL-CMOS集成電路的接口
HTL集成電路的電源電壓為15V,其輸出高電平VOH和輸出低電平電壓VOL完全適合于驅動VDD=15V的CMOS集成電路,因此兩者之間不需另設接口電路,直接連接既可,電源電壓也可通用,如圖15所示。


圖15HTL-CMOS集成電路接口
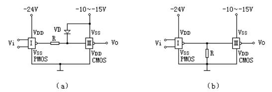
7.PMOS-CMOS集成電路的接口
如圖16所示的PMOS-CMOS集成電路的接口電路采用兩種電源供電。這樣連接后,盡管PMOS集成電路的輸出電平對自身的VSS端來講仍為負值,但對CMOS集成電路的VSS端而言卻變成正值、或零、或略低于零。例如當CMOS用12V電源時,其輸入電平為VIH=10V、VIL=0V,完全適合接口的需要。圖16a中R取值應使CMOS輸入電流不大于50uA;圖16b中取值應使PMOS的VOL為-9.5~-10V。


圖16PMOS-CMOS集成電路接口
8.HCMOS-CMOS集成電路的接口
這種情況通常較少遇見。由于兩者均是CMOS器件,故接口很容易,在CMOS與HCMOS同用一組電源時,直接連接便可。
9.運算放大器-CMOS集成電路的接口
由于運算放大器電路采用±15V雙電源供電的較多,其輸出電壓最大可達±13V左右。對于CMOS集成電路來講,輸入信號不能超過電源電壓,因此需在CMOS的輸入端設置負向鉗位二極管予以保護。此外,如果CMOS的電源電壓低于13V,則還應設置正向鉗位二極管,用以防止CMOS的輸入電路被超過VDD較多的輸入正向電壓而燒壞。考慮以上兩個因素,我們可以得到如圖17a所示的運算放大器驅動CMOS的接口電路。圖中R1的作用是限制運算放大器的輸入電流,避免器件因過流而損壞;VD1和VD2分別為正向和負向輸入鉗位二極管。


圖17運算放大器-CMOS集成電路接口
對于采用單電源供電的運算放大器,因其輸出對地無負向成分,故CMOS的輸入負向鉗位二極管可不設。如果運算放大器與CMOS同用一組電源,則正向鉗位二極管也可以省去。這樣兩者就可直接連接,如圖17b所示。應注意,有的運算放大器不宜或不能在較低的電源電壓下工作,倘若運算放大器的電源電壓高于CMOS的電源電壓,就仍需設置正向鉗位二極管和限流電阻。
以上就是CMOS集成電路的接口電路設計介紹了,主要是CMOS集成電路驅動其它器件的接口設計和其它器件驅動CMOS集成電路的接口設計。由于CMOS集成電路中的基本器件是MOS晶體管,屬于多數載流子導電器件。各種射線、輻射對其導電性能的影響都有限,因而特別適用于制作航天及核實驗設備。
〈烜芯微/XXW〉專業制造二極管,三極管,MOS管,橋堆等,20年,工廠直銷省20%,上萬家電路電器生產企業選用,專業的工程師幫您穩定好每一批產品,如果您有遇到什么需要幫助解決的,可以直接聯系下方的聯系號碼或加QQ/微信,由我們的銷售經理給您精準的報價以及產品介紹
聯系號碼:18923864027(同微信)
QQ:709211280

