最好看的2018免费观看在线-最好看的2019中文电影-最好免费观看高清视频免费-最近免费中文字幕大全免费版视频

您好!歡迎光臨烜芯微科技品牌官網!

深圳市烜芯微科技有限公司

ShenZhen XuanXinWei Technoligy Co.,Ltd
二極管、三極管、MOS管、橋堆

全國服務熱線:18923864027

  • 熱門關鍵詞:
  • 橋堆
  • 場效應管
  • 三極管
  • 二極管
  • 穩壓二極管的應用電路介紹
    • 發布時間:2024-10-17 20:34:04
    • 來源:
    • 閱讀次數:
    穩壓二極管的應用電路介紹
    穩壓二極管比較特殊,基本結構與普通二極管一樣,也有一個PN結。由于制造工藝的不同,當這種PN結處于反向擊穿狀態時,PN結不會損壞(普通二極管的PN結是會損壞),在穩壓二極管用來穩定電壓時就是利用它的這一擊穿特性。
    由于穩壓二極管具有穩壓作用,因此在很多電路當中均有應用,如穩壓電源、限幅電路、過壓保護電路、補償電路等等。下面一起來看看其常應用的電路:
    01典型直流穩壓電路
    穩壓二極管主要用來構成直流穩壓電路這種直流穩壓電路結構簡單,穩壓性能一般。圖所示是穩壓二極管構成的典型直流穩壓電路。電路中,VD1是穩壓二極管,Rl是VD1的限流保護電阻。
    穩壓二極管的應用電路
    圖1 典型直流穩壓電路圖
    未經穩定的直流工作電壓+V通過R1加到穩壓二極管上,由于+V遠大于VD1穩壓值,所以VD1進入工作狀態,其兩端得到穩定的直流電壓,作為穩壓電路的輸出電壓。
    02串聯型穩壓電路電路
    如圖2所示,在此電路中,串聯穩壓管,BG的基極被穩壓二極管D鉗定在13V,那么其發射極就輸出恒定的12V電壓了。這個電路在很多場合下都有應用。
    穩壓二極管的應用電路
    圖2 串聯型穩壓電路圖
    03溫度補償穩壓二極管
    在溫度補償電路利用的是穩壓二極管的溫度系數,如圖3是用溫度互補型穩壓二極管構成的穩壓電路,采用互補型穩壓二極管對于穩壓要求較高的電路當中,特別是溫度對電壓的影響,這種具有溫度互補特性的穩壓二極管內部其實有兩只普通的穩壓二極管,但是它們的溫度特性相反,當溫度升高或下降時,一只二極管的管壓降下降,另一只二極管的管壓降升高,這樣兩只二極管總的管壓降保持不變,起到到溫度補償作用。
    穩壓二極管的應用電路
    圖3 溫度補償電路圖
    04電子濾波器圖
    圖4所示是電子濾波器中的穩壓二極管應用電路。電路中,VD1是穩壓二極管,VT1是電子濾波管,C1是VT1基極濾波電容,R1是VT1偏置電阻。
    穩壓二極管的應用電路
    圖4 電子濾波器電路圖
    在穩壓二極管導通后,將VT1基極電壓穩壓在13V,根據三極管發射結導通后的結電壓基本不變特性可知,這時VT1發射極直流輸出電壓也是穩定的,達到穩定直流輸出電壓的目的。
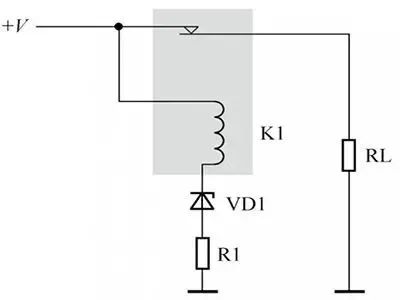
    05浪涌保護電路
    圖5所示是穩壓二極管構成的浪涌保護電路。電路中,K1是繼電器,VD1是穩壓二極管,Rl是限流保護電阻,RL是負載電阻。
    穩壓二極管的應用電路
    圖5 浪涌保護電路圖
    當工作電壓+V沒有浪涌出現時,+V電壓沒有高到足以使穩壓二極管VD1導通的程度,這時VD1截止,沒有電流流過繼電器K1,K1的觸點保持接通狀態,+V通過繼電器觸點為負載RL正常供電。
    當工作電壓+V出現浪涌時,由于電壓升高,穩壓二極管VD1導通,這時有電流流過繼電器K1,K1的觸點斷開,電壓+V不能通過繼電器觸點為負載RL供電,達到保護負載RL的目的。
    Prev: 常見可控硅應用電路
    Next: 專注寬電壓范圍運用的運算放大器LM358
    〈烜芯微/XXW〉專業制造二極管,三極管,MOS管,橋堆等,20年,工廠直銷省20%,上萬家電路電器生產企業選用,專業的工程師幫您穩定好每一批產品,如果您有遇到什么需要幫助解決的,可以直接聯系下方的聯系號碼或加QQ/微信,由我們的銷售經理給您精準的報價以及產品介紹
     
    聯系號碼:18923864027(同微信)
     
    QQ:709211280

    相關閱讀