最好看的2018免费观看在线-最好看的2019中文电影-最好免费观看高清视频免费-最近免费中文字幕大全免费版视频

您好!歡迎光臨烜芯微科技品牌官網!

深圳市烜芯微科技有限公司

ShenZhen XuanXinWei Technoligy Co.,Ltd
二極管、三極管、MOS管、橋堆

全國服務熱線:18923864027

  • 熱門關鍵詞:
  • 橋堆
  • 場效應管
  • 三極管
  • 二極管
  • MOS管使用推挽的作用是什么,需要考慮電流大小嗎
    • 發布時間:2024-12-18 18:03:21
    • 來源:
    • 閱讀次數:
    MOS管使用推挽的作用是什么,需要考慮電流大小嗎
    當MOS管驅動能力不足時,我們會使用推挽電路來放大電流,但是MOS管明明是壓控型器件,為什么要去考慮電流大小呢?
    MOS管使用推挽的作用
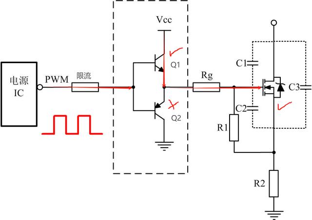
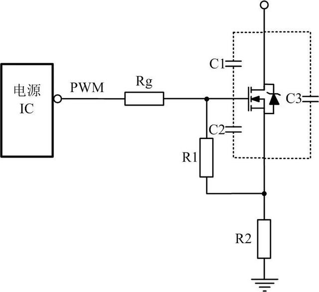
    推挽工作原理:由電源IC發出占空比信號,也就是這個方波,通過電阻限流到達三極管的基極:上管是npn下管是pnp。
    當信號為高電平輸出到達三極管基極時,Q1導通,(npn在高電平時導通),隨后MOS管導通。
    MOS管使用推挽的作用MOS管使用推挽的作用
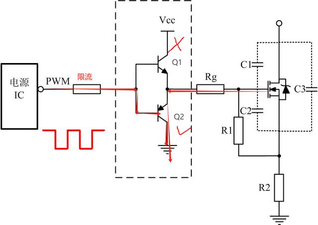
    當輸出低電平時,上管Q1截止,Q2導通(pnp是低電平導通),隨后MOS管通過電阻放電到地,最后截止。
    MOS管使用推挽的作用MOS管使用推挽的作用
    也就是說,通過兩個三極管輪流工作來進行一推一挽,來達到推挽的功能。
    這里的R1的作用是用來確定開機時候的初始電位,以防開機誤觸發mos管,以及關機放電。
    那R2呢?有沒有小伙伴知道的在評論區解答一下~
    通常會使用推挽電路是因為,有時一些IC或者CPU的電流比較小,不足以驅動MOS管,所以加入推挽來增加驅動能力。
    那為什么MOS管是壓控性器件,還需要考慮電流大小進行驅動?
    這是一個IC直接驅動電路:
    MOS管使用推挽的作用
    首先需要從IC手冊中了解它最大的峰值驅動電流(不同IC芯片驅動能力不同),C1、C2決定了MOS管被驅動時 的導通速度。
    當IC電流比較小時,C1 C2會比較大,這時MOS管的驅動速度會變慢,在有些電路中是不適應的。
    原因很簡單,這是因為MOS管的輸入電容CGS和CGD這兩個電容和芯片的面積有一定關系,MOS管本質上雖然是壓控型器件,但柵極電位的上升與下降本質上是對CGS、CGD電容的充放電速度。
    MOS管使用推挽的作用
    因此當MOS管驅動能力不足時,就需要利用推挽來進行放大電流了。
    〈烜芯微/XXW〉專業制造二極管,三極管,MOS管,橋堆等,20年,工廠直銷省20%,上萬家電路電器生產企業選用,專業的工程師幫您穩定好每一批產品,如果您有遇到什么需要幫助解決的,可以直接聯系下方的聯系號碼或加QQ/微信,由我們的銷售經理給您精準的報價以及產品介紹
     
    聯系號碼:18923864027(同微信)
     
    QQ:709211280

    相關閱讀