最好看的2018免费观看在线-最好看的2019中文电影-最好免费观看高清视频免费-最近免费中文字幕大全免费版视频

您好!歡迎光臨烜芯微科技品牌官網!

深圳市烜芯微科技有限公司

ShenZhen XuanXinWei Technoligy Co.,Ltd
二極管、三極管、MOS管、橋堆

全國服務熱線:18923864027

  • 熱門關鍵詞:
  • 橋堆
  • 場效應管
  • 三極管
  • 二極管
  • 8N04場效應管,8N04參數8A 40V SOT-89,8N04中文資料規格書
    • 發布時間:2024-12-02 19:20:03
    • 來源:
    • 閱讀次數:
    8N04場效應管,8N04參數8A 40V SOT-89,8N04中文資料規格書
    8N04場效應管參數,8N04規格書,8N04引腳圖,8N04中文資料pdf代替
    8N04
    8N04 SOT-89封裝參數:點擊查看8N04
    8N04場效應管參數具體如下:
    8N04
    封裝類型:SOT-89
    極性:NPN
    漏極電流:8A
    功率耗散:2W
    反向傳輸電容Crss:58pF
    柵極源極擊穿電壓:±20V
    擊穿電壓:40V
    存儲溫度:-55℃~+150℃
    引腳數:3Pin
    導通電阻ID=8A,VGS=10V:Typ 19mΩ Max 24mΩ
    導通電阻ID=5A,VGS=4.5V:Typ 25mΩ Max 35mΩ
    工作溫度:-55℃~+150℃
    安裝類型:SMT
    二、作用與應用
    8N04場效應管的核心作用是作為電子開關使用。在電路中,它通過控制柵極電壓來調節漏源路徑上的電流流動,實現對負載的精確控制。由于其出色的電氣性能,8N04廣泛應用于以下領域:
    電源管理:8N04可用于電源管理,如電源轉換和電池保護。
    高保真放大器:在音頻放大器中,8N04可以提供高保真的音質放大。
    步進電機驅動器:適用于步進電機的驅動控制。
    閃光燈驅動器:在閃光燈驅動器中,8N04可以控制閃光燈的亮度和電源管理。
    汽車電子設備:8N04也適用于汽車電子設備中的電源管理和電機控制。
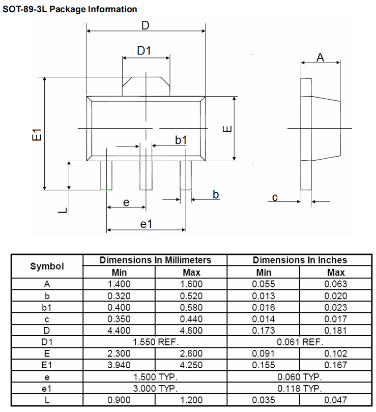
    三、SOT-89封裝特點
    8N04采用SOT-89封裝,這是一種功率封裝形式,具有以下特點:
    散熱性能好:SOT-89封裝具有良好的散熱性能,適合高功率應用。
    耐壓高:SOT-89封裝的8N04場效應管通常具有較高的耐壓值,適合高壓應用。
    封裝緊湊:SOT-89封裝緊湊,適合空間受限的應用。
    引腳布局:SOT-89封裝通常有3個引腳,布局合理,便于焊接和連接。
    8N04場效應管/SOT-89封裝尺寸:
    8N04
    〈烜芯微/XXW〉專業制造二極管,三極管,MOS管,橋堆等,20年,工廠直銷省20%,上萬家電路電器生產企業選用,專業的工程師幫您穩定好每一批產品,如果您有遇到什么需要幫助解決的,可以直接聯系下方的聯系號碼或加QQ/微信,由我們的銷售經理給您精準的報價以及產品介紹
     
    聯系號碼:18923864027
    QQ:709211280
     
    相關閱讀