1.2 什么是開關穩壓器?


開關穩壓器,英文(regulatior),或稱調節器、穩壓源,是用于穩定電壓的電子設備。它的實現需要一個控制系統,也就是負反饋。當電壓上升時,通過負反饋使其降低;當電壓下降時,通過負反饋使其升高。這樣就形成了一個自動控制的環路。在圖中,方框圖展示了 PWM(脈寬控制方式),除此之外,還有其他控制方式,如 PFM(頻率控制方式)和移相控制方式等。
1.3 脈寬調試方式(PWM)
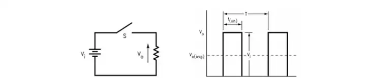
1.3.1 周期性的改變開關的導通與關斷時間的簡單方法


占空比是指開關在開通狀態下的時間與整個開關周期的時間之比,即 ton / T,ton(開通時間) + toff(關斷時間) = T(開關周期)。然而,我們不能僅依靠一個脈沖來實現能量的平穩流動。為了實現平穩的電壓,我們需要通過許多高頻脈沖來切換開關,從而在開關接通期間存儲能量,并在開關切斷時釋放這些能量。這種方法可以確保能量的平穩流動,避免電壓波動。
1.3.2 在電子行業中有兩種主要儲能器件


1.4 案例:簡化的降壓開關電源


上圖展示了一個簡化的降壓開關電源的電路圖,為了便于對電路進行分析,我們暫時不考慮反饋控制部分。
狀態1,當S1閉合時,輸入能量從電容C1傳遞,通過S1、電感器L1、電容C2和負載RL進行供電。同時,電感器L1也開始儲存能量。在這個過程中,加在L1上的電壓可以表示為Vin-Vo=L*di/dton。
狀態2,當S2斷開時,能量不再從輸入端獲取,而是通過續流回路,從電感器L1儲存的能量傳遞到電容C2、負載RL和二極管D1。此時,可以得到L*di/dtoff= Vo的表達式。最終,我們可以得出Vo/Vin=D的關系,其中D為占空比,永遠小于等于1。由于D的值永遠小于1,因此Vo永遠小于Vin。
以下是各個器件的詳細作用解釋:
輸入電容器(C1):輸入電容器的主要作用是使輸入電壓平穩。它能夠吸收或釋放電荷,從而平滑輸入電壓的波動,使得輸入電壓保持穩定,為后續電路提供穩定的能量輸入。
輸出電容器(C2):輸出電容器的主要作用是使輸出電壓平穩。在開關電源中,輸出電壓往往會因為負載的變化而產生波動,輸出電容器能夠吸收這些波動,從而保持輸出電壓的穩定,保證負載的正常工作。
續流二極管(D1):續流二極管的作用是在開關開路時為電感器提供一條電流通路。當開關斷開時,電感器中的電流會因為找不到通路而產生很高的反電動勢,這個反電動勢可能會損壞電路中的器件。續流二極管的導通可以消除這個反電動勢,為電感器提供一條電流通路,保護電路中的器件不受損壞。
電感器(L1):電感器的主要作用是用于存儲即將傳送至負載的能量。電感器能夠以磁場的形式存儲能量,當電流通過電感器時,磁場會發生變化,從而將電能轉化為磁能存儲起來。當電流斷開時,磁場會發生變化,將磁能轉化為電能,從而向負載輸出能量。電感器在這個過程中起到了能量的存儲和釋放的作用。
通過上述解釋,我們可以清楚地了解各個器件在開關電源中的重要作用和它們的工作原理。
〈烜芯微/XXW〉專業制造二極管,三極管,MOS管,橋堆等,20年,工廠直銷省20%,上萬家電路電器生產企業選用,專業的工程師幫您穩定好每一批產品,如果您有遇到什么需要幫助解決的,可以直接聯系下方的聯系號碼或加QQ/微信,由我們的銷售經理給您精準的報價以及產品介紹
〈烜芯微/XXW〉專業制造二極管,三極管,MOS管,橋堆等,20年,工廠直銷省20%,上萬家電路電器生產企業選用,專業的工程師幫您穩定好每一批產品,如果您有遇到什么需要幫助解決的,可以直接聯系下方的聯系號碼或加QQ/微信,由我們的銷售經理給您精準的報價以及產品介紹
聯系號碼:18923864027(同微信)
QQ:709211280

