最好看的2018免费观看在线-最好看的2019中文电影-最好免费观看高清视频免费-最近免费中文字幕大全免费版视频

您好!歡迎光臨烜芯微科技品牌官網!

深圳市烜芯微科技有限公司

ShenZhen XuanXinWei Technoligy Co.,Ltd
二極管、三極管、MOS管、橋堆

全國服務熱線:18923864027

  • 熱門關鍵詞:
  • 橋堆
  • 場效應管
  • 三極管
  • 二極管
  • 高效率開展的LED路燈電源設計介紹
    • 發布時間:2024-08-16 17:32:47
    • 來源:
    • 閱讀次數:
    高效率開展的LED路燈電源設計介紹
    一種方案主要針對LED 路燈的高效率電源驅動器的AC/DC 部分。電路采用了零電壓開通技術降低了一次側Mos 管的開關損耗。本文還提出了一種可用于高輸出電壓情況下的混合型同步整流方案并對其工作原理和工作過程進行了較為詳細的分析,并就如何減小變壓器的損耗提出了一些看法。最后,本文介紹了設計樣機進行的實驗結果。
    引言
    近年來,隨著大功率白光LED 技術的發展,照明產業開始面臨新的機遇與挑戰。LED 越來越多地被應用于通用照明領域,道路照明則是其中一個極具潛力的重要應用領域。由于LED 本身所特有的長壽命、潛在的高光效的特征,設計一款能夠充分發揮此特征的高效率恒流驅動電源則顯得尤為重要。
    高效率LED 電源驅動器的設計與分析
    1 設計概述
    在本次針對LED 路燈進行電源設計時,需充分考慮到此應用的特點與要求:
    1)單燈最大功率不超過100W。
    2)為提高路燈的可用性,燈具中LED 分為若干組,每組中LED 串聯驅動,組間分別驅動,單組損壞不影響其它組LED。
    3)為提高安全性,輸入與輸出之間需要電氣隔離。
    4)電源需具有較高的功率因數。
    為滿足以上要求,本設計采取ACPDC 恒壓電源與多路DCPDC 恒流驅動級聯的方式驅動多路LED。
    ACPDC 部分采用反激式拓撲,輸出52V , 100W。
    DCPDC 部分采用國半的LED 恒流驅動芯片LM3404。
    本文僅介紹AC/DC 部分的設計。
    反激式電源的損耗主要在于3 個地方: 1)一次側Mos 管的損耗,包括導通損耗和開關損耗。2)二次側整流二極管的損耗。3)高頻變壓器的損耗,主要包括鐵損、銅損及漏感造成的損耗。為提高電源的效率,主要需從這三個方面采取措施,減小損耗。
    2 控制方式及零電壓開通設計
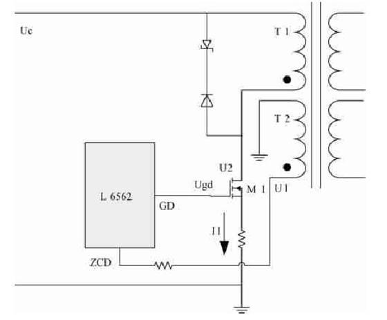
    本設計中,采用ST 公司的L6562 作為主控芯片,L6562 是一款經濟型功率因數校正控制器。反激式電源工作在不連續導電模式(DCM), 通過前端EMI 濾波器自動實現高的功率因數。為減小初級Mos 管損耗,我們選用ST 公司的Mos 管STP11NM60 , 導通電阻0145 Ω , 可以有效減少導通損耗,并采用準諧振技術,實現對Mos 管的零電壓開通,可以最大限度地減小開關損耗。
    自從20 世紀70 年代以來,軟開關得到了充分發展,準諧振技術也有了成熟的應用。L6562 本身就具有零電壓開通檢測管腳,可以較為方便地實現當Mos 管漏極電壓降到谷底時將其開通。
    具體設計如圖1 所示,其中,T1 為變壓器的一次側繞組,T2 為輔助繞組。1)t0 ~ t1 時段,Mos 管M1 開通,整流輸出電壓Uc 流經變壓器T1 繞組,電流I1 上升。2)t1 時刻,Mos 管關斷,Mos 管電壓U2上升,變壓器初級繞組電流I1 換流到次級繞組電流I2。3)t1 ~ t2 時段,變壓器開始向副邊輸送能量,副邊的充電電流I2 隨時間線性減小。4)t2 時刻,I2降為0 , 儲存于變壓器中的能量釋放完畢。5)t2 ~t3 時段,變壓器T1 繞組電感L1 , 漏感L2 與Mos 管漏極對地電容C1 開始諧振,諧振頻率。T2 作為輔助繞組之一,其一端電壓U1 隨U2 降低,當低于ZCD 的閾值下限116V , 即位于圖2 所示A 點時,L6562 再次開通M1 , 下一周期開始。
    高效率開展的LED路燈電源
    圖1 實現零電壓開通電路的原理圖
    此電路實現了在Mos 漏極電壓達到谷底時開通,盡可能地減小了Mos 管漏極對地電容在高電壓情況下放電造成的損耗。
    高效率開展的LED路燈電源
    圖2 電路工作時各點波形圖
    3 同步整流驅動設計
    在一般的反激式開關電源中,二次側的整流二極管損耗也是電源效率的重要影響因素之一,可以通過選用低導通壓降的肖特基二極管來緩解這個問題。但一方面,這種改良對性能的影響并不是非常顯著;另一方面,在本應用中,輸出電壓較高,而肖特基二極管的反向耐壓一般較低,難以滿足要求。
    比較好的方法就是采用同步整流技術,用導通電阻低的Mos 管替代傳統的整流二極管。同步整流按照工作方式可以分為外驅型和自驅型,按工作原理分,又可以分為電壓型驅動、電流型驅動和諧振型驅動等。這些同步整流方式各具特點,但也各有不足。文獻中提出了一種較為實用的電流型同步整流驅動方案,但由于將Mos 管的門極驅動電壓鉗位在輸出電壓,而門極擊穿電壓較低,因此只適用于較低輸出電壓的情況。
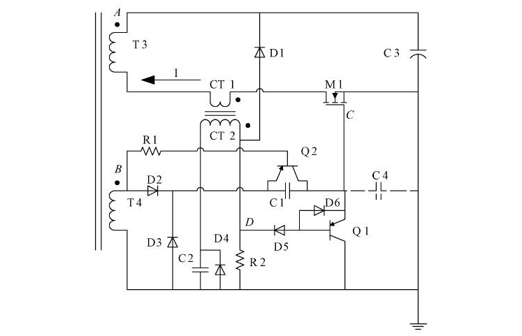
    本文提出了一種新型的混合型同步整流方案,電路結構如圖3 所示,其工作原理簡單描述如下:
    高效率開展的LED路燈電源
    圖3 同步整流方案的電路結構
    T3 與T4 分別為變壓器上的兩個繞組: 其中,T3 為二次側繞組,用于能量的傳遞,T4 為輔助繞組。T4上的電壓跟隨T3 的電壓升高,用以開啟同步整流Mos 管M1。CT1 與CT2 則為電流互感器CT 的兩個繞組,其中,初級繞組CT1 被串在主電路中,用于檢測流經Mos 管的電流。當CT1 中的電流下降到零時,CT2 將把M1 關斷。因此,此方案以電壓信號控制Mos 管導通,電流信號控制Mos 管關斷,不僅效率高,而且工作穩定,不存在誤開通的情況。下面將對這種驅動方案的工作過程做詳細分析。
    1)第一階段,變壓器一次側Mos 管關斷,電流從變壓器的一次側換流到二次側。T3 繞組通過CT1 , M1 為輸出電容器C3 充電。T3 繞組的輸出電壓被鉗位于C3 兩端電壓(在本應用中約為52V)。
    由于T4 繞組為變壓器的一個輔助繞組,因此,同名端B 點的電壓比例上升至一個高電壓(在此應用中約為10V)。則B 點電壓通過二極管D2 為電容器C1、C4 充電。其中,電容器C4 為Mos 管M1 的門極輸入電容,通常小于1nF , 以虛線示出。電容器C1為外加電容,取C4 電容值的10 倍以上。由于C4 遠小于C1 , 并且電容值很小,根據電容器的串聯分壓原理,C 點電壓很快被充至近10V , M1 導通。同時,電流互感器CT 中的能量從繞組CT2 通過二極管D1 饋入輸出電容器C3 , 降低了開關驅動損耗,D 點電壓也被鉗制在約52V。
    2)第二階段,流經D1 的電流降為0 , 此時流經CT1 的電流降為Ioff 。D1 關斷,D 點電壓開始降低,最終使PNP 型三極管Q1 導通,C4 上的電被放掉,C 點變為低電壓,M1 關斷,同步整流結束。由于此時Ioff 》 0 , 變壓器二次側的充電過程仍未結束,改經M1 的寄生體二極管續流,A 點、B 點仍為高電壓。由于C4 被Q1 短路,T4 通過D2、Q1 為C1 充電,直到C1 被充滿。值得注意的是,C1 之所以選用電容而不使用電阻,一方面保證了第一階段中對C4 的快速充電,另一方面使得第二階段中Q1 導通后在其上的損耗得以降低,提高了驅動的效率。
    3)第三階段,變壓器一次側Mos 管再次導通,A 點、B 點為負電壓,PNP 三極管Q2 導通,C1 被放電,保證了下一周期能夠再次正常工作。C 點電壓保持在低電壓,不會造成M1 的誤開通。值得注意的是,在每個周期中,C1 都會被反復沖放電。其損耗由公式P = 1/2 CU2 f 可得。其中,設C = 10nF ,U = 10V , f = 100kHz。因此P = 50mW, 此即在C1上損耗的功率。當變壓器一次側Mos 管在一段時間后再次關斷后,新的一個周期開始。
    〈烜芯微/XXW〉專業制造二極管,三極管,MOS管,橋堆等,20年,工廠直銷省20%,上萬家電路電器生產企業選用,專業的工程師幫您穩定好每一批產品,如果您有遇到什么需要幫助解決的,可以直接聯系下方的聯系號碼或加QQ/微信,由我們的銷售經理給您精準的報價以及產品介紹
     
    聯系號碼:18923864027(同微信)
    QQ:709211280

    相關閱讀