最好看的2018免费观看在线-最好看的2019中文电影-最好免费观看高清视频免费-最近免费中文字幕大全免费版视频

您好!歡迎光臨烜芯微科技品牌官網!

深圳市烜芯微科技有限公司

ShenZhen XuanXinWei Technoligy Co.,Ltd
二極管、三極管、MOS管、橋堆

全國服務熱線:18923864027

  • 熱門關鍵詞:
  • 橋堆
  • 場效應管
  • 三極管
  • 二極管
  • 運放電壓跟隨器電路,原理與作用介紹
    • 發布時間:2025-06-05 18:30:10
    • 來源:
    • 閱讀次數:
    運放電壓跟隨器電路,原理與作用介紹
    一、電壓跟隨器的定義與基礎特性
    電壓跟隨器是一種特殊的運算放大器電路配置,其核心特征在于輸出信號緊密追隨輸入信號,二者在電壓幅度上保持一致,不存在放大作用,電壓增益穩定在 1,這一特性使其在信號傳輸與電路匹配中扮演關鍵角色。憑借高輸入阻抗優勢(可達數兆歐姆),它能有效減少對前級電路的負載效應,保障信號源的輸出穩定性。此外,其低輸出阻抗(通常僅幾歐姆甚至更低)特性,確保了向后續負載提供穩定電流的能力,實現信號的高效傳遞。
    運放電壓跟隨器電路
    二、電壓跟隨器的電路組成與工作原理
    典型電壓跟隨器電路架構簡潔,以運算放大器為核心元件。在理想狀態下,運算放大器具備無限大的增益,這為電壓跟隨器實現輸入輸出信號的精準跟蹤提供了理論基礎。電路中,運算放大器的反相輸入端與輸出端經電阻 R1 連接,而非反相輸入端則直接接入輸入信號,并經電阻 R2 與輸出端相連。然而在實際應用中,為進一步優化性能,常采用特定的電路設計。
    以基于運算放大器 741 的電壓跟隨器為例,輸入信號接入 IC 的非反相引腳,反相引腳 2 與輸出引腳 6 實現負反饋連接。偏置引腳(引腳 7 和 4)連接電池供電,輸出端則連接負載電阻。741 的高輸入阻抗特性使其從輸入源汲取極低電流,而輸出端則能向負載提供較高電流輸出,滿足多種應用場景需求。
    三、電壓跟隨器的關鍵作用與應用場景
    阻抗變換 :通過高輸入阻抗與低輸出阻抗的特性組合,電壓跟隨器實現阻抗變換功能。低輸出阻抗使其輸出電壓不受負載阻抗波動干擾,相當于穩定的恒壓源,確保為后續電路提供持續、精準的電壓支持,保障電路系統的穩定運行。
    緩沖與隔離 :高輸入阻抗特性使電壓跟隨器在接入電路時,不會對前級電路造成顯著負載效應,從而有效隔離前后級電路的相互影響。這在多級放大電路或復雜信號處理系統中尤為重要,可防止前級電路參數變化對后級電路造成干擾,確保信號的完整性和穩定性。
    信號傳輸優化 :在分壓器電路等應用場景中,電壓跟隨器能夠穩定地將電壓電平從一個電路傳遞并維持到另一個電路,保留信號源的關鍵信息。這在信號處理、傳感器信號調理以及音頻放大等領域具有廣泛應用,可提升信號傳輸質量,降低信號失真與噪聲干擾。
    四、電壓跟隨器的實際應用電路實例
    運算放大器 741 電壓跟隨器電路圖一:
    運放電壓跟隨器電路
    此電路中,運算放大器 IC 741 的非反相引腳接收輸入信號,反相引腳 2 與輸出引腳 6 形成負反饋回路,偏置引腳連接電池供電,輸出端連接負載電阻。該電路充分利用 741 的高輸入阻抗優勢,實現對輸入信號的精準跟蹤與穩定輸出,適用于多種需要信號隔離與緩沖的場合。
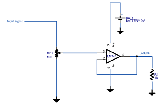
    運算放大器 741 電壓跟隨器電路圖二:
    運放電壓跟隨器電路
    該電路以 LM741 為核心,搭配 10K 可變電阻、1K 歐姆電阻、電池及輸入信號源等基本元件構成。輸入信號接入 LM741 的非反相端子,反相端子與輸出端相連形成負反饋。可變電阻用于在 0 - 9V DC 范圍內調節輸入電壓。憑借單位電壓增益特性,該電路能夠實現對輸入信號的穩定跟蹤與傳輸,具有電路簡單、易于搭建、性能可靠等優點,適合于電子愛好者進行實驗與項目開發。
    〈烜芯微/XXW〉專業制造二極管,三極管,MOS管,橋堆等,20年,工廠直銷省20%,上萬家電路電器生產企業選用,專業的工程師幫您穩定好每一批產品,如果您有遇到什么需要幫助解決的,可以直接聯系下方的聯系號碼或加QQ/微信,由我們的銷售經理給您精準的報價以及產品介紹
     
    聯系號碼:18923864027(同微信)
     
    QQ:709211280

    相關閱讀