最好看的2018免费观看在线-最好看的2019中文电影-最好免费观看高清视频免费-最近免费中文字幕大全免费版视频

您好!歡迎光臨烜芯微科技品牌官網!

深圳市烜芯微科技有限公司

ShenZhen XuanXinWei Technoligy Co.,Ltd
二極管、三極管、MOS管、橋堆

全國服務熱線:18923864027

  • 熱門關鍵詞:
  • 橋堆
  • 場效應管
  • 三極管
  • 二極管
  • rc低通濾波器原理作用,rc低通濾波器電路介紹
    • 發布時間:2025-06-20 14:50:54
    • 來源:
    • 閱讀次數:
    rc低通濾波器原理作用,rc低通濾波器電路介紹
    RC低通濾波器解析
    RC低通濾波器是電子電路中常用的信號處理元件,其核心功能在于濾除輸入信號中的高頻成分,使輸出信號以低頻成分為主。該濾波器由電阻(Resistor)與電容(Capacitor)構成,故得名RC低通濾波器。
    一、工作原理
    RC低通濾波器的工作原理基于電容器的充放電特性。當輸入信號傳入由電阻和電容相連組成的電路時,電容對不同頻率信號呈現不同充放電速率。具體而言,對于高頻信號,電容充放電速度緩慢;而面對低頻信號,電容充放電速度較快。這一特性使得高頻信號在電路中被有效濾除,低頻信號則可順利通過。
    rc低通濾波器原理作用
    在RC低通濾波器中,電阻(R)與電容(C)組合形成低通濾波回路。輸入信號經電阻與電容并聯后,輸出信號于電容器正極處獲取。當輸入信號頻率處于較低水平時,電容阻抗相對較高,致使輸入信號流向輸出端的電流減小,進而實現對高頻信號的濾除效果。相反,高頻信號能夠克服電容阻抗,從而不會被濾波器輸出。
    二、截止頻率
    RC低通濾波器的截止頻率是關鍵性能指標,指輸入信號頻率與輸出信號幅值相對降低的臨界點。其計算公式為:
    fc=1/(2*π*R*C)
    其中,fc表示截止頻率,π為圓周率(約等于3.14159),R代表電阻阻值(單位為歐姆),C則是電容電容值(單位為法拉)。該公式揭示截止頻率由電阻與電容乘積以及2π的乘積倒數決定,標志著濾波器開始對輸入信號進行衰減的起始頻率。需注意,此公式基于理想簡化模型,在實際電路設計中,還需考慮電阻、電容偏差以及電路阻抗等因素影響,往往需要進行適當微調與修正。
    rc低通濾波器原理作用
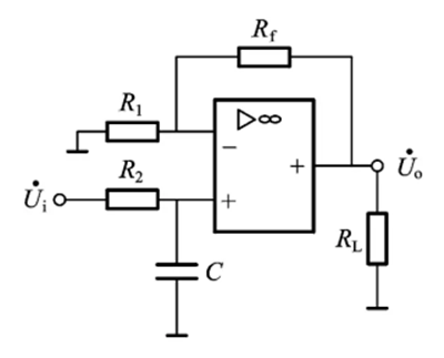
    三、電路圖說明
    rc低通濾波器原理作用
    在標準的RC低通濾波器電路圖中,電阻R與電容C并聯連接,輸入信號經由電阻R輸入,電容C的正極則作為輸出信號的引出點。通過這種連接方式,該電路能夠對輸入信號實施濾波處理,使輸出信號中的高頻成分得到有效抑制,保留低頻成分。
    四、主要作用
    信號預處理:在數據采集系統中,RC低通濾波器常被用作信號預處理電路。其能夠有效抑制高頻噪聲和干擾,提升信號質量,為后續的數據采集與處理提供更為純凈、準確的信號源,從而保障數據采集的可靠性和精度。
    電源濾波:于電源電路而言,RC低通濾波器可濾除電源輸出中的高頻紋波。經濾波后,電源能夠輸出更為穩定、純凈的直流電壓,這對于許多對電源質量要求較高的電子設備而言至關重要,有助于確保設備的穩定運行,避免因電源紋波干擾而導致的設備性能下降或故障。
    音頻處理:在音頻系統中,RC低通濾波器可用于去除音頻信號中的高頻噪聲成分。經過濾波處理后,音頻信號更加純凈,音質得以改善,可有效提升音頻輸出的清晰度和保真度,為用戶帶來更優質的聽覺體驗。
    通信系統:在通信領域,RC低通濾波器能夠限制信號帶寬,防止信號頻譜擴展所引發的相互干擾問題。通過合理控制信號帶寬,可確保通信系統的高效、穩定運行,提高通信質量與可靠性,避免不同信號之間的相互干擾,保障信息傳輸的準確性和完整性。
    〈烜芯微/XXW〉專業制造二極管,三極管,MOS管,橋堆等,20年,工廠直銷省20%,上萬家電路電器生產企業選用,專業的工程師幫您穩定好每一批產品,如果您有遇到什么需要幫助解決的,可以直接聯系下方的聯系號碼或加QQ/微信,由我們的銷售經理給您精準的報價以及產品介紹
    聯系號碼:18923864027(同微信)
     
    QQ:709211280

    相關閱讀