最好看的2018免费观看在线-最好看的2019中文电影-最好免费观看高清视频免费-最近免费中文字幕大全免费版视频

您好!歡迎光臨烜芯微科技品牌官網!

深圳市烜芯微科技有限公司

ShenZhen XuanXinWei Technoligy Co.,Ltd
二極管、三極管、MOS管、橋堆

全國服務熱線:18923864027

  • 熱門關鍵詞:
  • 橋堆
  • 場效應管
  • 三極管
  • 二極管
  • 直流升壓斬波電路,直流升壓斬波電路原理介紹
    • 發布時間:2025-06-20 15:31:03
    • 來源:
    • 閱讀次數:
    直流升壓斬波電路,直流升壓斬波電路原理介紹
    直流升壓斬波電路深度解析
    在電子電路設計領域,直流升壓斬波電路是一種關鍵的功率變換電路,其核心功能在于將輸入的直流電壓提升至更高的輸出電壓水平,以滿足各類電氣設備對不同電壓等級的需求。以下將對直流升壓斬波電路的結構、工作原理以及相關特性進行嚴謹且深入的剖析,旨在為工程師及技術人員提供詳實的設計參考。
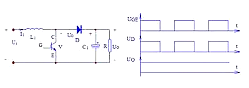
    一、電路結構組成
    直流升壓斬波電路主要由以下幾個核心元件構成:開關器件、二極管、儲能電感以及濾波電容。這些元件相互協作,共同實現了直流電壓的升壓變換過程。
    二、工作原理詳述
    當開關器件處于導通狀態時,輸入電壓經由電感,為電感提供能量,使其儲能。此時,電感中的電流呈線性增長趨勢,所儲存的能量也隨之增加。與此同時,二極管因承受反向偏置電壓而處于截止狀態,濾波電容則承擔起向負載供電的重任,確保負載能夠持續獲得電能。
    當開關器件關斷時,電感中累積的電流通過二極管向負載以及濾波電容供電,電感開始釋放之前儲存的能量。由于電感釋放的能量與輸入電壓共同作用于輸出端,使得輸出電壓成為輸入電壓與電感電壓的疊加,從而實現了電壓的升壓效果。
    通過精準調節開關器件的導通時間,即占空比(D),可在0<D<1的范圍內有效控制輸出電壓的高低,進而滿足不同應用場景對輸出電壓的具體要求。
    直流升壓斬波電路
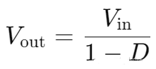
    三、輸出電壓計算公式
    在穩態運行條件下,升壓斬波電路的輸出電壓與輸入電壓以及占空比之間存在如下精確的數學關系:
    直流升壓斬波電路
    四、升降壓斬波電路原理探究
    (一)電路原理圖解析
    直流升壓斬波電路
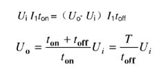
    升降壓斬波電路的原理圖包含一個全控型器件V。通過對V的柵極電壓波形UGE進行精確控制,可實現電路的升壓或降壓功能切換。當V處于通態時,電源Ui向電感L?充電,充電電流基本保持恒定為I1,同時電容C?上的電壓向負載供電。由于C?的電容值較大,能夠有效維持輸出電壓UO的穩定性,基本保持其為恒定值。
    (二)能量傳遞過程
    設V處于通態的時間為ton,在此階段,電感L?上積蓄的能量可表示為Ui*I1*ton。當V處于斷態時,電源Ui和電感L?共同向電容C?充電,并向負載提供能量。設V處于斷態的時間為toff,則在此期間電感L?釋放的能量為(UO−Ui)⋅I1⋅toff。
    (三)穩態工作條件
    當電路處于穩態運行狀態時,在一個完整的工作周期T內,電感L?積蓄的能量與釋放的能量應保持平衡,即滿足能量守恒定律。根據這一條件,可推導出輸出電壓必然高于電源電壓的結論,從而驗證了該電路作為升壓斬波電路的功能特性。
    直流升壓斬波電路
    上式中的T/toff≥1,輸出電壓高于電源電壓,故稱該電路為升壓斬波電路。
    〈烜芯微/XXW〉專業制造二極管,三極管,MOS管,橋堆等,20年,工廠直銷省20%,上萬家電路電器生產企業選用,專業的工程師幫您穩定好每一批產品,如果您有遇到什么需要幫助解決的,可以直接聯系下方的聯系號碼或加QQ/微信,由我們的銷售經理給您精準的報價以及產品介紹
    聯系號碼:18923864027(同微信)
     
    QQ:709211280

    相關閱讀