最好看的2018免费观看在线-最好看的2019中文电影-最好免费观看高清视频免费-最近免费中文字幕大全免费版视频

您好!歡迎光臨烜芯微科技品牌官網!

深圳市烜芯微科技有限公司

ShenZhen XuanXinWei Technoligy Co.,Ltd
二極管、三極管、MOS管、橋堆

全國服務熱線:18923864027

  • 熱門關鍵詞:
  • 橋堆
  • 場效應管
  • 三極管
  • 二極管
  • ups電源電路圖,UPS不間斷電源介紹
    • 發布時間:2025-07-11 18:32:21
    • 來源:
    • 閱讀次數:
    ups電源電路圖,UPS不間斷電源介紹
    一、UPS電源電路圖詳解
    (一)基礎電路架構
    該UPS電源電路圖展示了在停電情況下,設備如何通過電池進行控制以維持電力供應。電路中的變壓器(TR1)初級繞組設計輸入電壓為220V或240V,以適配常見的市電電壓標準。次級繞組的輸出電壓則根據電路需求進行調整,例如,若在負載電流為2安培時能夠提供至少12V的電壓,則變壓器(TR2)的次級繞組可將電壓升高至15V,以滿足后續電路的穩壓和其他電力需求。
    電路中還設置了保險絲,其核心作用是為整個電路提供短路保護,有效防止因電流過大而引發的電路損壞或安全事故。電流檢測部分采用LED1進行可視化指示,當電路中有電流流通時,LED1會發光,直觀地顯示電路的運行狀態。
    ups電源電路
    在市電正常情況下,LED發光由市電供電;而當市電中斷時,UPS內置的電池將迅速接管,維持LED發光,確保電力供應的連續性。該電路設計具有高度的靈活性,用戶可以通過更換不同規格的電池和調整穩壓器參數,實現對穩壓和非穩壓電壓的輸出控制。例如,采用兩個串聯的12V電池,并結合7815穩壓器的正極輸入端,可以穩定地輸出15V電源,以適配需要該電壓等級的設備。
    ups電源電路
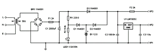
    (二)6V備用電池電路
    此電路采用LM7806穩壓器IC,可將輸出電壓穩定降低至6V,為需要較低電壓供電的設備提供穩定的電力支持。該電路選用了12V鉛酸電池作為備用電源,其優勢在于能夠在市電輸入缺失時立即切換至電池供電模式,確保電子設備在市電中斷瞬間也能保持正常運行,避免因突然斷電導致的數據丟失或設備重啟等問題。
    電路的輸出電流可達1A,能夠滿足多種電子產品的基本用電需求。為了優化電池的使用壽命和充電管理,建議搭配使用自動12V電池充電器電路。與傳統的12V插頭組相比,自動充電器能有效防止電池過度充電,從而延長電池的使用壽命。在使用12V電池充電器時,需注意將二極管D1排空,以確保充電回路的正確連接和安全運行。同時,為了保證穩壓器IC的穩定工作和散熱性能,應為其配備合適尺寸的散熱器。
    (三)基礎UPS電源電路
    ups電源電路
    這是一個基本的不間斷電源(UPS)電路,其核心在于通過靈活配置不同的穩壓器和電池組合,實現對穩壓和非穩壓電壓的調整與輸出控制。例如,若需要構建一個15V穩壓電源,可將兩個12V電池串聯,形成24V電壓,并配合7815穩壓器使用,以獲得穩定的15V輸出電壓。這種設計賦予了電路極大的靈活性,使其能夠適應各種不同的應用場景和設備需求。
    〈烜芯微/XXW〉專業制造二極管,三極管,MOS管,橋堆等,20年,工廠直銷省20%,上萬家電路電器生產企業選用,專業的工程師幫您穩定好每一批產品,如果您有遇到什么需要幫助解決的,可以直接聯系下方的聯系號碼或加QQ/微信,由我們的銷售經理給您精準的報價以及產品介紹
    聯系號碼:18923864027(同微信)
     
    QQ:709211280

    相關閱讀